Найти в Дзене
Yury Kharechko

В Германии и Финляндии запрещено применять устройства дифференциального тока типа АС

В стандарте МЭК 60364-5-53 :2020 «Низковольтные электрические установки. Часть 5-53. Выбор и монтаж электрического оборудования. Устройства защиты для обеспечения безопасности, разъединения, коммутации, управления и контроля» в частности, приведены следующие требования к применению устройств дифференциального тока:

531.2.3.3 Типы УДТ

531.2.3.3.1 Выбор типа УДТ

Выбор типа УДТ следует осуществлять в соответствии с формой сигнала ожидаемых переменных и постоянных составляющих дифференциального тока, который необходимо отключать.

531.2.3.3.2 Выбор типов УДТ для последовательного подключения

Везде, где УДТ типа A, F или B установлено ниже по цепи питания от другого УДТ, УДТ, установленное выше по цепи питания:

должно соответствовать, как минимум, требованиям типа УДТ, установленного ниже по цепи питания;

должно быть согласовано с УДТ, установленным ниже по цепи питания, в соответствии с инструкциями производителя.

В приложении F «Перечень замечаний от некоторых стран» стандарта МЭК 60364-5-53 сказано, что в Германии и Финляндии применение УДТ типа АС не допускается . Запрет на применение УДТ типа АС обусловлен широким использованием в электроустановках зданий электрооборудования класса I , при повреждении изоляции частей, находящихся под напряжением, которого начинают протекать пульсирующие постоянные токи замыкания на землю, которые могут быть наложены на небольшие постоянные токи. Источниками указанных токов могут быть современные бытовые электроприёмники. При протекании пульсирующего постоянного тока замыкания на землю через главную цепь УДТ типа АС оно срабатывает при токах, превышающих номинальный отключающий дифференциальный ток.

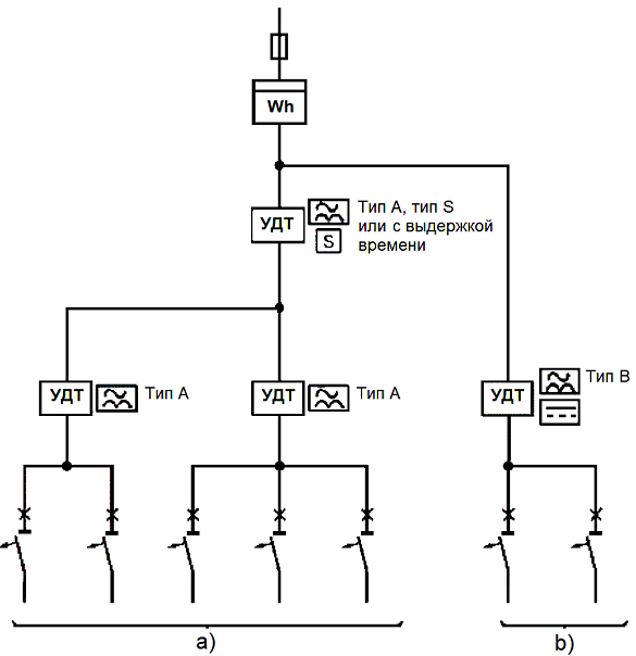
В Германии разрешена следующая схема применения УДТ в электроустановках зданий:

-2

a) Электрические цепи с электроприёмниками, в которых могут возникать синусоидальные и (или) пульсирующие постоянные, и (или) пульсирующие постоянные, наложенные на постоянный ток до 6 мА, токи замыкания на землю .

b) Электрические цепи с электроприёмниками , в которых помимо случая а) могут возникать синусоидальные, включая высокочастотные, токи и (или) постоянный ток, превышающий 6 мА.

Заключение. В национальной нормативной документации следует запретить применение УДТ типа АС так же, как в Германии и Финляндии.

-3

Подробнее об УДТ и выпускаемых разновидностях см. статьи:

УДТ – устройство дифференциального тока, которое некорректно именуют УЗО;

ВДТ – автоматический выключатель, управляемый дифференциальным током, без встроенной защиты от сверхтока;

АВДТ – автоматический выключатель, управляемый дифференциальным током, со встроенной защитой от сверхтока;

Блоки дифференциального тока;

Принцип действия УДТ, которое некорректно именуют УЗО;

Конструкция УДТ, которое некорректно именуют УЗО;

Конструкция УДТ, собранного из блока дифференциального тока и автоматического выключателя;

Как обеспечить селективность устройств дифференциального тока;

Как исключить ложные срабатывания устройств дифференциального тока, вызываемые токами утечки;

УЗО с током утечки 10 мА и более подлежат немедленному уничтожению;

Расшифровываем маркировку устройств дифференциального тока;

Как предписано применять устройства дифференциального тока в электроустановках индивидуальных жилых домов и квартир .

Более подробная информация об УДТ изложена в книге:

Харечко Ю.В. Краткий терминологический словарь по низковольтным электроустановкам. Часть 4// Приложение к журналу « Библиотека инженера по охране труда». – 2015. – № 6. – 160 c . Содержание см. в статье «Краткий терминологический словарь по низковольтным электроустановкам».