Найти в Дзене

Феникс 50У-008 Стерео - Непрыкрытые Аудиофильские Решения!!!

фото отсюда http://ldsound.ru/feniks-50-u-008s/

Здравствуйте Друзья! С Вами Никжеорыс ЙокчоварпS.O.S!

Сейчас у начинающих читателей канала возникнет вопрос. А чего так сразу-то? Обещал сначала про транзистор рассказать. А тут сразу усилитель целиком.

Дело в том, что это мой второй канал. Ну ладно. Третий. 2 других уже во всю показывают дополнительную, полезную пользователям, информацию от партнеров Яндекса.

Это я к тому, что я могу гарантировать начинающим читателям этого канала, что я его потяну. Не брошу на пол пути. Хотя ему еще и недели нет.

Мне как блоггеру Яндекс.Дзена уже 9 месяцев.

Первый канал у меня посвящен одной из приятных и наиболее неоднозначных отраслей радиоэлектроники, под названием Аудиофильство.

Второй с виду тоже про него. Но на самом деле там упор на психологию Ижененеров-Ботаников.

Дело в том, что сейчас в Европе уже тренд улучшать качество их жизни. Поэтому я решил не оставаться в стороне. Тем более, что я и не могу оставаться в стороне. Я пишу диссер на тему Технологий Ускорения Научно-Технического Прогресса.

Если бы этого тренда не было, я бы должен был его создать. Систематизировать, вычислить, оптимизировать и создать. Но меня обогнали. Все уже во всю движется. Я на догоняющих позициях.

А эта текущая статья. Она имеет под собой 2 цели.

1. Показать начинающим, с чем нужно на самом деле дело иметь, если разрабатывать Аудио-Системы.

Т.е. понимание психологии потребителей. А не только стремление к эталонам в единицах СИ.

Есть еще единицы ПСИ. Психологические. Ведь задача электроники в первую очередь соответствовать потребностям человека. Помогать ему. Развивать его.

2. Завлечь аудиторию с первого канала, с целью ускорения темпов развития этого, третьего, канала.

Хотя в данный момент это всего лишь исследование. Сработает или нет.

Второй канал я раскручивал всячески скрывая тот факт, что я один 2 в канала пишу. Там и другой стиль. И другой характер. Он больше художественный. Там прям так и написано, что все события являются выдуманными, хотя и основанными на реальных. Но сильно видоизмененных.

Хотя некоторые читатели все равно спалили.

Данный же канал, есть следствие того, что только Аудиофильской Электроникой я ограничивать себя не хочу. Вот и вывел все Инженерные Темы с первого канала на этот.

Данная статья по сути продолжение разборов схемотехники усилителей на том канале.

Просто так вышло, что этот усилитель наиболее показателен с точки зрения Аудиофильских Приемов.

И ему на Инженерном канале посвященном Педантичным Нюансам работы электроники самое место. Вот он здесь сейчас и произойдет.

*************************************************************************

Усилитель этот начали производить в 1991м году. Когда уже начинался поток импортной техники. И производителям нужно было срочно менять курс с Высшего Класса как воспроизведение точного звука, на Высший Класс, что Аудиофильство.

На самом деле техника Высшего Класса и в 80х шалила по части Аудиофильства. Это сейчас кажется читателям выросшим на импортной технике, что в СССР Аудиофильства не было.

Еще как было!!!

Были и решения ориентированные на максимальную, чуть ли не студийную, точность. Но были и явно Аудиофильские улучшайзеры звучания.

Но про сам звук это все таки на канале Добрый Аудиофил.

А здесь у нас схемотехника. И голые факты ее работы. С небольшим описанием того как это все звучит.

Но сначала схема, а уже потом звук.

*************************************************************************

Схему усилителей положено разбирать с корректора для Винила.

У этого есть некоторый практический смысл.

Он показывает психологию инженера-разработчика. Ну или начальника, что распределял ТЗ, при крупно-тиражных производствах.

Все таки крупнотиражки мы тоже будем рассматривать. В т.ч. и с позиций конструирования.

Это важно для прогресса. Уметь сделать рентабельную качественную крупнотиражку.

И правильно пожертвовать качеством, для повышения ее социальной доступности. Ведь именно она развивает прогресс всего человечества. Во всей Стане, во всем Мире.

Ну что поделать. У меня проф. деформация началась. Будут иногда такие Мировые мотивашки.

Нужно уметь делать технику трех видов.

1. Высококачественная дорогостоящая.

2. Дешевая самодельная, с приятным результатом.

3. Рентабельная крупнотиражная.

Само собой учиться будем делать сначала второй пункт, потом повышать его до первого. А потом топить за рентабельность.

По-другому халтура выйдет.

*************************************************************************

Корректор здесь на Операционном Усилителе. Причем одна 2х канальная микросхема.

По хорошему корректор на ОУ нужно делать на 3х микросхемах на канал.

Но тут одновременно и демонстрация качества одной. Что она может заменить целых 3. И одновременно не самый одобрительный с моих позиций подход.

Суть в том, что цепи коррцекии АЧХ на виниле в такой схеме сделаны в обратной связи, т.е. сигнал, что идет на вход пред-усилителя, возвращается, скорректированный по АЧХ, в инверсный(противофазный) вход ОУ.

Сама схема нормальная. Просто ее бы не плохо прикрыть по токовой девиации. А этого тут не сделано. И по хорошему прикрыть дискретными транзисторами. Хотя бы эмиттерным повторителем.

Дело в том, что как бы нам не декларировали идеальные характеристики входа у ОУ, а она там и под токовым зеркалом на диф-каскаде, и еще под всякими делами.

В общем это совсем не то же самое, что КТ3102 коллектором на шине питания.

А это значит, что входное сопротивление каскада ОУ, что в преде зависит от амплитуды сигнала.

И вот тут-то все и начинается. Дело в том, что частота настройки цепей коррекции АЧХ зависит от входного и выходного сопротивлений.

И вот эта амплитудная девиация выскоимпедансного входа ОУ преда, и выхода ОУ корректора. Вот она будет дестабилизировать АЧХ коррекции.

Причем делать это в ритм басовика.

На выявление артефактов таких схем, придумали 2 стиля музыки. Сначала Диско с бьющими басами.

А потом РЭП. Когда низкий мощный бас. И тут же ритмично вокал начитывает, никак не синхронизируясь с ритмом баса.

А эта схема по моим прогнозам и на Диско поплывет. Будет менять громкость вокала под удары баса.

Да и на органной классике тембр голоса вокалистки будет зависеть от нижних нот у органа.

А рэпчик тут лучше вообще не включать. Вокалист начнет слова жевать вместо четкой артикуляции.

Впрочем я вырос на Пинк Флоид. Репчиком согласен только тестировать технику на качество работы.

****************************************************************************

Пред здесь тоже на ОУ. И тембрблок в нем на обратной связи. Да да. Безобразие.

И это при том, что регуляторы тут на резистивных матрицах. Идеальное решение вообще-то.

Но вот что пред, что корректор. Косяк на косяке.

Правда на Пинк Флоид. А все таки делался этот усилитель для Аудиофилов тех времен. Звук зависит еще кое от чего.

И вот с этим тут все интересно.

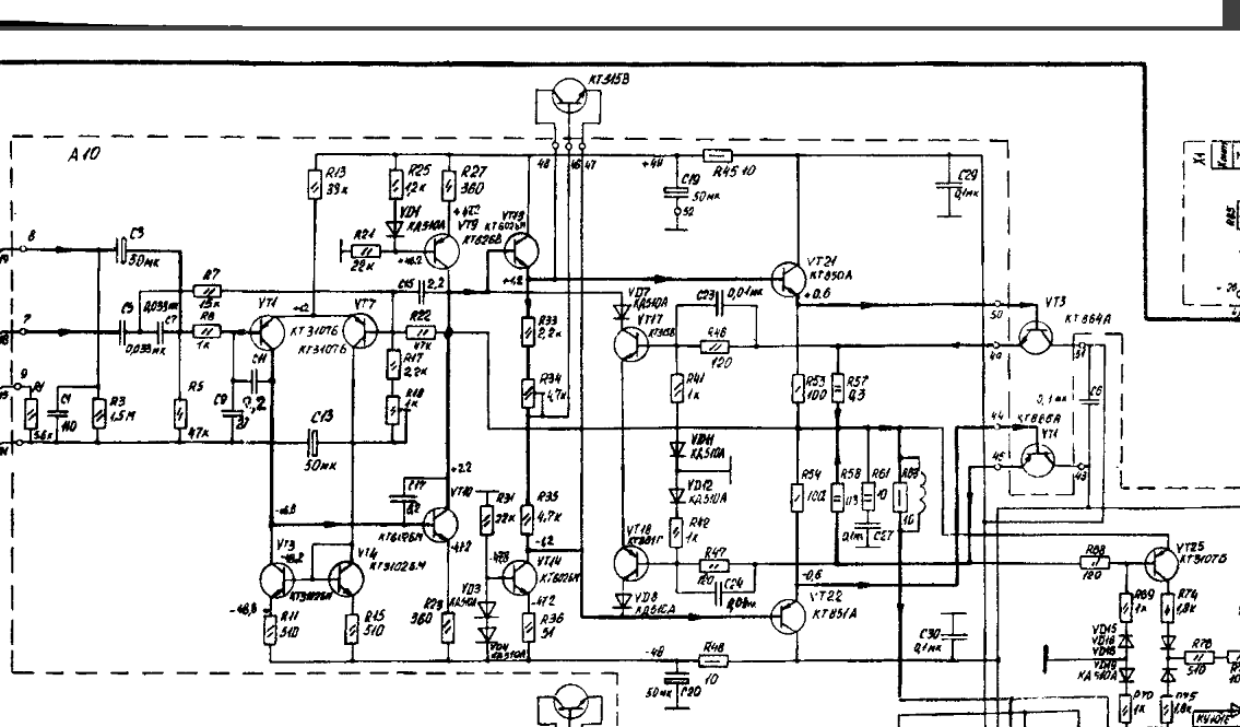
Схема мощника.

-2

фото скриншот из инструкции взятой здесь http://rw6ase.narod.ru/00/us_b/feniks50u008s.html

Итак. Сигнал приходит на диф-каскад.

Здесь схема перевернутая местами. Поэтому токовое зеркало здесь внизу. Оно не самое мощное. Тут даже скорее наоборот. Еще и занижен коэффициент его воздействия.

Дело в то, что оно увеличивает коэффициент подавления синфазного сигнала. Т.е. увеличивает уровень обратной связи.

Тут во второе плечо подается сигнал с выхода. Что на колонки идет.

Без этой обратной связи усилитель класса АБ формирует много искажений на тихих звуках.

Но она вмешивается в работу динамиков в колонках. Это полезно в басу, но вредно на других частотах.

А здесь она не самая сильная еще по одной причине.

Здесь несколько обратных связей. Одна из них с выхода всего усилка. Она не сильная, и ее задача устранить искажения выходных каскадов.

Но основные-то искажения возникают в каскаде раскачки амплитуды.

И тут ООС вторая. Она подает сигнал с каскада раскачки, в первое плечо Диф-каскада.

Но всмотритесь в нее. Она с... тембр-блоком. Причем нескрываемым. Обычно инженеры делающие Аудиофильские приемчкии в работе усилителей это дело маскируют.

Сразу и не увидеть, где нахитрили. Иногда даже расчитывать КНИ по формулам приходится, чтобы понять где подвох. В справочник лезть, чтобы нужные параметры на редкий транзистор найти. Именно параметры влияющие на КНИ. А не общие данные о ВАХ да предельльной частоте и коэффциенте усиления.

А тут прям в открытую. Прям с настройкой АЧХ потенциометром.

Здесь конденсатор фильтрующий басы. А за ним(налево по схеме) подстроечный резистор, который определяет кривую ООС по НЧ.

Т.е. басы на этой ООС умышленно отрезаны. Они с искажениями. Причем эти искажения прилетают во вход первого плеча Диф-Каскада.

Второе в такой ситуации следит за тем, чтобы они на выходе были!

Да да!!! Именно так. Тут что-то должно быть в звуке по части баса.

Я кстати сначала увидел схему. Прям как сейчас и рассказываю. Сделал прогноз, что тут должен быть детальный верх. Бодрая середина и плотный бас.

Так тут так и есть. Бас тут мощный забористый. Его еще Аудиофилы характеризуют как глубокий. Правда он чуток медленноват.

Его же вторая ООС в колонках-то придерживает ослаблено. Как итог тяжелый басовик совершает паразитные колебания.

Но все это выверено. Звучит приятно. Бас мощный, жирный, обволакивающий. И все это в паре с бодрым, детальным, прозрачным верхом, яркой детальной серединой. Которой ООС не мешает кстати. Она же ослабленная.

И вот на Роке, да даже на Хард Роке это дело компенсирует все косяки пред усилителя.

Звук тут бодрый. Неожиданно детальный где нужно, и мясистый там где хочется.

Но тут еще один момент. Противоречащий крупонотиражной логике. Этот потенциометр. Это ведь усилитель-то на слух настраивали!!!

Ну вернее как. Наверняка на заводе создали специальный контрольный сигнал, и дали предписание регулировщику выводить его значение на определенный уровень.

Всех подробностей не объясняя. Но при разработке прототипа и технологии сборки, и наладки, ему звук на слух делали!!!

И даже не скрывают этого!!!

Такой вот Аудиофильский усилитель.

Что касается транзистора на этой же цепи который идет вправо по схеме, то это быстродействующая защита выходного каскада.

Ее задача снять напряжение с выходных транзисторов, если вдруг динамик на большой громкости испытает сильное сопротивление своему движению.

В этот момент в катушках на динамиках резко падает сопротивление.

Прям почти до короткого замыкания. И вот чтобы усилитель не сгорел. И заодно не сжег динамики, стоит быстродействущая защита.

Дело в том, что такое сопротивление может создать... воздух. Внутри колонки. Он ведь газ. А у них если чего не так по части сжатия, они быстренько меняют плотность сменив заодно температуру.

По этой причине сейчас в моде узкие башенки. Меньше воздуха. Более предсказуемый результат. А еще то и дело норовят вытеснить весь воздух из колонки заменив его труселями и носками. Ну или чем поприличнее.

Суть в том, что проиграв в гибкости, лучше ее компенсировать большей мощностью, зато в предсказуемых равномерных условиях.

Вот такой сегодня обзорчик случился. Он конечно не полный.

По хорошему надо делать разбор каждой детальки. Вот зачем именно этот резистор и конденсатор. И такие разборы будут. Просто позже.

Будут и объяснения по части термостабилизаций. И по части крупнотиражных компексаций разброса характеристик элементной базы.

Просто это будет постепенно. Чтобы и мозг не взорвать и с правильной философией обо всех 3х главных подходах к конструированию подойти.

Чтобы нужные знания на нужные шампуры нанизывались. А не так как это произошло с инженерами Советской Школы.

У них философия о крупнотиражках, без знаний о крупнотиражных компенсациях разбросов параметров элементной базы.

Такой вот парадокс. Философия о рациональной рентабельности качества, и при этом ни слова в учебниках о конструкционных приемах крупного тиража.

Это приводит к массе дискуссий. Но ведь дискуссии тоже дело полезное, если к ним с правильной психологией подходить.

А вот с неправильной. Для неподготовленной оппонента это проблема.

Они часто могут задавить своим навыком начинающего Инженера-Ботаника, он от этого уйдет в себя. Но не сдастся. Просто не будет лишние разговоры вести.

Это может выразиться в проблеме воспитания детей. Он не будет иметь навыка передавать им знания.

А вот это проблема. И с ней нужно работать. Европа уже трудится.

Я же лично придумал такой термин как Навязанный Синдром Аспергера. Это когда синдром на самом деле у родителя. А ребенок родился нейротипичным. Но вот получил воспитание такое, что и сам с Синдромом. Хотя он и софтварный, а не железный, говоря языком компьютеров.

Впрочем пора меня оттаскивать от клавиатуры.

Спасибо, что дочитали!!!