Добавить в корзинуПозвонить
Найти в Дзене
Паяльник

Релейная термозащита

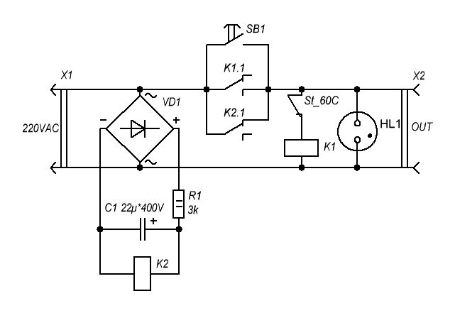
Устройство представляет собой релейную защиту от перегрева установки, питаемой от сети переменного тока 220-230 вольт с отключением без перезапуска.
Напряжение с входа на выход подается через нормально разомкнутые контакты реле К1.1. Обмотка реле питается выходным напряжением через биметаллический нормально замкнутый термовыключатель St. При срабатывании термовыключателя обмотка К1

Устройство представляет собой релейную защиту от перегрева установки, питаемой от сети переменного тока 220-230 вольт с отключением без перезапуска.

Напряжение с входа на выход подается через нормально разомкнутые контакты реле К1.1. Обмотка реле питается выходным напряжением через биметаллический нормально замкнутый термовыключатель St. При срабатывании термовыключателя обмотка К1 обесточивается, контакты К1.1 размыкаются, подача напряжения на нагрузку прекращается. При остывании контролируемого объекта термовыключатель возвращается в исходное замкнутое состояние, но автоматическое восстановление выходного напряжения не производится. Перезапуск можно осуществить вручную, нажатием кнопки SB1 или выключив/включив питание устройства с паузой не менее 0.5 секунды.

Реле К2 служит для автоматического "самоподхвата" схемы при включении питания а так же для автоматического восстановления после пропадания питающего напряжения.

В момент включения питания оба реле находятся в выключенном состоянии. При этом на обмотку реле К1 подается напряжение через нормально замкнутые контакты К2.1. Реле К1 срабатывает и происходит "самоподхват" обмотки через контакты К1.1. Реле К2 срабатывает с задержкой около 0.5 секунды после К1. Контакты К2.1 размыкаются, таким образом производится ввод защиты.

-2
-3

Плата для устройства не изготавливалась. Сборка производилась по принципу "вороньего гнезда". Соединения выполнены проводниками с изоляцией термоусадочной трубкой. Смонтированная схема помещена в пластиковый корпус.

Обмотки реле по паспорту потребляют 1.2 Вт, поэтому устройство во время работы ощутимо, но не критично нагревается. Исходя из этого, не следует делать корпус герметичным, необходимо обеспечить свободный приток и циркуляцию воздуха.

Нагрузочная способность устройства определяется мощностью контактов используемых реле. Температура срабатывания зависит от модели термовыключателя (на Ali ). В авторском варианте - 60 градусов по шкале Цельсия.