Добавить в корзинуПозвонить
Найти в Дзене
Автогуру-Дзен

Актуатор переднего моста Toyota Hilux

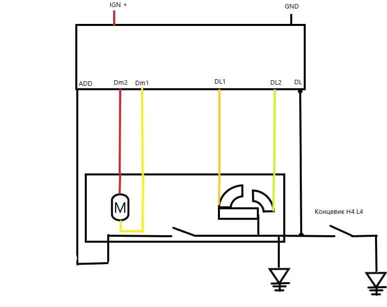
Речь пойдет про автомобиль Toyota Hilux 2013 года выпуска. На данном автомобиле проблема заключается в следующем. Не включается актуатор, который стоит на переднем мосту. Конструкция его довольно простая. Там стоит моторчик который сдвигает вилку и та в свою очередь сдвигает соединительную муфту дифференциала. Так же там стоит концевик и два потенциометра которые определяют в каком положении он

Речь пойдет про автомобиль Toyota Hilux 2013 года выпуска. На данном автомобиле проблема заключается в следующем. Не включается актуатор, который стоит на переднем мосту. Конструкция его очень простая. Там стоит моторчик который сдвигает вилку и та в свою очередь сдвигает соединительную муфту дифференциала. Так же там стоит концевик и два потенциометра которые определяют в каком положении он сейчас находится. Обычно у них болезнь с герметичностью актуатора туда попадает вода и моторчик выходит из строя. Первым делом снимаем актуатор и проверяем моторчик и концевик.

Подаю на моторчик питание и вижу, что он прекрасно работает и концевик в отличном состоянии. Собираю все обратно и проверяю сигналы с блока управления 4wd. На актуатор при переводе рычага в из положения H2->H4 или в L4 должен быть импульс на мотор с блока управления 4wd. Так как рычаг механический, то для того чтобы блок управления понял, что включился режим блокировки стоят два концевика. Проверив концевики и проводку до блока управления я не увидел никаких проблем.

У нас есть два условия, при которых должен включаться актуатор. Концевик должен быть нажат и потенциометр должен показывать, что на текущий момент актуатор находится в разблокированном состоянии. Как только данные условия соблюдаются на контакт DL приходит минус и блок распознает - это как включении блокировки. На приборной панели моргает индикатор включения и после он должен загореться зеленым. Но на данном автомобиле этого не происходит. Для начала я проверяю первое из условий. При включении режима H4 или L4 минус на блок управления приходит. Идем далее На контактах потенциометра при незаблокированном переднем редукторе на контакте DL2 напряжение бортовой сети, а на контакте DL1 напряжение должно быть меньше 1.5 вольта. В данном случае у нас тоже все отлично. Я понимаю, что скорее всего проблема в блоке управления полным приводом, потому что нет импульса на управление мотором. Но тут мне прилетает информация, что блок пробовали менять (до меня). После установки нового блока управления актуатор заработал, но после тестовой поездки опять проявилась неисправность. Подкинув еще один блок и убедившись, что актуатор снова работает блок быстро сняли и не стали проводить тестовую поездку.

Визуально вскрытие блока управления ничего не показала. Поэтому я пошел от обратного я стал думать по какой причине блок выходил из строя. Ведь приговорив блоку управления я попадаю к началу диагностики. Причина не заставила себя долго ждать. Осмотрев внимательно проводку я увидел причину которая выводила блоки из строя. Проводка лежала на поддоне и я сразу не заметил данный дефект. Как обычно завод изготовитель продумал расположение проводки и закрепил ее в нужных местах, но в ходе эксплуатации автомобиля данные крепления были сломаны и управляющий красный провод перетерся и лежал на корпусе масляного поддона двигателя.

После ремонта проводки и замены блока управления все заработало. Вот так вот бывает ты неисправность нашел, но причину выхода из строя нет и при покупке новой детали можно было бы попасть, но мне немного повезло, что кто-то уже менял его. Данные детали особенно в автомобилях Toyota очень редко выходят из строя и в следующий раз я буду так же выстраивать логическую цепочку для точного определения неисправности.

-2
-3
-4