Добавить в корзинуПозвонить
Найти в Дзене
Fresh

Заводиться и глохнет Рено Логан часть3

Часть 1
Часть 2
Продолжаем искать неисправности. что было сделано, Проверил клеммы аккумулятора, почистил подтянул, зарядил аккумулятор не помогло.
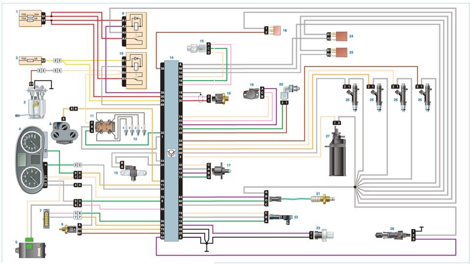
полезное фото из яндекс картинок

Часть 1

Часть 2

Продолжаем искать неисправности. что было сделано, Проверил клеммы аккумулятора, почистил подтянул, зарядил аккумулятор не помогло.

полезное фото из яндекс картинок
полезное фото из яндекс картинок

Скинул быстросъем с топливной рампы , подставил бутылку при включении зажигания бензонасос "выплевывал" по 5 грам бензина , за 10 или больше включений подкачки набрал 1\4 бутылки 0.5л. Не знаю норму мне кажется маловато. Вспомнил молодость , ковыряние с мотоциклами иж и урал, решил подлить бензин в цилиндр под дроссельную заслонку. И о чудо двигатель проработал подольше. Соорудил капельницу проткнув крышку , когда двигатель подтраивал подливал каплями на дроссель . Двигатель проработал минут 10 пока мне не надоело , хотя нет 2 раза заглох , когда много льешь глохнет. Отсюда сделал вывод что есть нехватка бензина, с искрой и зажиганием все в порядке. Можно нацепить карбюратор от жигулей и ездить. На днях приобрету фильтр топлива, поменяю, 3 года не менял. Не поможет куплю бензонасос, весь модуль или турбинку. И надеюсь на этом закончить свой рассказ по этому вопросу.

Продолжение Следует....

П.С.. Кликнув на рекламу в статье, Вы поможете мне с деньгами на запчасти, буду очень благодарен, но и без клика буду рад Если вы будете читать меня снова