Добавить в корзинуПозвонить
Найти в Дзене

Пластиковый мир победит?

Рециклинг - это процесс возвращения полезного мусора в жизненный круговорот.

Рециклинг — это вторая жизнь отходов. Рециклинг - это процесс возвращения полезного мусора в жизненный круговорот.

В начале года к нам поступил заказ, изготовить мощный магнитный сепаратор для одного из крупнейших производителей промышленной тары из пластика.

Сам завод перерабатывает пластиковые бутылки и соответственно сепараторы нужны им для того, чтобы металлический мусор, возможно находящийся в пластиковых отходах, случайным образом не попал в шнек, что в последствии приведет к поломкам и остановке всего производства.

Магнитный сепаратор (железоотделитель, магнитный улавливатель) -  устройство для сепарации (очистки или сортировки) сыпучих материалов и жидкостей от ферромагнитных примесей таких как окалина, металлическая стружка, проволока, болты, шурупы и др. 

Задача нам показалась весьма интересной и наш инженерно-технический отдел приступил к разработке. После получения ТЗ приступили к вычислениям и составлению чертежей.

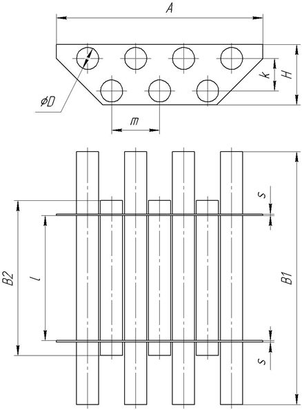
Нашими инженерами было принято решение создать магнитную решетку, так как именно она эффективно очищает сыпучие материалы и жидкости, просыпающиеся или проливающиеся сквозь нее.

чертеж магнитной решетки
чертеж магнитной решетки

Для улучшения КПД магнитные стержни решили устанавливать в два яруса, так как такая конструкция позволяет очищать сырье максимально качественно.

Магнитная система собрана таким образом: магниты NdFeB с никелевым покрытием толщиной от 8-12 мкм. чередуются с концентратами магнитного потока, что дает нам максимальную магнитную индукцию на рабочей поверхности магнитных стрежней (≥600мТл)

Заказчику отправили вот такую магнитную решетку
"РМП-2-400х490х117-7Д43".
"РМП-2-400х490х117-7Д43".

По итогу габаритные размеры магнитной решетки:

  • A 400
  • B1 490
  • B2 300
  • H 117

7 стержней, общая масса 35кг.

"РМП-2-400х490х117-7Д43".
"РМП-2-400х490х117-7Д43".

По итогу наша магнитная решетка позволила заказчику увеличить время бесперебойной работы, существенно сократив затраты на обслуживании оборудования и производить уже очищенный от металического мусора продукт.

Заказчик доволен. Пластик перерабатывается без перебоя. А это значит, что мир еще можно спасти. Мы все делаем правильно.

Группа компаний НПК «Магниты и Системы» и «Проф-Магнит»