Найти в Дзене
Записки крутилкина

Мигающие поочередно светодиоды

Можно спаять с ребенком

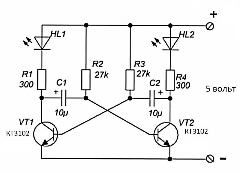
На выходных решил собрать схему, в которой один светодиод гаснет, когда включается второй. Работает от 5 В зарядки мобильного телефона.

схема
схема

Собирается она очень просто навесным монтажом. Понадобятся: 2 светодиода,  транзистора КТ3102, 2 резистора 300 Ом, 2 резистора 27 кОм и 2 электролитических конденсатора 10 мкФ.

собранная схема
собранная схема

Если увеличить емкость электролитических конденсаторов — уменьшится частота мигания светодиодов.

Спасибо за внимание!