Добавить в корзинуПозвонить
Найти в Дзене
Для Студента

Резьбовые соединения

Резьбовые соединения
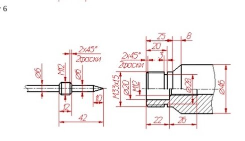
Начертить резьбовое соединение двух деталей по заданным размерам в М2:1, таким
образом, чтобы стержень был ввинчен в отверстие примерно на 10-15 мм длины резьбы.
Указать размер общей резьбы.
Резьбовые соединения
Резьбовые соединения

Начертить резьбовое соединение двух деталей по заданным размерам в М2:1, таким образом, чтобы стержень был ввинчен в отверстие примерно на 10-15 мм длины резьбы.

Указать размер общей резьбы.

чертеж выполняется в программах:

Софт: AutoCad (.dwg)

♦ Софт: Компас (.cdw)

♦ Софт: jpeg (с подробными размерами и линиями построения);

♦ Выполнение аналогичной работы на заказ, пишите нам на почту:

student-you@mail.ru ; или в VK: https://vk.com/studentyou

Чертежи на сайте: http://www.student-you.ru/boltovoe-soedinenies.php

Наш сайт с готовыми чертежами: www.student-you.ru
Наш канал с видео уроками: https://www.youtube.com/channel/UCBoWdiloEeqhOm4aLBFzzuQ