Добавить в корзинуПозвонить
Найти в Дзене
СхемоДелки

Дизайн печатной платы (PCB дизайн)

Дизайн платы. После того как схема разработана и отмакетирована, появляется следующая задача - сделать дизайн печатной платы.  Дизайн (разработка) платы должен учитывать особенности применения устройства, параметры корпуса если он есть, также разработчик должен учитывать назначение некоторых элементов схемы, например конденсаторы стоящие в линиях питания микросхем размещаются как можно ближе к

Дизайн платы. После того как схема разработана и отмакетирована, появляется следующая задача - сделать дизайн печатной платы.  Дизайн (разработка) платы должен учитывать особенности применения устройства, параметры корпуса если он есть, также разработчик должен учитывать назначение некоторых элементов схемы, например конденсаторы стоящие в линиях питания микросхем размещаются как можно ближе к самой микросхеме. Элементы подверженные нагреву, размещаются дальше от основной схемы или для них предусматриваются радиаторы охлаждения.

Ошибки. В моей схеме из первой статьи  ( https://zen.yandex.ru/media/id/603295ebc24ba205151669b3/elektronika-legko-6036b1fdebccc75161988633 ) я применил параметрический стабилизатор на 5 Вольт, который при питании схемы от 12 Вольт ощутимо нагревался, связано это с тем, что разница между 12 и 5 падает как раз на микросхеме стабилизатора (это принцип его работы), получается 7Вольт умноженные на 50 мили Ампер, которые потребляет схема, дают нам 0,350 Вт которые должен рассеивать стабилизатор, что он и делает нагревая свой корпус и  часть печатной платы устройства.

Доработка. Для решения вопроса с нагревом лучше всего применять эффективные ШИМ преобразователи напряжения, они есть как понижающие, так и повышающий входное напряжение. Под рукой был готовый модуль, который был когда-то куплен на всем известной площадке, да, на АЛи  продают не только стекла для смартфонов, но и радиокомпоненты, модули, конструкторы в большом ассортименте. Модуль  показал себя отлично, и я решил использовать его в своей конструкции, использовал типовую схему его применения из DataSheet.

Китайский ШИМ  DC-DC преобразователь
Китайский ШИМ DC-DC преобразователь

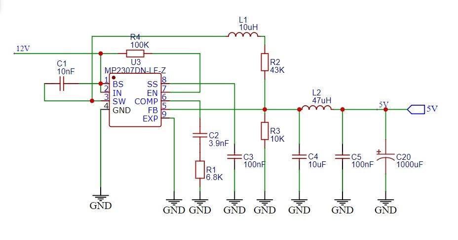
Немного доработал схемку модуля, добавив в него дополнительный фильтр пульсаций для большей надежности работы микроконтроллера. Итоговая схема питающей часты получилась такая.

Схема источника 5В для питания схемы
Схема источника 5В для питания схемы

Приступаем .  Теперь можно начать делать дизайн печатной платы (PCB). Так как схема небольшая, а самым габаритным элементом является экран LCD1602.

Популярный и недорогой экран LCD1602
Популярный и недорогой экран LCD1602

Буду пробовать вписать размер платы в размер экрана, тем более на экране есть крепежные отверстия, которые можно использовать для фиксации печатной платы к экрану или наоборот, кому как нравится. Малые габариты были одним из требований при разработке устройства.

Плата.  После того как посидел несколько часов над платой, попробовал несколько вариантов, нарисовалась вот такая печатная плата. Платка будет само собой двусторонняя, с переходными отверстиями, но компоненты должны быть размещены только с одной стороны, так удобнее всего. Все компоненты использовал для поверхностного монтажа.

Дизайн платы в редакторе печатных плат
Дизайн платы в редакторе печатных плат

Изготовление.  Первые образцы печатных плат делал методом ЛУТ, самый быстрый метод, получить результат (информации в интернете полно). После проверки работы устройства на плате ручного изготовления, можно заказать изготовление платы на заводе если конечно же требуется большое количество. Для завода требуется формат GERBER, который формируют многие редакторы печатных плат. Полученный набор файлов проверяю в просмотрщике , контролирую ошибки  с слоями платы, их очередностью и правильностью форм.

Плата в 3D просмотрщике, можно покрутить
Плата в 3D просмотрщике, можно покрутить

Производство. Когда все проверено и есть уверенность в отсутствии ошибок, можно заказать плату на заводе. Выбор достаточно большой, можно в России, можно в Китае. Российские заводы обычно хотят какую-то сумму за подготовку к производству, видел сумму от 3000 рублей, а далее по 100 рублей за одну плату и более в зависимости от размера платы. Срок изготовления 4 недели, плюс доставка еще неделя, никаких скидок. Китайцы изготавливают 3-5 дней, стоимость зависит от количества, чем больше заказываешь, тем дешевле стоимость одной платы, никаких оплат подготовки производства. В итоге заказывал в Китае, стоимость платы 100 рубелей и менее, доставка бесплатно. И да оказалось на Али можно заказать платы. Через 4 недели получил готовые платы.

Заводская печатная плата из Китая
Заводская печатная плата из Китая

Продолжение следует.