Добавить в корзинуПозвонить
Найти в Дзене
Сергей Гайдук

И САМОЕ ПРОСТОЕ, НО ОЧЕНЬ НАДЕЖНОЕ ПЕРЕГОВОРНОЕ УСТРОЙСТВО!!!

К сожалению об этом простом устройстве забыли, но ещё рано предавать его забвению!!!
Здравствуйте мои дорогие читатели!!!
Хочу Вам напомнить, что не всегда наличие оперативной связи, а именно сотовой, обеспечивает оперативность общения между людьми!
Очень давно, в 1987 году, в журнале «РАДИО» была опубликована статья «ПЕРЕГОВОРНОЕ УСТРОЙСТВО». Автор статьи Приймак Д. из города Павлодар.

К сожалению об этом простом устройстве забыли, но ещё рано предавать его забвению!!!

Здравствуйте мои дорогие читатели!!!

Хочу Вам напомнить, что не всегда наличие оперативной связи, а именно сотовой, обеспечивает оперативность общения между людьми!

Очень давно, в 1987 году, в журнале «РАДИО» была опубликована статья «ПЕРЕГОВОРНОЕ УСТРОЙСТВО». Автор статьи Приймак Д. из города Павлодар. Устройство очень простое и не содержит даже выключатель питания. В дежурном режиме ( на приёме ) потребляемы ток очень маленький и элемента типоразмер R 20 ( 373 ) хватает на длительное время. Ещё одной особенностью данного переговорного устройства является неприхотливость в линии связи, достаточно одного провода, а второй можно заменить штырями, забитыми в землю. Мне приходилось проверять связь на расстоянии до 300 метров, а расчетная дальность проверялась – последовательно с проводом связи включался резистор 5,1 кОм и на качестве связи это не сказывалось.

Рис 1. Принципиальная схема переговорного устройства. Автор Приймак Д. город Павлодар. Статья опубликована  в журнале «РАДИО» № 5, 1987 год, на цветной вкладке и на стр. 33.
Рис 1. Принципиальная схема переговорного устройства. Автор Приймак Д. город Павлодар. Статья опубликована в журнале «РАДИО» № 5, 1987 год, на цветной вкладке и на стр. 33.

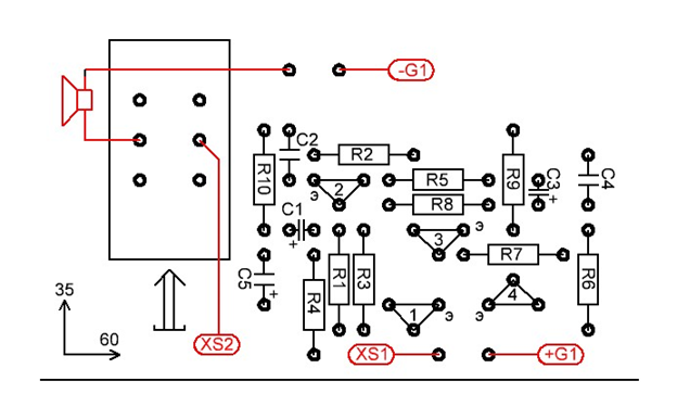
Разводка печатной платы и расположение радиоэлеменов по сравнению с авторской изменена.

Рис 2. Расположение радиоэлеменов на печатной плате.
Рис 2. Расположение радиоэлеменов на печатной плате.
Рис 3. Разводка печатной платы ( размер платы 35 х 60 мм ).
Рис 3. Разводка печатной платы ( размер платы 35 х 60 мм ).

Все конденсаторы на рабочее напряжение 6,3 Вольта. Конденсатор С6 припаивается к плате там где он не будет мешать монтажу…

Немного о работе схемы.

В исходном состоянии оба блока готовы к работе, для этого резисторами R 1 и R 4 база транзистора VT 1 подключена к плюсу питания и транзистор закрыт. Транзисторы VT 2, VT 3 и VT 4 тоже закрыты. При нажатии SB 1 к точке соединения резисторов R1 и R4 подключается динамическая головка прямого излучения ( динамик ) ВА1. И транзисторы VT2, VT3 и VT4 получают смещение и переходят в рабочий режим. Одновременно с этим вторая контактная группа подключает линию связи через резистор R10 к минусу питания и тем самым подаёт напряжение питания для включения схемы в ответном блоке. Одновременно с этим звуковой сигнал ( динамик работает в качестве микрофона ) через конденсатор С1 подаётся на эмиттер транзистора VT2, включенного с общей базой, база этого транзистора по переменному напряжению закорочена конденсатором С3 и резистором R5. Меняя сопротивление резистора можно изменять коэффициент усиления усилителя, чем меньше величина резистора, тем выше коэффициент усиления. Далее сигнал усиливается транзисторами VT3 и VT4 и с коллектора VT4 поступает в линию связи. А в приемном блоке постоянное напряжение, поступившее с линии связи на базу транзистора VT1 также переводит транзисторы VT2, VT3 и VT4 в рабочий режим. Звуковой сигнал с линии связи так же поступает на эмиттер VT2 и усиливается транзисторами VT2, VT3 и VT4, только теперь вместо линии связи к коллектору VT4 подключен динамик, воспроизводящий голос корреспондента. При ответе корреспондент нажимает кнопку и схема работает аналогичным образом.

Надеюсь данные переговорные устройства помогут Вам организовать связь между корреспондентами если один из них находится в зоне недоступности сотовой связи, например, с подвалом или цокольным этажом ( у меня в цокольном этаже мобильная связь не работает, а до вышки всего 250 метров! ).

Спасибо за прочтение! И надеюсь, что материал Вам понравился!

Пишите, жду Ваших комментариев!

Желаю Вам крепкого здоровья и успехов в творчестве!!!