Найти в Дзене
Alexander Odinets

Акустические светодиодные драйверы с низковольтным питанием.

Аннотация. В статье рассматриваются два акустических автомата, зажигающие линейку из 8 или 4 светодиодов по принципу нарастания яркости на время от 5 до 15 секунд. В качестве источника питания используется один гальванический элемент типоразмера LR 14 или LR 20 с начальным напряжением 1,5В.
Общие сведения. Первый вариант автомата, предлагаемый вниманию читателей, является, по сути, синтезом

Аннотация. В статье рассматриваются два акустических автомата, зажигающие линейку из 8 или 4 светодиодов по принципу нарастания яркости на время от 5 до 15 секунд. В качестве источника питания используется один гальванический элемент типоразмера LR 14 или LR 20 с начальным напряжением 1,5В.

Общие сведения. Первый вариант автомата, предлагаемый вниманию читателей, является, по сути, синтезом схемотехнических решений двух конструкций акустических светодиодных драйверов, рассмотренных в [1]. Основой конструкции является драйвер (конвертор) повышающего ( boost - up ) типа с низковольтным питанием. Как отмечено в технической документации [2], повышающий драйвер MAX 756/ MAX 757 сохраняет работоспособность при снижении напряжения источника питания до 0,7 В при токе нагрузки не более 8 мА. При снижении питающего напряжения наблюдается зависимость максимального тока нагрузки от минимального напряжения запуска драйвера. Таким образом, при токе нагрузки всего 40 мА, минимальное напряжение источника питания для надёжного запуска драйвера должно быть не менее 1,2 В. Ещё больше снизить минимальное напряжение запуска стало возможным благодаря введению в устройства цифровых автоматов, зажигающих линейку светодиодов по принципу нарастания яркости от нуля до максимума. При этом стартовый ток нагрузки в момент запуска драйвера составляет всего десятки микроампер и определяется в основном токами утечки ИМС КМОП структуры. При использовании питающего элемента типа LR 20, его энергоресурса достаточно для непрерывной работы автоматов в течение более шести месяцев. Работоспособность устройств сохраняется при снижении питающего напряжения до 1,1 В, которое при зажигании всей светодиодной линейки может уменьшаться до 0,9В.

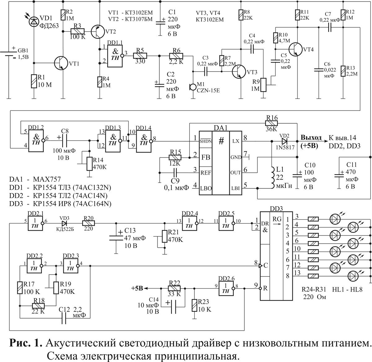
Схема электрическая принципиальная. Схема электрическая первого варианта устройства показана на рис. 1 . Автомат обеспечивает зажигание линейки из 8 светодиодов по принципу нарастания яркости (накопления «огня») при поступлении звуковой команды. По прошествии времени выдержки от 5 до 15 секунд происходит выключение светодиодной линейки по принципу убывания яркости (накопления «тени»). Повторное зажигание светодиодов возможно только после завершения выдержки и подачи новой голосовой команды.

Устройство содержит :

· фотодиодный усилитель на транзисторах VT 1, VT 2;

· микрофонный усилитель на транзисторах VT 3, VT 4;

· одновибратор на логических элементах DD 1.2… DD 1.4;

· повышающий драйвер DA 1 ;

· таймер задержки на элементах C 13, R 21, DD 2.4;

· генератор прямоугольных импульсов на элементах DD 2.2, DD 2.3;

· схему сброса в исходное состояние на элементах С14, R 23, DD 2.6;

· регистр сдвига DD3;

· линейку светодиодов HL 1… HL8 .

Фотодиод VD 1 введён в схему устройства для повышения его экономичности и увеличения ресурса службы элемента питания, чтобы исключить зажигание светодиодов в светлое время суток, когда в подсветке нет необходимости.

В тёмное время суток или при затемнении фотодиода VD 1, транзисторы VT 1 и VT 2 закрыты, поэтому на входе элемента DD 1.1 поддерживается уровень лог.«0», а на его выходе — лог.«1». Микрофон M 1 оказывается подключенным через резисторы R 5 и R 6 практически к напряжению источника питания. Конденсатор C 2 необходим для уменьшения переходного процесса в микрофонном усилителе при переключении логического элемента DD 1.1.

Звуковая команда (хлопок, разговор, звуки шагов) вызывает появление на выходе микрофона переменного напряжения амплитудой несколько милливольт, которое, усиливаясь до уровня амплитудой 400…500 мВ, приводит к запуску одновибратора. Благодаря триггерным свойствам элемента DD 1.2 оказалась возможной подача на его вход медленно меняющегося напряжения с выхода микрофонного усилителя.

В результате, на выходе элемента DD 1.4 формируется уровень лог.«1» на время, определяемое положением движка подстроечного резистора R 14. При этом повышающий преобразователь активируется и начинает вырабатывать стабильное выходное напряжение 5В, которое подаётся на цифровой автомат, собранный на ИМС DD 2 и DD 3. Цифровой автомат обеспечивает последовательное зажигание светодиодов по принципу нарастания яркости. По прошествии времени выдержки линейка гаснет по принципу уменьшения яркости и только после этого становится возможным повторный запуск одновибратора и активация драйвера.

При появлении выходного напряжения драйвера (5В) через резистор R 23 начинает заряжаться конденсатор C 14. При этом на выходе логического элемента DD 2.6 формируется короткий отрицательный импульс, который сбрасывает в исходное нулевое состояние все триггеры регистра DD 3 и одновременно, инвертируясь элементом DD 2.1 через диод VD 3 и резистор R 20 заряжает конденсатор C 13. Напряжение уровня лог.«1», дважды инвертируясь элементами DD 2.4 и DD 2.5, поступает на информационные входы регистра « DR », «&» (выводы 1 и 2) и записывается во внутренние триггеры регистра DD 3 с каждым положительным перепадом импульсов на его входе «С» (вывод 8). Генератор прямоугольных импульсов на элементах DD 2.2, DD 2.3 работает непрерывно при наличии питающего напряжения 5В.

После завершения обнуляющего импульса на выходе элемента DD 2.6, конденсатор С13 медленно разряжается через резистор R 21. Пока напряжение на входе элемента DD 2.4 не достигнет порогового значения, по входам « DR », «&» (выводы 1 и 2) регистра DD 3 будет продолжаться загрузка логических единиц. Светодиодная линейка последовательно включится и будет оставаться во включенном состоянии.

Когда конденсатор C 13 разрядится до порогового значения напряжения элемента DD 2.4, элементы DD 2.4 и DD 2.5 переключатся в противоположное состояние и уровень лог.«0» начнёт записываться во внутренние триггеры регистра DD 3 с каждым положительным перепадом импульсов на его входе «С» (вывод 8). Светодиодная линейка последовательно погаснет и будет оставаться в выключенном состоянии до следующего перезапуска одновибратора и повышающего драйвера. Обязательным условием правильной работы устройства является небольшое превышение времени выдержки одновибратора по сравнению с постоянной времени цепи С13- R 21. Если это условие не будет выполняться, то все светодиоды линейки будут выключаться одномоментно по окончании времени выдержки одновибратора и выключения повышающего драйвера. Рисунок печатной платы первого варианта устройства показан на рис. 2 .

-2

Схема электрическая принципиальная второго варианта устройства показана на рис. 3 . В отличии от первого варианта, микрофонный усилитель питается выходным током элемента DD 1.1, что позволило повысить экономичность автомата, а также в схему одновибратора добавлен германиевый диод для уменьшения времени возврата в исходное состояние. Других отличий в верхней части схемы нет, поэтому подробно рассматривать её не будем. Остановимся более подробно на цифровом автомате, собранном на ИМС DD 2… DD 5.

-3

В отличие от первого варианта устройства, здесь нарастание яркости происходит по принципу нарастающего «столба», когда очередной светодиод зажигается, погасает, затем зажигается вновь с одновременным зажиганием следующего светодиода. Затем погасает второй светодиод, вновь зажигается с одновременным зажиганием третьего светодиода и так далее до полного зажигания всей линейки из четырёх светодиодов. После этого линейка выключается, и цикл последовательного включения светодиодов повторяется.

Работает цифровой автомат (рис. 3 ) следующим образом. При активации драйвера голосовой командой и появлении питающего напряжения 5В, срабатывает интегрирующая цепочка R 16 C 11, формирующая короткий отрицательный импульс, который, инвертируясь логическим элементом DD 2.4, обнуляет счётчик DD 3 и устанавливает триггеры в составе DD 4 в исходное единичное состояние. При этом все светодиоды выключены.

После завершения обнуляющего импульса, на выходе «0» (вывод 3) счётчика DD 3 появляется уровень лог.«1», который обнуляет первый триггер в составе ИМС DD 4. Теперь на входы элемента DD 5.1 приходят два уровня лог.«0», которые вызывают появление на его выходе уровня лог.«1» и зажигание светодиода HL 1.

Первый же отрицательный перепад счётного импульса вызовет увеличение состояния счётчика DD 3 на единицу и появление уровня лог.«1» уже на втором его выходе «1» (вывод 2). Теперь этот уровень лог.«1», поступая на нижний по схеме вход элемента DD 5.1, приводит к выключению светодиода HL 1. Следующий счётный импульс увеличивает состояние счётчика DD 3 ещё на единицу и «смещает» логическую единицу с выхода «1» (вывод 2) на выход «2» (вывод 4). Теперь в нулевое состояние сбрасывается второй триггер ИМС DD 4 и зажигаются уже два светодиода HL 1 и HL 2.

Далее, согласно логике работы цифрового автомата, выключается HL 2, затем зажигаются HL 2 и HL 3, при этом HL 1 остаётся включенным. Затем выключается HL 3, потом включаются HL 3 и HL 4, при этом HL 2 остаётся включенным. После зажигания всей линейки, светодиоды остаются включёнными до момента формирования обнуляющего импульса на выходе «9» (вывод 11) счётчика DD 3. Далее цикл зажигания полностью повторяется. Так происходит до момента завершения выдержки одновибратора и деактивации повышающего драйвера. Теперь автомат готов к приёму новой звуковой команды. Рисунок печатной платы показан на рис. 4 .

-4

Конструкция и детали. Автоматы собраны на печатных платах из одностороннего (первый вариант, рис. 2 ) и двустороннего (второй вариант, рис. 4 ) фольгированного стеклотекстолита толщиной 1,5 мм размерами 50 x 110 мм (первый вариант) и размерами 50 x 120 мм (второй вариант). В устройствах применены постоянные резисторы типа МЛТ-0,125, подстроечные — типа СП3-38б в горизонтальном исполнении. Конденсаторы неполярные типа К10-17 и оксидные типа К50-35 или импортные. Микрофон использован типа CZN -15 E (применяется в телефонии), фотодиод — ФД263. Транзисторы VT 1, VT 3 и VT 4 (рис. 1, рис. 3 ) должны быть обязательно из серии КТ3102 с индексами «ГМ», «ЕМ» или импортные BC 547 C , BC 549 C ; VT 2— КТ3107 с любым индексом или BC 557, диод VD 3 (на рис. 1 ) — кремниевый маломощный из серий КД521, КД522; диод VD 3 (на рис. 3 ) — обязательно германиевый типа Д2, Д9 или аналогичный; диод VD 2 в схеме повышающего драйвера 1 N 5817 — обязательно Шоттки средней мощности. Все цифровые ИМС серии К561 ( CD 4000 AN ) заменимы на К1561 ( CD 4000 BN ), а ИМС 74 AC 132 N также заменима на 74 LV 132 N или 74 LVC 132 N . Два последние варианта даже более предпочтительны, так как данные ИМС оптимизированы для работы при пониженном питающем напряжении. ИМС КР1554ИР8 в первом варианте устройства (рис. 1 ) можно заменить на 74 AC 164 N , а ИМС КР1554ЛЕ1 во втором варианте устройства (рис. 3 ) можно заменить на 74 AC 02 N . Замена для MAX 757 — на MAX 756, и, наоборот, с учётом коррекции схемы включения. Дроссель L 1 выполнен на ферритовом кольце типоразмера К10х4х5 из µ-пермаллоя с проницаемостью порядка 50. Он содержит 10 витков провода ПЭВ-1,0, уложенных виток к витку. Такие дроссели широко используются во всевозможных импульсных блоках питания и на материнских платах компьютеров.

Настройка автоматов заключается в установке времени выдержки одновибратора резистором R 14 (рис. 1 ) и R 13 (рис. 3 ), постоянной времени задержки свечения светодиодной линейки — R 21 (рис. 1 ), а также чувствительности микрофонного усилителя — R 9 (рис. 1 ) и скорости заполнения светодиодной линейки — R 19 (рис. 1 ) и R 15 (рис. 3 ), подстройкой частоты задающего генератора. Точную подстройку коэффициента усиления микрофонного усилителя в первом варианте устройства можно производить с помощью подстроечного резистора R 9, а грубую — с помощью резисторов R 7 и R 10 (рис. 1 ) и R 7 и R 9 (рис. 3 ) в сторону увеличения их сопротивлений. Коэффициент усиления при этом возрастёт.

(Просьба к редакции: опубликовать e - mail ). Отзывы и вопросы по работе устройства читатели могут направлять на адрес электронной почты автора E - mail : A _ Odinets @ tut . by

Литература. 1. Одинец А.Л. Акустические светодиодные драйверы. // «Радиоаматор». — 2015 г. — №3 — С.17-19.

2. http://datasheets.maximintegrated.com/en/ds/MAX756-MAX757.pdf Maxim Integrated Corporation.