Найти в Дзене
ЭлектроХоббит

Усилитель на TDA7375

Усилитель на TDA7375.
Очень даже неплохой можно собрать усилитель для различных нужд из это микросхемы. Существенный плюс этого усилителя. что потребуется минимум деталей.
Фото микросхемы.
TDA7375

Усилитель на TDA7375.

Очень даже неплохой можно собрать усилитель для различных нужд из это микросхемы. Существенный плюс этого усилителя, что потребуется минимум деталей.

Фото микросхемы.

TDA7375
TDA7375

Основные характеристики микросхемы :

1. Широкий дапазон напряжения питания от 8 до 18В, номинальное 14,4В.

2. Хорошая выходная мощность для нагрузки 4 Ом и номинальном напряжении питания 14,4 В, в мостовом варианте составляет 25Вт.

3. КНИ Не более 0,02% для выходной мощности 4Вт.

4. Входное сопротивление 20 - 30кОм, для мостового подключения 10 - 15кОм.

5. Режим работы микросхемы АВ.

Микросхема четырехканальная. так же отлично работает в двухканальном режиме, используя мостовое подключение.

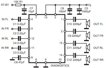
Первый вариант подключения.

Четырехканальный режим
Четырехканальный режим

В данном подключении микросхема выдает 4 х 10Вт. Для реализации режима MUTE или ST-BY нужно вывод R1 ST-BY подключить через тумблер к выводу Vs. Без этого подключения микросхема не заработает.

Так же следует отметить, что напряжения применяемых электролитических конденсаторов должны быть выше напряжения питания. Идеально применить например 2200мкф х 25В.

Второй вариант подключения.

Двухканальный режим
Двухканальный режим

Тут применяется мостовое подключение микросхемы. Выходная мощность составляет 2 х25Вт.

Ну и третий вариант подключения.

-4

Три канала выходной мощности 2 х10Вт и 1 х 25 Вт для постройки усилителя 2.1.

Т.к у меня в наличии две TDA7375, я развел плату для двухканального режима работы усилителя.

Печатная плата
Печатная плата

Плата получилась вполне компактной 50х35 мм.

Продолжение следует. Всем удачи.