Добавить в корзинуПозвонить
Найти в Дзене
Крошка Цахес

Кварцевый резонатор на 5 кГц.

Нечасто встречающийся кварцевый резонатор на частоту звукового диапазона
Кварцевые резонаторы самых различных конструкций мне приходится применять довольно часто. Работать мне приводилось с резонаторами на частоты от 450 кГц до 45 МГц. Самый низкочастотный кварц, с которым я ранее сталкивался, это так называемый «часовой» кварц на частоту 32768 Гц.

Информацию о резонаторах с более низкой частотой, в том числе на частоты звукового диапазона, я встречал на сайте http://www.155la3.ru/quartz_glass1.htm , но в живую ранее с ними не сталкивался. Однажды мне подарили кучку старых радиодеталей, среди которых был кварцевый резонатор на частоту 5 кГц .

Тогда я немного покрутил его в руках, полюбовался на внутреннюю конструкцию и убрал в ящик, с намерением когда-нибудь заняться им поближе. Недавно наткнувшись на него, я решил попробовать применить его по прямому назначению – собрать кварцевый генератор.

Корпус этого резонатора стеклянный, диаметром 18 мм и длиной 80 мм. Штырьки как у радиоламп пальчиковой серии, год выпуска 1981.

Сам кристалл изготовлен в форме прямоугольного бруска, сечением 3X 3 мм и длиной 56мм, и имеет три отвода – два с одной стороны кристалла и один с другой. В документации с вышеупомянутого сайта указывается, что это пьезоэлектрические кварцевые резонаторы трехполюсного вида, но допускают включение в двухполюсном режиме, то есть используя два вывода из трех.

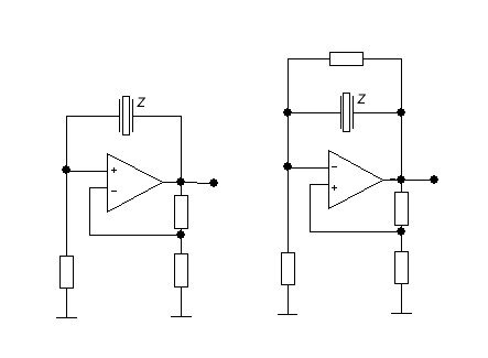
Часто кварцевые генераторы собирают на логических микросхемах ТТЛ или КМОП. Но у меня были сомнения, будет ли работать генератор на логике с таким резонатором, поэтому я решил собрать схему на операционном усилителе. Кварц можно включить в цепь положительной или отрицательной обратной связи. В зависимости от этого он будет работать на частоте последовательного или параллельного резонанса.

Варианты схем включения
Варианты схем включения

У меня уже был готовый усилитель на К548ун1, собранный по схеме из журнала «Радио» №5-6, 1981г. Это неинвертирующий усилитель с коэффициентом усиления ≈ 40.

-3

Я просто подключил кварц в цепь обратной связи с выхода усилителя на вход. Генератор заработал сразу, на выходе получил сигнал прямоугольной формы с частотой 5 кГц. В ходе экспериментов я пробовал подключать кварц в различных комбинациях выводов, замыкал свободный вывод на общий провод - на работу генератора это никак не влияло.

-4

Форма сигнала на выходе генератора
Форма сигнала на выходе генератора

Частота колебаний
Частота колебаний

Интересная особенность такого кварца – при работе в генераторе он издает звук с частотой генерируемых колебаний. Писк довольно хорошо слышен на расстоянии в пару метров. После нескольких минут этот начинает немного напрягать. Кроме этого обнаружилось, что после выключения питания звук пропадает не сразу, а продолжается в течение некоторого времени. Если выдернуть кварц из панели во время работы генератора, он еще в течение 20-25 секунд будет пищать лежа на столе. Это показывает, что кварцевые резонаторы обладают большой добротностью как колебательная система.

Вот такая интересная радиодеталь обнаружилась у меня в закромах. Интересно было бы узнать, в каком приборе использовалось такое нестандартное устройство, наверняка что-то узкоспециальное. Применять её в каких – либо серьезных конструкциях я вряд ли буду. Этому препятствуют, во-первых размер, а во-вторых назойливый писк, который издает резонатор в процессе работы - необходимо предусмотреть звукоизоляцию задающего генератора. :) Так что участь этого кварца лежать дальше в моей коллекции.

Благодарю всех, кто потратил свое время на чтение этой статьи. Надеюсь оно не стало для вас бесцельно потраченным.