Добавить в корзинуПозвонить
Найти в Дзене

Как сделать самодельный инвертор своими руками.

В статье вы узнаете как сделать самодельный инвертор, подробно разберем принцип работы данного инвертора, как собрать и протестировать инвертор.
Принцип работы инвертора
Инвертор можно рассматривать как грубую форму ИБП (источник бесперебойного питания). Очевидно, что основное использование инвертора предназначено только для питания обычных электроприборов, таких как фонари и вентиляторы , при
Оглавление

В статье вы узнаете как сделать самодельный инвертор, подробно разберем принцип работы данного инвертора, как собрать и протестировать инвертор.

Принцип работы инвертора

Инвертор можно рассматривать как грубую форму ИБП (источник бесперебойного питания). Очевидно, что основное использование инвертора предназначено только для питания обычных электроприборов, таких как фонари и вентиляторы , при сбое питания.

Как следует из названия, основная функция инвертора — инвертировать входное постоянное напряжение (12 В постоянного тока) в гораздо большую величину переменного напряжения (обычно 110 В или 220 В переменного тока).

Прежде чем научиться создавать инвертор, давайте сначала разберемся со следующими основными элементами инвертора и его принципом работы:

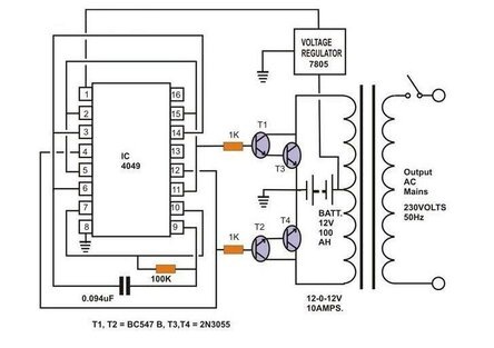
Осциллятор : генератор преобразует входной постоянный ток от свинцово-кислотной батареи в колебательный ток или прямоугольную волну, которая подается на вторичную обмотку силового трансформатора. В этой схеме IC 4049 была использована для секции генератора.

Трансформатор : здесь прикладываемое колебательное напряжение повышается в соответствии с соотношением обмоток трансформатора и переменного тока, значительно превышающего входной источник постоянного тока, который становится доступным на первичной обмотке или на выходе инвертора.

Зарядное устройство: во время резервного питания, когда батарея разряжается до значительного уровня, секция зарядного устройства используется для зарядки батареи после восстановления сети переменного тока.

Как построить инвертор

Чтобы четко понять, как построить инвертор, давайте рассмотрим следующие простые детали конструкции:

  • Согласно схеме цепи сначала завершите сборку секции генератора, состоящей из меньших частей и IC. Лучше всего это сделать путем соединения самих компонентов и пайки соединений.
  • Затем установите силовые транзисторы в алюминиевые радиаторы с соответствующим отверстием. Они изготавливаются путем разрезания алюминиевого листа на заданные размеры и сгибания их по краям, чтобы его можно было зажать.
-2
  • Не устанавливайте транзисторы непосредственно на радиаторы. Используйте комплект для изоляции слюды, чтобы избежать прямого контакта и короткого замыкания транзисторов между собой и землей.
  • Прикрепите радиатор в сборе к основанию хорошо проветриваемого, прочного, толстого металлического корпуса.
  • Также закрепите силовой трансформатор рядом с радиаторами, используя гайки и болты.
  • Теперь подключите соответствующие точки собранной монтажной платы к силовым транзисторам на радиаторах.
  • Наконец подключите выходы силового транзистора к вторичной обмотке силового трансформатора.
  • Завершите конструкцию, установив и подключив внешние электрические приборы, такие как предохранители, розетки, выключатели, сетевой шнур и входы аккумулятора .
  • Дополнительная отдельная цепь электропитания, использующая 12 В / 3 А трансформатор может быть добавлена внутрь при необходимости зарядки батареи (см. схему).

Описание цепи

Чтобы лучше понять, как построить инвертор, важно узнать, как работает схема, выполнив следующие шаги:

  • Затворы N1 и N2 IC 4049 сконфигурированы как генератор . Он выполняет основную функцию подачи прямоугольных импульсов в секцию инвертора.
  • Затворы N3 — N6 используются в качестве буферов , поэтому схема не зависит от нагрузки.
  • Переменное напряжение от буферной ступени подается на базу усилителей тока транзисторов Т1 и Т2 . Эти транзисторы проводят в соответствии с приложенным переменным напряжением и усиливают его до базы выходных транзисторов Т3 и Т4 .
  • Эти выходные силовые транзисторы колеблются в полном разгаре, обеспечивая подачу полного напряжения батареи в каждую половину вторичной обмотки попеременно.
  • Это вторичное напряжение индуцируется в первичной обмотке трансформатора и усиливается до 230 В (переменный ток). Это напряжение используется для питания выходной нагрузки.

Процедура тестирования

Вы также можете понять, как построить инвертор, сконцентрировавшись на следующей процедуре тестирования, приведенной в пошаговом порядке ниже:

  • Начните процедуру тестирования, подключив лампу мощностью 100 Вт к выходному разъему инвертора.
  • Вставьте предохранитель на 15 А / 12 В в держатель предохранителя.
  • Наконец, подключите автомобильный аккумулятор 12 В к входам аккумулятора инвертора.
  • Если все соединения выполнены правильно, лампочка 100 Вт должна немедленно загореться.
  • Держите инвертор включенным в течение часа и дайте батарее разрядиться через лампочку.
  • Затем переведите данный тумблер в режим зарядки, проверьте показания счетчика.
  • Измеритель должен указывать зарядный ток батареи.
  • Через некоторое время показания счетчика должны постепенно снижаться до нуля, подтверждая, что батарея полностью заряжена и готова к следующему циклу.