Во всем мире растет интерес к винтажной радиоаппаратуре, воспроизводятся схемы детекторных приемников 100-летней давности, с современными элементами, например, диодами Шоттки вместо галеновых кристалов.
Энтузиастов можно понять: схемы с ИМС можно клепать на работе, дома лучше вы уже не сделаете.
В одной из наших статей мы упомянули, что А.С. Попов изобрел и запатентовал в 1900 году устройство, которое с современных позиций можно назвать 2 встречно-параллельно включенными полупроводниковыми диодами на основе оксида железа, самого настоящего полупроводника.
Нужда в подобном устройстве появилась для приема речи, передаваемой искровым передатчиком российского изобретателя С.Я. Лифшица. Передатчик Лифшица был искровым (других в те годы не существовало), а передаваемая речь наговаривалась в угольный микрофон, включаемый в первичную обмотку катушки Румкорфа вместо телеграфного ключа. По понятным причинам, нужды в молоточковом прерывателе для прерывания отдаваемого батареей тока не было, поскольку прерывистым был уже пропущенный через микрофон постоянный ток.
Самуил Яковлевич Лифшиц родился в 1881 году, год смерти неизвестен. От радиотехники он отошел в 1905 году, после смерти А.С. Попова и с появлением передатчиков незатухающих волн. В дальнейшем свои таланты и знания он успешно использовал в области фото- и кинематографии, являлся специалистом в области архитектурной акустики, в 1931 году издал учебник по дисциплине.
Схема передатчика Лифшица ниже. Опыты по передаче речи проводились под Орлом летом 1902 года, при длине волны от 40 см до 150 м, расстояние между передающей и приемной станциями составляло 2 версты. Лифшиц упоминает, что в приемнике использовался декогерер А.С. Попова, с контактом "игла-уголь", или "стальной бисер-уголь" (именно это и патентовалось Поповым в 2 годами ранее).
О попытке передачи речи искровым передатчиком в 1900 году канадским и американским изобретателем Реджинальдом Фессенденом мы писали в другой статье, речь передавалась на 1 милю, а качество передачи было очень плохим. Угольный микрофон был попросту включен в разрыв антенного провода, путем изменения сопротивления микрофона при произнесении речи модулировался ток в антенне.
Но уже в рождественскую ночь 1906 года Фессенден передал в эфир настоящий музыкальный концерт, используя в качестве источника ВЧ-колебаний альтенатор - машинный генератор переменного тока.
Трудно пройти мимо искушения попробовать повторить опыты Лифшица и Фессендена в наше время, добавив к их скромному инструментарию современные устройства, но не меняя главного - принципа передачи звука искровым передатчиком, с попыткой модулировать звуковым сигналом НЧ беспорядочный поток радиоволн, излучаемый катушкой Румкорфа.
Памятуя плохие результаты передачи речи в прошлом, возникла мысль передать музыку, притом музыку не исполняемую на музыкальном инструменте с широким динамическим диапазоном, а на электронном инструменте (синтезаторе), где громкость звука не зависит от силы нажатия на клавишу (не путать синтезатор с цифровым пианино!).
Предполагается, что неизменность силы звука, а тем самым и величины напряжения управления искрой, упорядочит искроообразование и умерит шумы (сплошной треск).
Также, одно и то же музыкальное произведение может быть исполнено на разных инструментах, а каждому инструменту свойственен свой тембр, позволяющий выделить его из звучания оркестра. Просмотрен ряд графиков изменения звука во времени для ряда инструментов с целью поиска инструмента с наиболее чистым, приближенным к синусоидальному звуком, не обремененным гармониками (обертонами). Выбор был сделан в пользу рояля.
Из рисунка выше следует, что преобразованный в напряжение звук рояля пересекает за период колебания линию нулевого напряжения 2 раза, как и положено при синусоидальной форме, в то время как звук скрипки обеспечит несколько таких пересечений, что вызовет разрывы в потоке искр и неблагоприятно скажется на передаваемом звуке.
Очевидно, в том и была причина неудач Лифшица и Фессендена - они начинали опыты с передачи живой речи, богатой обертонами, а следовало бы с передачи чистых тональных звуков.
Использовавшийся нами синтезатор CASIO позволяет выбирать тембр исполнения из банка со 100 инструментами, от пианино до маримбофона. Нами выбран тон по умолчанию - пианино.
Также, детектирование ВЧ-колебаний, порожденных серией искровых разрядов, дает звук очень широкого частотного диапазона, в котором с целью оптимального приема желательно ограничить диапазон частот передаваемых звуков.
Выбрав для передачи исполняемую на синтезаторе Песенку крокодила Гены, мы можем отфильтровать полосовым фильтром, после детектирования, все частоты вне диапазона проигрываемых нот песни. Ноты песни ниже.
Тональность до минор; крокодил играет в тональности знаменитой Симфонии № 5 Бетховена. Согласно толкованию 1806 года, данная тональность - "декларация любви и одновременно горечь ее потери, все томится и тоскует, душа больна любовью".
При одноголосном исполнении песенки самая низкая нота - До 1-й октавы, частота 261,63 Гц, самая высокая - Ре-бемоль 2-й октавы, частота 554,36 Гц. Средняя частота диапазона √(261*554)=381 Гц, на эту частоту должен быть настроен полосовой фильтр.
Прием предполагалось осуществлять на детекторный приемник с нагрузкой на головные телефоны Тон-2М с сопротивлением одного капсюля постоянному току 1600 Ом, заявленное полное электрическое сопротивление на частоте 1000 Гц не менее 6000 Ом.
Измерена индуктивность пары капсюлей, она оказалась равной 2 Гн, и возникла мысль использовать в качестве индуктивности полосового фильтра собственную индуктивность телефонов. По расчету при индуктивности 2 Гн емкость контура без потерь, настроенного на частоту 381 Гц, должна составлять 0,09 мкФ.
По факту, после подбора емкости и снятия частотной характеристики импеданса контура, требуемая емкость оказалась равной 0,071 мкФ, а полоса пропускаемых частот (спад 3 дБ на краях полосы) 240-600 Гц. Чуть шире требуемых 261-554 Гц, разница несущественна, сказались потери в намотке и сердечниках.
Схема детекторного приемника самая простая, с 1-полупериодным выпрямлением на диоде Д311. Входной контур L1C1 настраивается подстроечным конденсатором КПК-3 10-100 пФ, после чего следуют обычные для детекторного приемника диод Д1 и конденсатор С2.
Но вот с целью фильтрации сигнала НЧ между собственно детекторным приемником и нагрузкой (колебательным контуром HP, С3) включен резистор R1 для развязки, что ухудшает чувствительность, но улучшает фильтрацию.
Фото наскоро собранного для эксперимента приемника ниже.
Сигнал с линейного выхода синтезатора поступает на усилитель МастерКит NM2037. Усилитель на микросхеме TDA2030A при напряжении питания 12-22 В и активной нагрузке 4-8 Ом способен развивать мощность до 18 Вт. Мы питали УНЧ от источника напряжением 12 В (ЛАТР, трансформатор 220/30 В), мост с когденсаторами 8.000 мкФ).
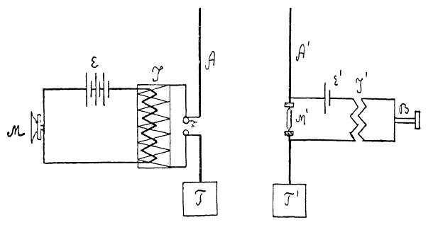
Схема макета передатчика ниже, самая обыкновенная, лишь прерыватель катушки Румкорфа постоянно замкнут, а на первичную обмотку катушки подается напряжение НЧ для модуляции искры.
В нашем случае нагрузка достаточно неопределенная - первичная обмотка катушки Румкорфа, на что УНЧ не рассчитан, т.ч. прежде следует оценить величину и характер нагрузки.
Сопротивление первичной обмотки постоянному току равно 0,6 Ом, а переменному на наиболее нас интересующей частоте 381 Гц 11,4 Ом; момент искрообразования во вторичной обмотке моделирован закорачиванием вторичной обмотки, импеданс первичной при этом падает до 1,4 Ом (индуктивная связь через сердечник).
УНЧ рассчитан на подключаемую через конденсатор 2200 мкФ активную нагрузку 4 Ом, с преобладанием индуктивной на высоких частотах, вплоть до 10-15 Ом (типичный громкоговоритель или простая АС), оттого меняющуюся нагрузку от 1,4 до 11,4 Ома выдержать способен, т.б., что напряжение питания 12 В вместо допускаемых 22 В. Чтобы избежать закорачивания токов самоиндукции (первый закон коммутации; вспоминаем, для чего обмотки реле шунтируют диодами) через усилитель, на выход УНЧ параллельно первичной обмотке катушки Румкорфа подключено активное сопротивление 10 Ом.
Искровой зазор регулируется винтом; опыт показал, что чистота звука повышается при уменьшении искрового зазора, оттого он устанавливается в долю миллиметра.
Ни передатчик, ни детектор не заземляются, но в качестве противовеса к каждому из устройств подключается проброшенный по полу кусок провода в 3-5 м. Частота колебательного контура порядка 7,5 МГц, ни о какой настроенной антенне речь при длине волны 40 м идти не может, в качестве антенны использована метровая выдвижная антенна от транзисторного приемника.
Никоим образом не ставилась задача повышения мощности макета передатчика или увеличения длительности линии связи - передающее и приемное устройства располагались в соседних комнатах. Что же касается мощности искры, то катушка Румкорфа - стандартное оснащение школьных и вузовских кабинетов физики, где посредством аккумуляторов 12 В извлекаются искры длиной 10 см, против наших 0,5 мм.
Цель ставилась одна - посредством ухищрений типа передачи тональной одноголосной музыки, а не речи, при отсутствии динамического диапазона, убедиться в возможности удовлетворительной передачи российскими и зарубежными энтузиастами радиотехники в начале 20-го века посредством искровых передатчиков не только телеграфных сигналов, но и звуковых.
Схема макета передатчика со всем обслуживающим инструментом ниже.
Сигнал с выхода детекторного приемника подавался не только на головные телефоны (служащие одновременно индуктивностью полосового фильтра) , но и на линейный вход компьютера, с целью записи в формате WMA принимаемых сигналов.
Ниже образцы принятого и записанного сигнала. Исполняемая на синтезаторе Песенка крокодила Гены, формат WMA.
https://yadi.sk/d/dvWdTyKslzP4WA
То-же самое, формат MP3.
https://yadi.sk/d/CEDjDaRxd2GyEg
Также, для целей сравнения, мелодия из банка мелодий синтезатора Jingle Bells, совершенно вытеснившая мелодию 30-х годов "В лесу родилась елочка"; здесь уже исполнение не одноголосное, звучат аккорды. Хотя, имхо, вышло не хуже, хотя-бы оттого, что непрерывное исполнение и аккорды заглушают треск. Также в 2 форматах.
https://yadi.sk/d/jgZJ5452KVcEvw
https://yadi.sk/d/_XNZHxHKIC9llw
И, наконец, для целей сравнения, запись тонального сигнала со звукового генератора, чистый синус, от частоты 380 Гц вниз и вверх в пределах всего диапазона 260-565 Гц.
https://yadi.sk/d/Ve863fUi4kJoLQ
https://yadi.sk/d/cHJqKLCDROvLLw
Сравнить качество всех 3 фрагментов предоставляется читателям. Трудно представить, каково было бы вещание, если бы не появилась возможность генерации незатухающих колебаний, сначала машинами переменного тока, затем генераторными лампами.
