Найти в Дзене
Старый Регенератор

Усилитель мощности НЧ на транзисторах. ч. 1. Схема.

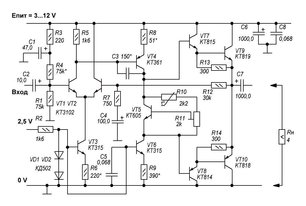
В заметке рассматривается схема усилителя мощности низкой частоты

В заметке рассматривается схема усилителя мощности низкой частоты (рис. 1). Самая обычная и распространенная схема.

Рис. 1. Схема усилителя
Рис. 1. Схема усилителя

Однако, есть множество гораздо более простых схем, зачем же использовать целых 10 транзисторов, пару диодов, не считая прочих элементов, если можно собрать усилитель всего на 3-х транзисторах? Для пояснения этого "зачем" рассмотрим отдельные узлы схемы, учитывая, что предполагается работа в широком диапазоне напряжения питания, а также то, что переносная аппаратура работает и при колебаниях температуры окружающей среды.

Прежде всего, следует отметить, что один узел усилителя (стабилизатор напряжения 2,5 В) на схеме не показан, так как его работа была уже рассмотрена.

Сначала вспомним, что при проверке работы предварительного усилителя выяснилось, что ток эмиттера (а значит— и ток коллектора) очень мало зависит от напряжения на коллекторе. Поэтому, если запитывать базу стабильным напряжением, то ток коллектора транзистора будет практически постоянным и зависеть от сопротивления в цепи эмиттера, которое создает местную отрицательную обратную связь по постоянному току.

Это свойство транзистора используется в стабилизаторах тока, которых в схеме усилителя два: VT3 и VT6.

Напряжение на базы транзисторов подается через параметрический стабилизатор R2 VD1 VD2. Причина использования дополнительного стабилизатора, а не делителя на резисторах, как в предварительном УНЧ, следующая.

Рис. 2. Генератор стабильного тока.
Рис. 2. Генератор стабильного тока.

При наличии нагрузки в цепи коллектора (см. рис. 2) ток базы транзистора крайне мал (определяется h21э), поэтому падение напряжения на резисторе R1 (рис. 2) определяется в основном величиной резистора R2.

Но как только мы уберем нагрузку из коллекторной цепи (рис. 3), или ее сопротивление будет очень велико, то произойдет следующее. Ток эмиттера равен сумме токов базы и коллектора:

Iэ = Iб + Iк

Если Iк равен 0 (нагрузка отсутствует), то Iэ = Iб, и эмиттерный переход транзистора начинает работать как обычный диод. Ток базы при этом может достигать миллиампера, что создает уже существенное дополнение к току, протекающему через R1 (рис. 3.).

Рис. 3.
Рис. 3.

Если бы мы питали от делителя один стабилизатор тока, то этим явлением можно было пренебречь. Но у нас их два, и таким образом изменение тока базы одного немедленно скажется на режиме работы другого. Чтобы несколько скомпенсировать такие колебания (которые вполне возможны) и применен дополнительный стабилизатор на VD1 и VD2, хотя это и ведет к увеличению (примерно на пол-миллиампера) потребляемого тока.

Дифференциальный каскад VT1VT2 самый обычный, да и все остальное также ничего особенного не представляет. Применение дифференциального каскада (также, как и стабилизаторов тока) позволяет поддерживать работоспособность усилителя в широком диапазоне питающих напряжений (предполагается 3... 15 вольт).

Цепочка R3C1 фильтрует напряжение на базе VT1. В принципе, при питании от батарей ее можно исключить, но если предполагается работа от сети, да еще от нестабилизированного выпрямителя с большими пульсациями, без этой цепочки получим хороший фон на выходе, т.к. пульсации без проблем будут проходить на базу VT1 и усиливаться, как полезный сигнал.

Коэффициент усиления определяется отношением резисторов отрицательной обратной связи R12/R7 и в данном случае равен 40.

Конденсатор C3 устраняет самовозбуждение усилителя. Вообще говоря его желательно подобрать, чтобы не только исключить самовозбуждение, но и не "зарезать" полосу усилителя в области верхних частот.

Осталось пояснить каскад на транзисторе VT5, отвечающий за регулировку тока покоя оконечного каскада усилителя. Зачем применять такую сложную схему, когда есть более простые решения (рис. 4).

Рис. 4. Варианты установки тока покоя выходного каскада.
Рис. 4. Варианты установки тока покоя выходного каскада.

Учитывая, что в данном усилителе ток коллектора VT6 (КТ315) стабилизирован, можно бы обойтись и простым резистором (рис. 4-a) или диодом с последовательно включенным резистором (рис. 4-b).

Однако дело в том, что при работе усилителя, даже на средней громкости, транзисторы выходного каскада VT9 VT10 (рис. 1) начинают нагреваться. А это ведет к тому, что при стабильном напряжении на базе ток покоя этих транзисторов увеличивается. Ведь местной отрицательной обратной связи (за счет резистора в цепи эмиттера) у них нет.

Такой же эффект будет и при повышении температуры окружающей среды (например, приемник лежит на солнце).

Диоды на рис. 4-b и 4-c несколько сглаживают ситуацию, но во-первых, их трудновато крепить на радиаторе выходных транзисторов, а кроме того в схеме рис. 4-c трудно подобрать диоды так, чтобы выставить минимальный ток покоя мощного каскада при отсутствии искажений "ступенька".

Транзистор средней мощности легко (и главное — с хорошим термоконтактом) монтируется на радиаторе выходных транзисторов, а наличие потенциометра позволяет точно отрегулировать ток покоя. Терморезистор R10 (рис. 1) осуществляет дополнительную коррекцию тока покоя при изменении температуры окружающей среды.

Такая схема очень широко распространена, в частности, в приемнике "Урал-авто-2" последних выпусков именно такой вариант и использован (без терморезистора).

У этой схемы, в том виде, как она приведена, есть один серьезный недостаток — включение переменного резистора R11 (рис. 1).

Дело в том, что переменный резистор — один из наименее надежных элементов в радиотехнике. Благодаря наличию подвижного контакта, перемещающегося по графитовой или проволочной поверхности, всегда есть вероятность, что этот контакт будет потерян полностью (или изменятся его характеристики) при изменении влажности, сотрясении и т. п., и база транзистора окажется "висящей" в воздухе.

А это немедленно приведет к изменению тока покоя (причем именно в направлении его увеличения) и может привести как минимум к перегреву выходного каскада, а то и к выходу его транзисторов из строя.

Использование хороших потенциометров не всегда возможно, в т. ч. и по экономическим причинам. Поэтому в следующей части статьи, посвященной настройке усилителя, попробую другой вариант включения переменного резистора.