Найти в Дзене
HamRadio

Регулятор на симисторе с фазовым управлением

Всем здравствуйте. Силовые регуляторы на симисторах можно выполнить разными способами. В схеме управления может быть использована специализированная микросхема или можно собрать на дискретных компонентах. Только вопрос в том, использовать ли более дорогую специализированную микросхему или несколько компонентов по сходной цене. В приведенной схеме реализовано фазовое регулирование симистором на

Всем здравствуйте. Силовые регуляторы на симисторах можно выполнить разными способами. В схеме управления может быть использована специализированная микросхема или можно собрать на дискретных компонентах. Только вопрос в том, использовать ли более дорогую специализированную микросхему или несколько компонентов по сходной цене. В приведенной схеме реализовано фазовое регулирование симистором на дискретных компонентах. Цепи управления гальванически развязаны от сети. Принципиальная схема регулятор на симисторе с фазовым управлением представлена на рисунке.

Схема регулятор на симисторе с фазовым управлением
Схема регулятор на симисторе с фазовым управлением

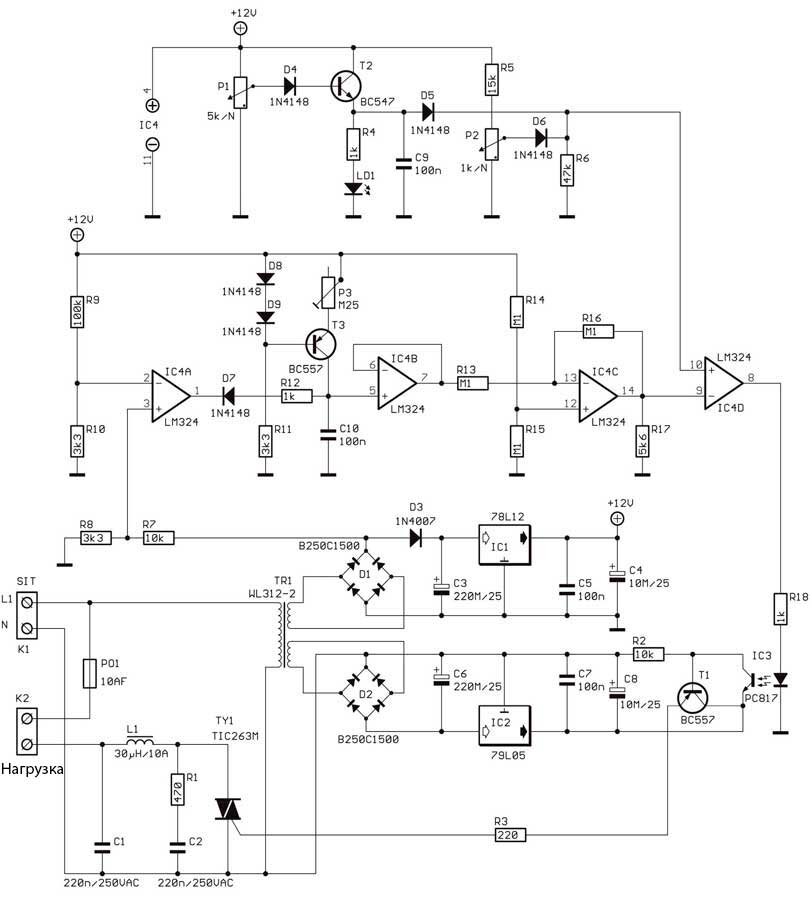
Схема состоит из силовой части, двух отдельных источников питания на трансформаторе TR1, цепи настройки и управления на транзисторе T2, индикатора перехода через ноль на IC4A, генератора пилообразного напряжения собранном на транзисторе T3 и компаратора IC4D. Напряжение сети и нагрузка подключаются к разъемам K1 и K2. Индуктивность L1 с конденсаторами C1, C2 и резистором R1 образует фильтр подавления помех. Цепь защищена предохранителем РО1.

В источнике питания используется трансформатор с двойной вторичной обмоткой. Хотя две вторичные обмотки гальванически изолированы друг от друга, обычные трансформаторы для печатных плат разработаны и испытаны на сопротивление пробоя только между первичной и вторичной обмотками. Поскольку половина вторичного напряжения подключается к силовой части (и, следовательно, к сетевому напряжению) через транзистор T1 и резистор R3, необходимо использовать специальный трансформатор, в котором даже между вторичными обмотками гарантируется достаточная изоляция для напряжения пробоя.

Диодный мост D2 выпрямляет питающее напряжение для сетевой части блока питания. Регулятор IC2 стабилизирует напряжение -5 В. Если оптопара IC3 закрыта, падение напряжения на резисторе R2 увеличивается, транзистор T1 открывается, и управляющий вывод симистора TY1 получает отрицательный импульс через резистор R3 симистор закрывается. Вторая вторичная обмотка трансформатора TR1 питает стабилизатор IC1 через выпрямительный мост D1 и диод D3. Выходное напряжение +12В обеспечивает управляющую часть схемы.

С диодного моста D1 короткие отрицательные импульсы поступают на компаратор IC4A, которые возникают, когда переменное напряжение проходит через ноль. Выход компаратора постоянно находится на высоком логическом уровне (т.е. около +10В). Это связано с относительно низким напряжением от делителя R9 / R10 на инвертирующем входе IC4A (0,4В) и примерно 1/4 выпрямленного напряжения на мосту D1, приложенного к неинвертирующему входу IC4A. Только на короткое время, когда выпрямленное напряжение переменного тока меньше 1,6В, выход компаратора переключается на низкий уровень (около +1 В).

Транзистор Т3 включен как источник постоянного тока. Это заряжает конденсатор С10. Таким образом, напряжение на конденсаторе C10 линейно возрастает до тех пор, пока на выходе компаратора IC4A не появится отрицательный импульс (в момент, когда напряжение переменного тока перейдет через ноль). Это через резистор R12 и диод D7 разряжает конденсатор C10 до напряжения около +1,7В (напряжение на выходе IC4A на низком логическом уровне и падение напряжения на диоде D7). После окончания нулевого импульса конденсатор C10 снова начинает заряжаться. IC4B включен как повторитель с большим входным сопротивлением и отделяет генератор пилообразного напряжения от других цепей.

Поскольку напряжение на IC10 линейно увеличивается во время зарядки, операционный усилитель IC4C создает инвертор с коэффициентом усиления -1, который переворачивает сигнал на 180 градусов. Однако, поскольку используется только положительное напряжение питания,

резисторы R14 и R15 создают искусственную точку напряжения питания, вокруг которой инвертируется сигнал. Таким образом, на выходе IC4C (вывод 14) мы получаем пилообразное напряжение с линейно убывающим уровнем.

Управляем симистором регулятора постоянным напряжением от потенциометра P1. Напряжение с потенциометра P1 подается через диод D4 на базу транзистора T2, включенного как эмиттерный повторитель. Последовательно с сопротивлением в эмиттере находится светодиод LD1, который указывает на наличие управляющего напряжение (хотя из-за нелинейного хода зависимости интенсивности от протекающего тока он имеет только функцию ориентации). Потенциометр P2 используется для установки предварительного.

Результирующее управляющее напряжение подается на компаратор IC4D. Здесь напряжение постоянного тока от схемы управления сравнивается с напряжением от генератора пилообразного сигнала. Поскольку напряжение от генератора линейно уменьшается от максимума до минимума в течение одного полупериода, в момент, когда управляющее напряжение постоянного тока выше, чем уменьшающееся напряжение генератора, выход компаратора IC4D переключается, и, таким образом, симистор переключается через оптопару IC3. Чем выше управляющее напряжение, тем больше время переключения симистора в течение одного полупериода и тем выше мощность, отдаваемая в нагрузку. Таким образом, описанная схема позволяет управлять фазой симисторного переключателя практически в диапазоне от 0 до 180 градусов.

Симисторный регулятор выполнен на двухсторонней печатной плате размером 135х66 мм. Расположение компонентов на печатной плате показано на рисунке, а также разводка слоев.

Расположение компонентов на печатной плате
Расположение компонентов на печатной плате

Разводка печатной платы вид сверху
Разводка печатной платы вид сверху

Печатная плата вид снизу
Печатная плата вид снизу

Подключив напряжение питания и проверяем напряжение на выходах регуляторов IC1 (+12В) и IC2 (-5В). Затем используя подстроечный резистор P3, чтобы настроить генератор напряжения формы синусоиды пилы (желательно на выходе инвертора IC4C) так, чтобы результирующая форма имела максимальный размах, но еще не ограничивалась. Для нормальной настройки требуется осциллограф. Теперь мы проверим формы сигналов на выходе IC4D при изменении управляющего напряжения.

Чередование выходного сигнала (коммутационные импульсы) должно непрерывно изменяться от постоянного ноля (нулевое питание — отключение) до максимального значения (управляющее напряжение выше пика напряжения пилы) - выход контроллера на максимум. Если все в порядке, можно подключить нагрузку (например, лампочку) и протестировать регулятор на практике. На этом настройка регулятор на симисторе с фазовым управлением завершено.

Описанный регулятор может использоваться для управления питанием преимущественно резистивные нагрузки (обогрев, освещение и т. д.). Поскольку управляющее напряжение на входе компаратора IC4D составляет примерно от 0 до 10В, мы можем использовать описанный блок, например, для уменьшения яркости освещения. Ну вот на этом все.

-5