Найти в Дзене

Схема опознования пламени (ионизации пламени)газовых котлов BAXi eco III и main

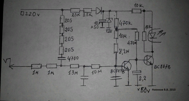
Типовыми неисправностями схемы обнаружения пламени(схемы ионизации)чаще всего являются: пробой стабилитрона 12 вольт, пробой опритона, пробой или утечка управляющих транзисторов, обрыв или потеря номинала гасящих резисторов.
Принцип работы схемы ионизации: Учитывая, что ноль сети заземлен и корпус газового котла непосредственно\либо косвенно тоже, ионизация происходит между корпусом аппарата и

Типовыми неисправностями схемы обнаружения пламени(схемы ионизации)чаще всего являются: пробой стабилитрона 12 вольт, пробой оптрона, пробой или утечка управляющих транзисторов, обрыв или потеря номинала гасящих резисторов.

Принцип работы схемы ионизации: Учитывая, что ноль сети заземлен и корпус газового котла непосредственно\либо косвенно тоже, ионизация происходит между корпусом аппарата и электродом(ионизации либо розжига), на который воздействует напряжение фазы питающей сети(через гасящие резисторы), и при появлении пламени через зазор между электродом и горелкой происходит утечка отрицательных ионов, вызывая однонаправленный ток, который в свою очередь разряжает положительно заряженный конденсатор в базе первого (открытого положительным потенциалом на базе)транзистора, и он в результате закрывается, открыв путь положительному потенциалу на базу второго транзистора, открыв его и уже током коллектора он включает светодиод оптрона, а он, в свою очередь указывает микропроцессору о наличии пламени. При пропадании пламени к базо-эмиттерному переходу первого транзистора поступает переменный ток с фазы, через высокоомные гасящие резисторы, и выпрямившись этим переходом заряжает конденсатор в базе положительным потенциалом, открывая транзистор, который своим током коллектора блокирует поступление положительного потенциала к базе второго транзистора, он закрывается и отключает светодиод оптопары, и она информирует процессор о пропадании пламени. Исходя из вышесказанного можно сделать вывод, что неправильная полярность подключения питающей вилки сети приведет к отсутствию тока ионизации по причине того, что и на корпусе котла и на электроде (судя по схеме )окажутся равные потенциалы ноля сети.. В некоторых других газовых котлах (viessmann. vailant, protherm(классических версий), bosch, junkers,navien и многих других) измерение ионизации происходит не непосредственно фазы сети, а после разделяющего трансформатора, поэтому полярность подключения вилки сети на них не имеет значения.

В газовых котлах ECO и MAINFOUR ионизация происходит по схожему принципу с небольшой разницей в схеме, а вот ECO 5 изменили схему, и в обнаружении пламени участвует еще и измеритель температуры в дымоходе, но это уже другая история и о ней поговорим позже.. Пишите комментарии!

Прошу подписываться на канал!!! Будет еще много полезного и интересного!