Найти в Дзене

ВЧ 7 МГц 300/500 Вт класса Е!

В статье David Rutledge (KN8EK) в журнале QST №5 1997 г описан простой усилитель мощности на частоту 7 МГц с использованием всего одного полевого транзистора стоимостью 350 руб. Она заинтересовала меня своей простотой, поэтому предлагаю вам ее сжатую версию.
Усилитель работает в классе Е, что позволяет получить эффективность порядка 90%. Для сравнения, эффективность усилителя класса А - порядка

В статье David Rutledge (KN8EK) в журнале QST №5 1997 г описан простой усилитель мощности на частоту 7 МГц с использованием всего одного полевого транзистора стоимостью 350 руб. Она заинтересовала меня своей простотой, поэтому предлагаю вам ее сжатую версию.

Усилитель работает в классе Е, что позволяет получить эффективность порядка 90%. Для сравнения, эффективность усилителя класса А - порядка 30%, класса В - порядка 50%, класса D - порядка 75%.

Предлагаемые усилители обладают в режиме CW пиковой мощностью 300 и 500 Вт. Оба усилителя имеют общую схему (рисунок 1) и печатную плату, но используют компоненты с разными номиналами.

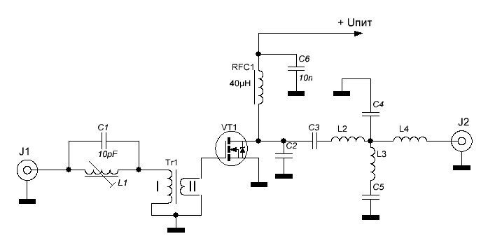
Рис. 1. Схема усилителя.
Рис. 1. Схема усилителя.

В базовую схему класса E добавлено несколько компонентов для согласования и фильтрации. Импеданс полевого МОП-транзистора довольно низок и в основном емкостный, с реактивным сопротивлением около 412 Ом. Также имеется резистивная составляющая около 2 Ом, обусловленная паразитным последовательным сопротивлением в самом затворе, и сопротивление стока, которое емкостно связано с ворота. Tr1 уменьшает импеданс 50 Ом схемы возбуждения примерно до 2 Ом, чтобы соответствовать низкому сопротивлению затвора, и устанавливает смещение постоянного тока равным 0 В. LI регулируется для устранения емкости затвора; входной КСВ обычно составляет 1,5: 1. Cl шунтирует LI на высоких частотах, чтобы уменьшить звон в диапазоне УКВ. Смещение затвора 0 В гарантирует, что транзистор выключен, когда он не задействован, потому что оно намного ниже порогового напряжения, которое составляет около 4 В. В этих усилителях никогда не наблюдается самовозбуждения . C3 и L2 образуют резонансный контур, которая создает волны нарастающего и падающего напряжения, необходимые для усилителя класса E.

Номиналы элементов приведены в таблице.

Рис. 2. Таблица номиналов элементов.
Рис. 2. Таблица номиналов элементов.

Используемые транзисторы недороги и по ценам Чипа и Дипа не превышают 350 руб.

Входная мощность для раскачки транзистора составляет 20-25 Вт.

Вот такой усилитель.

Всем здоровья и успехов!