Добавить в корзинуПозвонить
Найти в Дзене
NEPTUN RTB

Компания РУСТЕХНОБИЗНЕС выпустила новую партию промышленных магистральных фильтров NEPTUN FM-B06.

Фильтры FM-B06 одни из наиболее востребованных, используются в бытовых и промышленных целях для непрерывной подачи отфильтрованной воды потребителю. Препятствуют проникновению в систему водоснабжения нерастворимых механических загрязнений: песка, мусора, частиц ржавчины, окалины, мелких песчинок, ила, микроорганизмов и бактерий. Также может быть использован для фильтрации масла, спирта, жидкостей

Фильтры FM-B06 одни из наиболее востребованных, используются в бытовых и промышленных целях для непрерывной подачи отфильтрованной воды потребителю. Препятствуют проникновению в систему водоснабжения нерастворимых механических загрязнений: песка, мусора, частиц ржавчины, окалины, мелких песчинок, ила, микроорганизмов и бактерий. Также может быть использован для фильтрации масла, спирта, жидкостей на основе воды, пищевых напитков, охлаждающих жидкостей, теплоносителей, бензина. Его особенность в том, что он имеет компактные габаритные размеры, это позволяет производить установку в ограниченном пространстве. Источником воды может служить городской водопровод, скважина, поверхностные источники (колодец, озеро, река), оборотная вода.

Конструкция.

-2

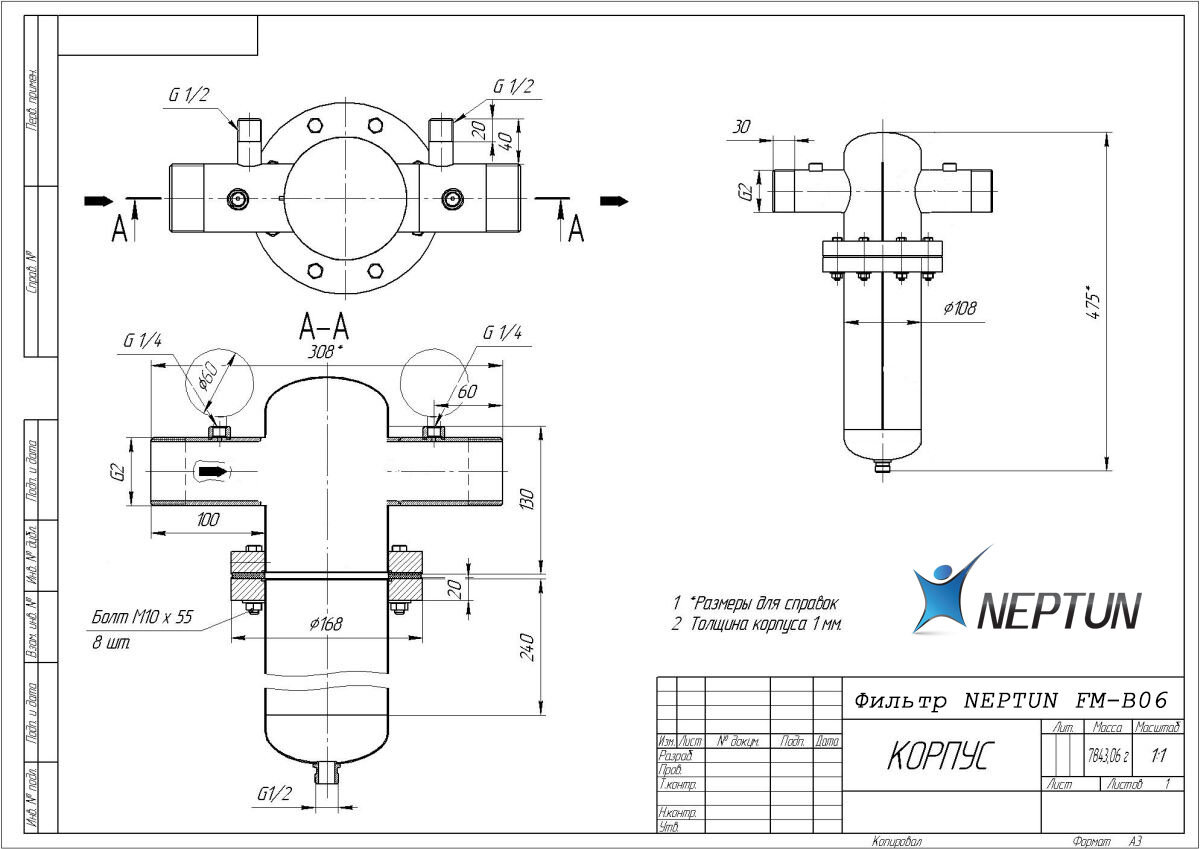
Корпус и колба фильтра, выполненные из нержавеющей стали AISI 304. Каждая деталь проходит строгий технологический контроль на производстве. Струнный фильтр состоит из корпуса с быстросъемной колбой для сбора загрязнений, струнного фильтрующего элемента тонкой механической очистки, дренажного крана для сброса скоплений в канализацию, манометра для контроля давления на выходе фильтра. Каркас фильтрующего элемента выполнен по специальной технологии, обеспечивающей повышенную пропускную способность (на 30% выше аналогов), прочность и долговечность конструкции. Конструкция фильтрующего элемента имеет расчетный запас прочности с учетом возможных гидравлических ударов в системе. Шаровой дренажный кран служит для прямой или обратной промывки фильтра (зависит от схемы монтажа). Присоединение к трубопроводу — сантехническая внешняя 2″ резьба, по запросу может комплектоваться приварными или резьбовыми фланцами по ГОСТ, ответными фланцами, муфтами.

Комплектация:

· Фильтр в сборе — 1 шт

· Шаровой кран — 1 шт

· Манометр — 2 шт

· Паспорт

· Сертификат

· Гарантийный талон

Принцип действия.

Струнный фильтрующий элемент.
Струнный фильтрующий элемент.

Фильтр механической очистки NEPTUN FM-B06 2″ имеет два режима работы: фильтрации и промывки. В режиме фильтрации вода под давлением проходит через фильтрующий элемент внутрь и выходит уже очищенной. Все механические загрязнения остаются снаружи фильтрующего элемента и скапливаются внизу колбы. По мере накопления загрязнений происходит снижение пропускной способности фильтра. Для восстановления производительности требуется регулярная промывка. Режим промывки фильтра включается/выключается открытием дренажного крана внизу колбы. Периодичность между промывками определяется составом исходной воды, количеством механических загрязнений и может составлять от 10 минут до 7 суток. Во время промывки водный поток удаляет весь скопившийся мусор как с поверхности фильтрующего элемента, так и со дна колбы. Управление работой дренажного крана может осуществляться вручную или автоматически.

Материалы.

Фильтрующий струнный элемент тонкой очистки изготовлен из высоколегированной нержавеющей коррозионностойкой стали. Корпус и колба фильтра выполнены из нержавеющей стали 08Х18Н10 или 12X18H10 (AISI 304, AISI 316, AISI 321), обладающими превосходными прочностными и антикоррозионными свойствами. Уплотнения выполнены из NBR. Высокое качество материалов, его толщина позволяют обеспечить срок службы фильтра более 15 лет.

Монтаж и сервис.

-4

Фильтр устанавливается на металлические трубы на вводе системы водоснабжения в вертикальном положении. Дренажный кран соединяется с системой канализации. Монтаж фильтра производится с помощью стандартного сантехнического инструмента. Для технического обслуживания фильтра необходимо предусмотреть пространство, достаточное для снятия колбы вниз 30-50 см. При регулярной промывке фильтра потребность в техническом обслуживании минимальная. Техническое обслуживание фильтра производится без демонтажа.

ВНИМАНИЕ: для эффективной и надежной работы фильтра рекомендуется установить автоматический шаровый кран RTB-3.

Специально разработанный для струнных фильтров шаровый кран обеспечит долгий срок службы фильтра без дополнительных внеплановых ремонтов.

Механическая очистка – первая и, по современным стандартам, обязательная ступень очистки воды на любом объекте водопотребления. Современные механические струнные фильтры NEPTUN – это эффективное и доступное решение, которое обеспечивает высокое качество очистки воды и позволяет продлить срок службы трубопроводов, запорной арматуры, промышленного оборудования, сантехники и бытовых приборов.

Фильтры обеспечивают высокую степень очистки от всех механических примесей до 95% эффективности. Стандартная степень очистки данной модели составляет 10-15 мкм при производительности до 20 м3/час.

При этом фильтры не требуют замены картриджей благодаря реализованной системе прямоточной промывки фильтрующего элемента без останова потока жидкости.

-5

Как купить.

Вы можете сделать заказ по телефону (495) 665-22-60 или по электронной почте sale@neptunfilter.ru, а также оформить заказ на нашем сайте https://neptunfilter.ru/ .