Добавить в корзинуПозвонить
Найти в Дзене
Марат Ханбиков + Siemens

Новые датчики пламени Siemens QRB4..

Датчики пламени серии QRB4.. для контроля пламени жидкотопливных горелок были выпущены на замену широко распространенным и известным датчикам пламени QRB1... , которые в настоящее время сняты с производства.
Датчики пламени QRB4... предназначены для контроля горящего желтым пламенем жидкого топлива в сочетании с автоматами горения типа LME7 (по запросу), LME8 (по запросу), LMO , LMV2 и LMV3

Датчики пламени серии QRB4.. для контроля пламени жидкотопливных горелок были выпущены на замену широко распространенным и известным датчикам пламени QRB1... , которые в настоящее время сняты с производства.
Датчики пламени QRB4... предназначены для контроля горящего желтым пламенем жидкого топлива в сочетании с автоматами горения типа
LME7 (по запросу), LME8 (по запросу), LMO , LMV2 и LMV3 .
Они подходят для фронтального и бокового освещения (90°).
Максимальная спектральная чувствительность
QRB4.. составляет приблизительно 540 нм, учитывая тем самым максимальный уровень видимого светового излучения горящего желтым пламенем жидкого топлива.
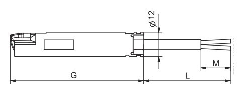
Конструктивно датчики пламени новой серии практически не претерпели значительных изменений относительно предыдущей модели. В новой модификации большинство моделей имеют рабочую длину 68 мм, есть 2 модели с длиной 115 мм и также 2 модели с длиной 147 мм

QRB4x-Bxxx без фитингов (G=68 мм)
QRB4x-Bxxx без фитингов (G=68 мм)
QRB4x-BxxxB с пластиковой вставкой (G=68 мм)
QRB4x-BxxxB с пластиковой вставкой (G=68 мм)
QRB4x-Cxxx без фитингов (G=115 мм)
QRB4x-Cxxx без фитингов (G=115 мм)
QRB4x-CxxxB с пластиковой вставкой (G=115 мм)
QRB4x-CxxxB с пластиковой вставкой (G=115 мм)
QRB4x-Dxxx без фитингов (G=147 мм)
QRB4x-Dxxx без фитингов (G=147 мм)
QRB4x-DxxxB с пластиковой вставкой (G=147 мм)
QRB4x-DxxxB с пластиковой вставкой (G=147 мм)

Ассортиментный перечень датчиков QRB4.. с различной длиной присоединительного кабеля (L), относительно предыдущей модификации, был значительно сокращен. У QRB4.. доступны следующие длины присоединительного кабеля (L): 25, 36, 50, 70, 110 и 150 мм.
Присоединительные фитинги для монтажа на горелку аналогичны
датчикам пламени QRB1... - зажим, фланцы и вставка. Единственное отличие заключапется в том, что у QRB4x-xxxxB вставка выполнена из пластика, а не из резины и снабжена винтовой резьбой.
С точки зрения чувствительности дачтчика, в ассортименте датчиков
QRB4.. присутствуют 2 модификации:

  • с нормальной чувствительностью QRB4A-xxx
QRB4A-xxx
QRB4A-xxx
  • с высокой чувствительностью QRB4B-xxx
QRB4B-xxx
QRB4B-xxx

C полным перечнем модификаций и описанием иможно ознакомиться здесь