Найти в Дзене

"Замороченный" стабилизатор

Снова нашёл "прекрасТное" :) В статье автора дзен-канала "Старый регенератор". Под названием "Простой стабилизатор".

Снова нашёл "прекрасТное" :) В статье автора дзен-канала "Старый регенератор". Под названием "Простой стабилизатор".

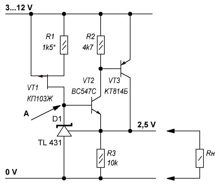
Для начала приведу его схему:

Схема "Старого регенератора"
Схема "Старого регенератора"

Заодно и процитирую немного его статью:

"Это самая обычная схема стабилизатора, отличающаяся от привычной наличием стабилизатора тока для опорного источника, собранного на полевом транзисторе КП103Ж. Применение генератора тока обусловлено тем, что при изменении входного напряжения в широком диапазоне, ток потребляемый стабилизатором остается примерно постоянным, что при использовании резистора обеспечить невозможно."

Начнём с того, что TL431 - это ни разу не стабилитрон! И питать её стабильным током совершенно бессмысленно. Более того, если ток будет менее некоторой величины (в datasheet указан от 260 до 900 мкА), то она вообще не будет работать. Посмотрим на её функциональную схему:

Функциональная схема TL431
Функциональная схема TL431

У неё внутри микротоковый ИОН (Источник Образцового Напряжения) на 2,5 В и компаратор, управляющий ключевым транзистором. Для нормальной работы компаратора и ИОН и нужен начальный ток, обозначенный в datasheet Ik(off).

Типовое включение TL431 действительно аналогично стабилитрону, только напряжение стабилизации задаётся резистивным делителем:

Типовое включение TL431
Типовое включение TL431

Максимальный ток через микросхему ограничен электрическими параметрами (100 мА), но в большей степени - рассеиваемой мощностью. Которая в зависимости от типа корпуса и окружающей температуры не должна превышать 150...800 мВт. Если нужна бОльшая мощность - не нужно изобретать велосипед, в datasheet описаны два варианта умощнения транзисторами: для последовательного и параллельного стабилизаторов.

Схема параллельного стабилизатора
Схема параллельного стабилизатора
Схема последовательного стабилизатора
Схема последовательного стабилизатора

Более того, в Интернете есть множество проверенных схем стабилизаторов, в том числе и экономичных, с использованием TL431. Хотя для батарейного применения есть микросхемы LDO (Low Drop Output, низкое падение напряжения) стабилизаторов, минимальное напряжение между входом и выходом которых 200 мВ, а собственное потребление 0,3 мА.