Найти в Дзене

Электрические схемы подключения Volcano 2019

ВНИМАНИЕ! Подключение элементов автоматики должно быть выполнено так, чтобы обеспечить возможность сервисного обслуживания. Устройства должны быть установлены в хорошо видимых местах, с возможностью свободного изменения настроек. Подключение кабельных соединений должно выполняться квалифицированным персоналом в соответствии с инструкцией и вышеуказанными схемами. Более сложные схемы подключения

ВНИМАНИЕ! Подключение элементов автоматики должно быть выполнено так, чтобы обеспечить возможность сервисного обслуживания. Устройства должны быть установлены в хорошо видимых местах, с возможностью свободного изменения настроек. Подключение кабельных соединений должно выполняться квалифицированным персоналом в соответствии с инструкцией и вышеуказанными схемами. Более сложные схемы подключения автоматики с VOLCANO предоставляются по запросу. Рисунки элементов автоматики представляют исключительно визуализацию продуктов.

1.1. Подключение агрегатов Volcano VR Mini, VR1, VR2, VR3, VR-D с трехскоростными электродвигателями к настенному контроллеру WING

Максимальное количество агрегатов VOLCANO подключенных к одному контроллеру: 4 x VR MINI, 2x VR1, 2x VR2, 1x VR3 i 1xVR-D шт .

1 - питание 230В - 50Гц*

2 - главный выключатель, предохранители*

4 -  подключение к электродвигателю VOLCANO

7 - настенный контроллер WING/VR

1.2. Подключение агрегатов Volcano VR Mini, VR1, VR2, VR3, с трехскоростными электродвигателями к настенному контроллеру WING/VR с сервоприводом клапана

Максимальное количество агрегатов VOLCANO подключенных к одному контроллеру: 4 x VR MINI, 2x VR1, 2x VR2, 1x VR3 шт

-2

1 - питание: 230 В - 50Гц*

2 - главный выключатель, предохранители* 3х скоростной регулятор скорости -ARW3.0

4 - подключение к электродвигателю VOLCANO

3.1. Подключение агрегатов Volcano VR Mini, VR1, VR2, VR3, с трехскоростными электродвигателями к регулятору скорости - ARW3.0 и программируемому термостату

Максимальное количество агрегатов VOLCANO подключенных к одному регулятору скорости: VR Mini - 4шт., VR1/VR2/VR3/ - 1шт.

-3

1 - питание: 230 В - 50Гц*

2 - главный выключатель, предохранители

3 - скоростной регулятор скорости -ARW3.0

4 - подключение к электродвигателю VOLCANO

6 - программируемый термостат

3.2. Подключение агрегатов Volcano VR-D с трехскоростными электродвигателями к регулятору сокрости - ARW3.0 и программируемому термостату

-4

1 - питание: 230 В - 50Гц*

2 - главный выключатель, предохранители*

3 - скоростной регулятор скорости ARW3.0

4 - подключение к электродвигателю VOLCANO

6 - программируемый термостат

3.3. Подключение агрегатов Volcano VR Mini, VR1, VR2, VR3 с трехскоростными электродвигателями

Максимальное количество агрегатов VOLCANO подключенных к одному регулятору скорости: VR Mini - 4шт., VR1/VR2/VR3 - 1шт.

-5

1 - питание: 230 В - 50Гц*

2 - главный выключатель, предохранители*

3 - скоростной регулятор скорости ARW3.0

4 - подключение к электродвигателю VOLCANO

5 - клапан с сервоприводом

6 - программируемый термостат

*в комплект оборудования не входит главный выключатель, предохранители и питающий провод.

4.1. Подключение агрегатов Volcano VR Mini, VR1, VR2, VR3 с трехскоростными электродвигателями к программируемому термостату, сервоприводу клапана и регулятору скорости ARW3.0 через контактор

-6

1 - питание: 230 В - 50Гц*

2 - главный выключатель, предохранители*

3 - скоростной регулятор скорости ARW3.0

4 - подключение к электродвигателю VOLCANO

5 - клапан с сервоприодом

6 - программируемый термостат

8 - контактор/реле- 230 VAC , минимальный ток контактов 6А, допустимый ток контактов подбирается пропорционально потребляемой электрической мощности подключенных двигателей агрегатов , напряжение: 230 В AC

4.2. Подключение агрегатов Volcano VR-D с трехскоростными электродвигателями к программируемому термостату и регулятору ARW3.0 через контактор

-7

1- питание: 230 В - 50Гц*

2 - главный выключатель, предохранители*

3 - скоростной регулятор скорости ARW3.0

4 - подключение к электродвигателю VOLCANO

6 - программируемый термостат

8 - контактор/реле- 230 VAC , минимальный ток контактов 6А, допустимый ток контактов подбирается пропорционально потребляемой электрической мощности подключенных двигателей агрегатов, напряжение: 230 В AC*

*в комплект оборудования не входит главный выключатель, предохранители и питающий провод.

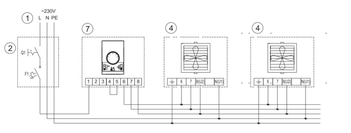
5. Подключение агрегатов Volcano VR Mini, VR1, VR2, VR3, VR-D с EC-двигателями к контроллеру HMI VR

-8

1 - питание: 230 В - 50Гц*

2 - главный выключатель, предохранители*

4 - подключение к электродвигателю VOLCANO

9 - контроллер HMI VR

6.1. Подключение агрегатов Volcano VR Mini, VR1, VR2, VR3 с EC-двигателями к контроллеру HMI VR и сервоприводу клапана

-9

1 - питание: 230 В - 50Гц*

2 - главный выключатель, предохранители*

4 - подключение к электродвигателю VOLCANO

5-клапан с сервоприводом

9 - контроллер HMI VR

6.2. Подключение агрегатов Volcano VR-D с EC-двигателями к контроллеру HMI VR

-10

1 - питание: 230 В - 50Гц*

2 - главный выключатель, предохранители*

4 - подключение к электродвигателю VOLCANO

9 - контроллер HMI VR

7.1. Подключение агрегатов Volcano VR Mini, VR1, VR2, VR3 с EC-двигателями к контроллеру HMI VR, сервоприводу клапана и к датчику температуры

-11

1 - питание: 230 В - 50Гц*

2 - главный выключатель, предохранители*

4 - подключение к электродвигателю VOLCANO

5 - клапан с сервоприводом

9 - контроллер HMI VR

10 - внешний датчик температуры NTC

7.2. Подключение агрегатов Volcano VR Mini, VR1, VR2, VR3, VR-D, с EC-двигателями к контроллеру HMI VR и температурному датчику

-12

1 - питание: 230 В - 50Гц*

2 - главный выключатель, предохранители*

4 - подключение к электродвигателю VOLCANO

9 - контроллер HMI VR

10 - внешний датчик температуры NTC

8. Подключение агрегатов Volcano VR Mini, VR1, VR2, VR3, VR-D с EC-двигателями к 0-10V

-13

1 - питание: 230 В - 50Гц*

2 - главный выключатель, предохранители*

4 - подключение к электродвигателю VOLCANO

11 - регулятор скорости 0-10V

9.1. Подключение агрегатов Volcano VR Mini, VR1, VR2, VR3 с EC-двигателями к регулятору скорости 0-10V , сервоприводу клапана и программируемому термостату

-14

1 - питание: 230 В - 50Гц*

2 - главный выключатель, предохранители*

4 - подключение к электродвигателю VOLCANO

5 - клапан с сервоприводом

6 - программируемый термостат

11 - регулятор скорости 0-10V

9.2. Подключение агрегатов Volcano VR-D с EC-двигателями к регулятору скорости 0-10V и программируемому термостату

-15

1 - питание: 230 В - 50Гц*

2 - главный выключатель, предохранители*

4 - подключение к электродвигателю VOLCANO

6 - программируемый термостат

11 - регулятор скорости 0-10V *в комплект оборудования не входит главный выключатель, предохранители и питающий провод.

9.3 Схема подключения агрегатов Volcano EC к регулятору оборотов с функцией термостата (потенциометр с термостатом) с серийным номером 18/15000 (Для Volcano mini EC) и после 19/30000 (Для Volcano VR1, VR2, VR3)

-16

1 - питание: 230 В - 50Гц*

2 - главный выключатель, предохранители*

4 - подключение к электродвигателю VOLCANO

12 - потенциометр с термостатом