Найти в Дзене
Console Collection Modding&Rest.

Картридж Денди на маппере AOROM (INES 7) своими руками

Ниже информация подается для получения опыта создания сменных носителей для денди, с целью создания собственных программ, игры использованы для ознакомления и проверки работоспособности устройства, автор призывает использовать оригинальные картриджи и носители.
Для изготовления нам потребуется: 1 — текстолит 65×115-1шт (1,5 мм двухсторонний); 2 — EEPROM (ПЗУ) M27C1001 -128кб — 1шт (я использовал
Ниже информация подается для получения опыта создания сменных носителей для денди, с целью создания собственных программ, игры использованы для ознакомления и проверки работоспособности устройства, автор призывает использовать оригинальные картриджи и носители.
Ниже информация подается для получения опыта создания сменных носителей для денди, с целью создания собственных программ, игры использованы для ознакомления и проверки работоспособности устройства, автор призывает использовать оригинальные картриджи и носители.

Для изготовления нам потребуется: 1 — текстолит 65×115-1шт (1,5 мм двухсторонний); 2 — EEPROM (ПЗУ) M27C1001 -128кб — 1шт (я использовал M27C2001 — 256кб, которое было под рукой ); 3-ОЗУ — HY6264ALP (или иное другое серии 6264)-1шт; 4 — конденсатор 100 мкФ -16В — 1шт; 5 — Логика (двоичный счетчик) 74HC161N — 1шт; 6 — Лазерный принтер — 1шт; 7 — Глянцевая бумага Ломонд для печати фотографий плотностью 85gsm — 2 листа; 8 — сверлильный станок (дремель, дрель) с возможностью установки сверла 0,8 мм — 1шт; 9 — сверло 0,8 мм-1шт; 10 — паяльная станция (паяльник) -1шт; 11-перекись водорода 3% й- 100мл; 12— Лимонная кислота; 13 — шкурка (800, 1000) -1шт; 14— 3Д принтер (опционально) — 1шт; 15-ножницы по металлу (лобзик или дремель с отрезным диском) — 1шт; 16-перманентный маркер -1 шт; 17— тестер; 18— тестер для радиоэлементов (опционально); 19 — программатор (TL866 или аналогичный). Скачиваем схему картриджа на маппере AOROM для Sprit Layout

-2

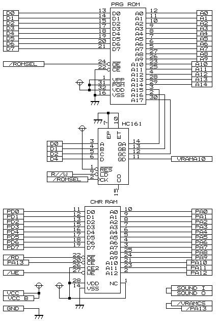
Электрическая схем картриджа на Маппере AOROM, сначала немного бросает в ступор от вида, но тут все достаточно просто, ROM это наше ПЗУ (M27C2001) в корпусе DIP-32, RAM ОЗУ (HY6264ALP) в корпусе DIP-28 , посередине логика 74HC161N, контакт похожий на «планету с кольцами» это + питания, контакт похожий на «щетку» это минус питания. Остальное нужно соединить в указанном порядке.

Схема картриджа нарисована в Sprint Layout, спасибо товарищам с канала Youtube — Лаборатория испытания паровозных гудков — есть видео про этот картридж и схемы в приложении, я немного модернизировал схему, дописал номинал конденсатора и указал перемычки на схеме
Схема картриджа нарисована в Sprint Layout, спасибо товарищам с канала Youtube — Лаборатория испытания паровозных гудков — есть видео про этот картридж и схемы в приложении, я немного модернизировал схему, дописал номинал конденсатора и указал перемычки на схеме
Размечаем текстолит, прямоугольник 65×115 мм, можно отрезать электрическим лобзиком, я приспособился отрезать ножницами по металлу, достаточно легко и аккуратно получается вырезать, можно оставить запаса побольше, но придется потом подрезать теми же ножницами, затем зашкуриваем шкуркой сначала 800, потом 1000 зернистостью. До блеска, обезжириваем растворителем/спиртом и т.д.
Размечаем текстолит, прямоугольник 65×115 мм, можно отрезать электрическим лобзиком, я приспособился отрезать ножницами по металлу, достаточно легко и аккуратно получается вырезать, можно оставить запаса побольше, но придется потом подрезать теми же ножницами, затем зашкуриваем шкуркой сначала 800, потом 1000 зернистостью. До блеска, обезжириваем растворителем/спиртом и т.д.
Я обезжиренную заготовку вставляю в 3-ю руку, чтобы не испачкать и аккуратно за края извлекаю при необходимости
Я обезжиренную заготовку вставляю в 3-ю руку, чтобы не испачкать и аккуратно за края извлекаю при необходимости
В Sprint Layout печатаем заготовку сзади и спереди, в настройках печати (Файл-Печать) выставляем для лицевой части там где написано AOROM — зеркально, второй флаг — по центру, третий — углы платы. Для тыльной части заготовки убираем галку — зеркально, флаги — по центру и углы платы оставляем. В настройках также необходимо указать наивысшее качество печати и печать черными чернилами, для увеличения расхода тонера-это важно, для получения качественного отпечатка. Листы совмещаем на стекле (я делаю на окне) и фиксируем, либо скрепкой, я это делаю 2-х сторонним тонким скотчем 3М. Должен получиться такой конверт, с открытой стороны вставляем заготовку по центру.
В Sprint Layout печатаем заготовку сзади и спереди, в настройках печати (Файл-Печать) выставляем для лицевой части там где написано AOROM — зеркально, второй флаг — по центру, третий — углы платы. Для тыльной части заготовки убираем галку — зеркально, флаги — по центру и углы платы оставляем. В настройках также необходимо указать наивысшее качество печати и печать черными чернилами, для увеличения расхода тонера-это важно, для получения качественного отпечатка. Листы совмещаем на стекле (я делаю на окне) и фиксируем, либо скрепкой, я это делаю 2-х сторонним тонким скотчем 3М. Должен получиться такой конверт, с открытой стороны вставляем заготовку по центру.
Конверт утюжим, что есть сил, я выкручиваю утюг на максимум и проглаживаю по 4-5 раз одну сторону, затем переворачиваю и также 4-5 раз другую, иногда я проделываю по 2-3 раза. Потом кто-то погружает заготовку в воду, чтобы размягчить бумагу, я дожидаюсь, когда заготовка остынет полностью и аккуратно снимаю бумагу. Части, которые отлипли или некачественно отпечатались я в 2 слоя прокрашиваю перманентным маркером. Чищу перемычки между контактами от бумаги, чтобы в дальнейшем все протравилось как следует
Конверт утюжим, что есть сил, я выкручиваю утюг на максимум и проглаживаю по 4-5 раз одну сторону, затем переворачиваю и также 4-5 раз другую, иногда я проделываю по 2-3 раза. Потом кто-то погружает заготовку в воду, чтобы размягчить бумагу, я дожидаюсь, когда заготовка остынет полностью и аккуратно снимаю бумагу. Части, которые отлипли или некачественно отпечатались я в 2 слоя прокрашиваю перманентным маркером. Чищу перемычки между контактами от бумаги, чтобы в дальнейшем все протравилось как следует
Теперь необходимо подготовить раствор для травления платы, пропорции такие: на 100 мл перекиси водорода (3%) кладем 6 ложек лимонной кислоты и 3 ложки соли. Все тщательно перемешиваем, можно сделать водяную баню, я грею на столике 3Д принтера при 70гр.
Теперь необходимо подготовить раствор для травления платы, пропорции такие: на 100 мл перекиси водорода (3%) кладем 6 ложек лимонной кислоты и 3 ложки соли. Все тщательно перемешиваем, можно сделать водяную баню, я грею на столике 3Д принтера при 70гр.
Где-то середина процесса, реакция очень бурная берегите глаза и дыхательные пути, используйте средства индивидуальной защиты, маску, перчатки, очки
Где-то середина процесса, реакция очень бурная берегите глаза и дыхательные пути, используйте средства индивидуальной защиты, маску, перчатки, очки
Готовая плата внешне на твердую 4, получилось субъективно хорошо, есть некоторые места, где плохо протравилось, поправим, когда будем лудить, в общем, бывало и хуже. От качества травления зависит конечный результат
Готовая плата внешне на твердую 4, получилось субъективно хорошо, есть некоторые места, где плохо протравилось, поправим, когда будем лудить, в общем, бывало и хуже. От качества травления зависит конечный результат

Небольшое отступление, для дальнейших операций потребуется просверлить переходные отверстия, от этого зависит в т.ч. и качество пайки и вся схемотехника, сверлить нужно аккуратно, необходимо сверло 0.8 мм и станок для сверления с небольшим биением патрона — это важно. Для меня в этом заключалась наибольшая засада, руками без подставки сверлить конечно можно, но не удобно и повторяемость маленькая, все отверстия будут скакать относительно друг друга, поэтому пришлось потратить некоторое время на изготовление сверлильного настольного станочка. Можно купить, их много продается в интернете.

Станочек по феншую, небольшой, аккуратный, достаточно точный для сверления переходных отверстий в платах, работать стало приятно, а главное быстро. Всем советую делать аналогично. На изготовление станочка потрачено 2 дня, на подгонку и печать на 3Д принтере и некоторые конструктивные решения
Станочек по феншую, небольшой, аккуратный, достаточно точный для сверления переходных отверстий в платах, работать стало приятно, а главное быстро. Всем советую делать аналогично. На изготовление станочка потрачено 2 дня, на подгонку и печать на 3Д принтере и некоторые конструктивные решения
Залуживаем, это позволит защитить от окисления дорожки и улучшить их проводимость, я для ПЗУ установил кроватку, т.к. делал картридж в первый раз на данном Маппере, всегда есть риск, что потребуется перепрошить ПЗУ, а достать запаянное как вы понимаете — проблематично
Залуживаем, это позволит защитить от окисления дорожки и улучшить их проводимость, я для ПЗУ установил кроватку, т.к. делал картридж в первый раз на данном Маппере, всегда есть риск, что потребуется перепрошить ПЗУ, а достать запаянное как вы понимаете — проблематично
Аккуратно выпиливаем пазы для фиксации в корпусе и лишний текстолит возле разъема картриджа
Аккуратно выпиливаем пазы для фиксации в корпусе и лишний текстолит возле разъема картриджа
Готовый к прошивке картридж, с панелькой его можно использовать как Флеш-картридж, можно проверить несколько разных игр на Маппере Aorom
Готовый к прошивке картридж, с панелькой его можно использовать как Флеш-картридж, можно проверить несколько разных игр на Маппере Aorom

Для прошивки необходимо скачать и подготовить ром, подготовка заключается в том, чтобы удалить заголовок, это первые 16 байт требуемые для эмуляторов. Открываем HEX редактор и просто стираем первую строчку.

Удаляем и сохраняем, все, ром готов к прошивке в EEPROM (Ваше ПЗУ). В случае если вы используете 128КБ, но если используете 256КБ, то необходимо скопировать в буфер все данные и вставить (в редакторе HEX) сразу после окончания первых 128КБ, таким образом игра будет 2 раза повторяться в памяти ПЗУ 256КБ, вставлять нужно сразу в следующую строчку, без пробелов и пропусков, данные должны быть непрерывны
Удаляем и сохраняем, все, ром готов к прошивке в EEPROM (Ваше ПЗУ). В случае если вы используете 128КБ, но если используете 256КБ, то необходимо скопировать в буфер все данные и вставить (в редакторе HEX) сразу после окончания первых 128КБ, таким образом игра будет 2 раза повторяться в памяти ПЗУ 256КБ, вставлять нужно сразу в следующую строчку, без пробелов и пропусков, данные должны быть непрерывны

Сохраняем подготовленный ром в отдельную папку, открываем среду прошивки (Mini Pro) моем случае, забыл сказать, что при сборке картриджа необходимо проверять логику и микросхемы на работоспособность, в той же самой Mini Pro можно это проделать.

Забыл сделать фотографию прошивки ПЗУ, поэтому показываю как примерно это выглядит, за испытуемого взято ОЗУ, т.к. ПЗУшки закончились, извиняйте. Программатор TL866, все шьется быстро и уверенно — всем его советую
Забыл сделать фотографию прошивки ПЗУ, поэтому показываю как примерно это выглядит, за испытуемого взято ОЗУ, т.к. ПЗУшки закончились, извиняйте. Программатор TL866, все шьется быстро и уверенно — всем его советую
Вот как выглядит проверка ОЗУ в Mini Pro, обязательно проверяем все радиоэлементы и логику и микросхемы, это позволит избежать долгих и мучительных позвонок платы и прочих неприятностей
Вот как выглядит проверка ОЗУ в Mini Pro, обязательно проверяем все радиоэлементы и логику и микросхемы, это позволит избежать долгих и мучительных позвонок платы и прочих неприятностей
Прошиваем наш ром в ПЗУ, программа сама верифицирует код после прошивки, если возникли ошибки, то необходимо проверить контакты на ПЗУ, иногда так бывает. Контакты окисляются, снимаете окислы и пробуете вновь. Но нужно помнить, что данные ПЗУ с УФ стиранием, просто так положив на солнце врятли сможете стереть информацию, я использую стиратель с УФ лампой, 15 минут и микросхемы как новые
Прошиваем наш ром в ПЗУ, программа сама верифицирует код после прошивки, если возникли ошибки, то необходимо проверить контакты на ПЗУ, иногда так бывает. Контакты окисляются, снимаете окислы и пробуете вновь. Но нужно помнить, что данные ПЗУ с УФ стиранием, просто так положив на солнце врятли сможете стереть информацию, я использую стиратель с УФ лампой, 15 минут и микросхемы как новые
Проверяем — успех, если все сделать аккуратно, игры заводятся с первого раза. Если этого не произошло, берем в руки тестер и начинаем звонить дорожки, проверяем нет ли сопротивления между разомкнутыми дорожками
Проверяем — успех, если все сделать аккуратно, игры заводятся с первого раза. Если этого не произошло, берем в руки тестер и начинаем звонить дорожки, проверяем нет ли сопротивления между разомкнутыми дорожками
Теперь дело за малым, печатаем корпус на 3Д принтере, несколько часов и у вас в руках полноценный картридж с корпусом, который безоговорочно сохранит вашу плату в целости и сохранности
Теперь дело за малым, печатаем корпус на 3Д принтере, несколько часов и у вас в руках полноценный картридж с корпусом, который безоговорочно сохранит вашу плату в целости и сохранности
Жаль наклейка черно-белая, а так красота, наклейку это мы потом исправим конечно, принтер уже выбран)) Лучше печатать на бумаге с клейким слоем, но если нет, можно напечатать на обычной, покрыть скотчем и приклеить на клей
Жаль наклейка черно-белая, а так красота, наклейку это мы потом исправим конечно, принтер уже выбран)) Лучше печатать на бумаге с клейким слоем, но если нет, можно напечатать на обычной, покрыть скотчем и приклеить на клей

Спасибо за внимание!