Добавить в корзинуПозвонить
Найти в Дзене

"Вечная лампочка" от Дмитрия Компанец

Дмитрий Компанец - уже стало именем нарицательным, как образец некомпетентного, но очень популярного "блоХера" :) Он продолжает нас радовать своими "открытиями" и "фантастическими" схемами...

Дмитрий Компанец - уже стало именем нарицательным, как образец некомпетентного, но очень популярного "блоХера" :) Он продолжает нас радовать своими "открытиями" и "фантастическими" схемами. Вот и я наткнулся очередную его статью "Вечная лампочка" с Плавным включением и Плавным гашением. Из мусора и Очень просто!". То, что лампочка будет почти вечной - сомнений нет. Потому как света от неё - как от козла молока. Почему? А посмотрим на схему:

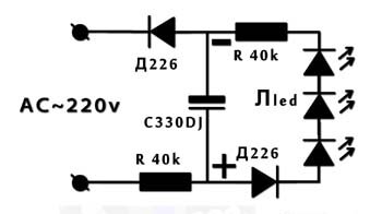
Схема "Вечной лампочки"
Схема "Вечной лампочки"

Первое, что любому радиолюбителю бросается в глаза - нестандартные номиналы резисторов. Ну нет в стандартных рядах сопротивлений номинала 40 кОм, ближайшие 39 кОм и 43 кОм. Плюс ещё невнятное обозначение конденсатора. Должно быть там написано "330 мкФ х 400 В". Ну или на 350 вольт, но никак не меньше. Почему - поясню ниже.

Ладно, это мелочи, как и лишний (в буквальном смысле слова) диод, последовательно включенный со светодиодами. Никакой функциональной необходимости в нём нет. Посчитаем же ток, текущий через светодиоды, и прикинем, какая это будет мощность.

Первым делом прикинем, что мы получим на конденсаторе, если отключить от него правую часть схемы. А будет на нём пиковое напряжение одного полупериода сети за минусом падения на диоде, то есть приблизительно 321 вольт (при номинальном в сети 230 В). Почему так много? Так обычно мы оперируем действующим напряжением, которое как раз 230 вольт. А заряжаться конденсатор будет до пикового, которое для синусоиды в {корень из 2}=1,41 раза больше.

А вот при подключении правой части схемы напряжение на нём упадёт в два раза (если пренебречь падением напряжения на светодиодах). Поскольку два резистора образуют делитель напряжения. А раз их номиналы равные - то и делиться напряжение будет поровну. Хотя для точности нужно учесть напряжение прямого падения светодиодов. Для определённости примем, что светодиодов 14 штук, как в лампочке. Тогда на них упадёт примерно 45 вольт, значит на конденсаторе останется 138 вольт.

А теперь считаем ток через светодиоды (138-45)/40000 = 2,3 мА. Умножаем это на 45 вольт - получаем мощность примерно 100 мВт. Или 0,1 Вт. Для сравнения - фонарик-брелок имеет мощность {3 В * 15 мА} = 45 мВт. Фонарик из Fix-Price за 50 рублей с семью светодиодами и питанием от трёх батареек ААА ("мизинчиковые") - 350 мВт. Так что имеем мы не "вечную лампочку", а скорее "вечный ночник". Даже если выкинуть второй резистор, который последовательно со светодиодами, всё равно мощность станет всего лишь 200 мВт.

Я обещал рассказать, почему конденсатор должен быть на напряжение не менее 350 вольт. Да с целью безопасности! При нормальной работе на нём никогда не будет более 152 В, а вот при обрыве (перегорании) любого светодиода может быть и 360 вольт (при максимально допустимых 230 + 10% = 253 В действующего напряжения в сети). Хотя достаточно выкинуть правый резистор, поставить параллельно конденсатору стабилитрон на 48 вольт, и конденсатор можно ставить на 50 вольт, и это будет безопасно. При нормальной работе стабилитрон всегда будет закрыт, а при аварии спасёт конденсатор от взрыва.