Добавить в корзинуПозвонить
Найти в Дзене

Устройство плавного пуска Ripow RPR1-3000

Бюджетные устройства плавного пуска Ripow 15 - 500 kW, 380В

Частотные преобразователи - частотник-екб.рф

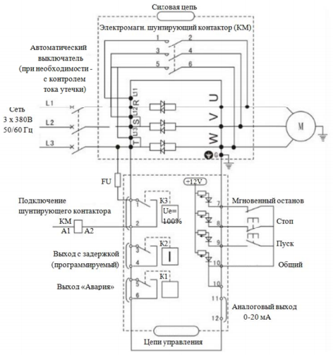
Основные характеристики:

  • Цифровая система управления
  • Пуск увеличением напряжения, пуск с ограничением тока, пуск с плавным нарастанием тока, ударный пуск и сочетания этих вариантов
  • Задержка пуска после получения команды на пуск, задержка повторного пуска после отключения по перегреву
  • Автоматический перезапуск при случайных отключениях по ошибке
  • Силовые тиристорные ключи и датчики тока в каждой из трех фаз, без встроенного байпаса
  • Встроенного шунтирующего контактора нет, внешний обязателен
  • При включении шунтирующего контактора функции защиты сохраняются
  • Работа при температурах до +40°С без снижения мощности, и до +60°С со снижением
  • Аналоговый выход 0-20 мА, сигнал которого пропорционален току двигателя
  • Пульт управления с цифровой индикацией
  • Память 9 последних отключений
  • Комплексная защита двигателя
  • Сигнал немедленного снятия напряжения
  • Охлаждение: конвекционное (меньше шум, меньше попадание пыли внутрь)
  • Исполнение IP20, по заказу – до IP40
-2

Не забывайте поставить лайк и подписаться на канал. Так Вы можете поддержать канал. Спасибо за внимание.

Частотные преобразователи - частотник-екб.рф

Ремонт преобразователей частоты - servis-asu.ru