Добавить в корзинуПозвонить
Найти в Дзене
Electronics Update

Как обнаружить перегрузку по току и быстро отключить систему управления двигателем

Своевременное отключение системы управления двигателем во время перегрузки по току предотвращает повреждение и выход из строя дорогих силовых полупроводниковых коммутационных компонентов.
Сигма-дельта модуляторы с оптической изоляцией не только обеспечивают измерение тока с высоким разрешением и надежной защитой от сбоев, но также могут быть задействованы для функции обнаружения короткого замыкан

Перегрузка по току или короткое замыкание в IGBT-транзисторах может возникнуть из-за замыкания между фазами или замыкания на землю.

Обычно IGBT-транзисторы способны сохранять работоспособность при замыкании длительностью до 10 мкс. Как следствие, для сохранения работоспособности системы и отключения питания, за данный промежуток времени на микроконтроллер должен поступить соответствующий сигнал об ошибке. Но чтобы сгенерировать сигнал об ошибке, сначала нужно обнаружить перегрузку по току.

Измерение фазного тока с использованием сигма-дельта модулятора

Одним из методов обнаружения является измерение фазного тока с использованием сигма-дельта модулятора. Ключевым моментом здесь будет являться подбор разрешения измерений, так как при слишком высоком разрешении, время обработки выходных данных может превысить доступные 10 мкс, что в свою очередь может привести к необратимому разрушению дорогостоящих компонентов и выходу из строя всей системы управления.

Примером реализации обнаружения перегрузки по току с помощью сигма-дельта модулятора является использование фильтров Sinc3 с коэффициентом прореживания 256 для высокого разрешения измерений и с коэффициентом прореживания 32 для быстрого обнаружения перегрузки по току.

При частоте тактирования 20 МГц, время задержки составит 12,8 мкс и 1,6 мкс для фильтров с коэффициентом прореживания 256 и 32 соответственно.
Однако, помимо задержки фильтра, стоит также учитывать дополнительные 0,5 мкс, необходимые для преодоления сигналом изоляционного барьера модулятора.

Чтобы еще больше сократить время отклика, вместо фильтра Sinc3 с низким коэффициентом прореживания можно использовать логический блок обнаружения неисправностей.

Данный блок представляет собой совокупность логических элементов и триггеров и позволяет обнаруживать выдаваемый модулятором цифровой сигнал неисправности, состоящий из массива N-бит с состоянием 1 или 0. Примеры схем, реализующих данные решения на базе модуляторов с внутренней и внешней синхронизацией представлены на рисунках 1 и 2:

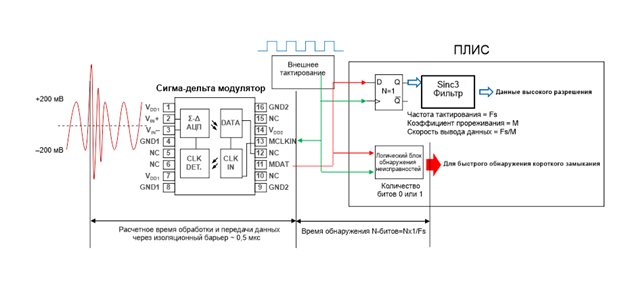
Рис.1 Обработка данных с сигма-дельта модулятора с внешней синхронизацией ACPL-796J (обработка с высоким разрешением через фильтр и быстрого отклика через логический блок)
Рис.1 Обработка данных с сигма-дельта модулятора с внешней синхронизацией ACPL-796J (обработка с высоким разрешением через фильтр и быстрого отклика через логический блок)
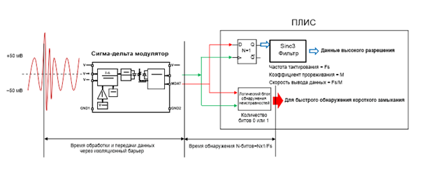
Рис.2 Обработка данных с сигма-дельта модулятора с внутренней синхронизацией ACPL-C799 (обработка с высоким разрешением через фильтр и быстрого отклика через логический блок)
Рис.2 Обработка данных с сигма-дельта модулятора с внутренней синхронизацией ACPL-C799 (обработка с высоким разрешением через фильтр и быстрого отклика через логический блок)

Логический блок обнаружения неисправностей может быть реализован на базе ПЛИС или микроконтроллера. Одним из примеров реализации является использование массива N триггеров D-типа. Выходы триггеров подключены к логическому элементу AND (И) для обнаружения битов с высоким логическим уровнем (1) и к логическому элементу NOR (ИЛИ) для обнаружения битов с низким логическим уровнем (0).

  • Когда первый бит массива достигает последнего триггера (n = N), выход логического элемента AND переключается на высокий уровень.
  • Аналогично, сигнал на выходе элемента NOR приобретает высокий уровень при достижении последнего бита с низким уровнем последнего триггера.

Данная схема позволяет организовать обратную связь с микроконтроллером для своевременного обнаружения ошибки в передаче и перегрузки по току.

На рисунке 3 показана логика блока обнаружения неисправностей для массива из 20 бит с высоким уровнем, а на рисунке 4 для массива из 20 бит с низким уровнем.

Работа блока была протестирована на базе плате ACPL-C799 Xilinx FPGA (рисунок 5), результаты тестирования, в том числе измеренное время отклика, показаны на рисунке 6.

Рис. 3 Логика блока обнаружения неисправности для массива из 20 бит с высоким уровнем
Рис. 3 Логика блока обнаружения неисправности для массива из 20 бит с высоким уровнем
Рис 4. Логика блока обнаружения неисправности для массива из 20 бит с низким уровнем
Рис 4. Логика блока обнаружения неисправности для массива из 20 бит с низким уровнем
Рис. 5 Тестирование блока обнаружения неисправностей на оценочной плате ACPL-C799 Xilinx FPGA
Рис. 5 Тестирование блока обнаружения неисправностей на оценочной плате ACPL-C799 Xilinx FPGA

Плотность бит высокого и низкого уровня (нулей и единиц) пропорционально уровню напряжения на входе сигма-дельта модулятора.

  • Массив из 20 бит высокого уровня обнаруживается при уровне входного напряжения +270 мВ для ACPL-796J и +63 мВ для ACPL-C799.
  • Аналогично массив из 20 бит низкого уровня обнаруживается при уровне входного напряжения –270 мВ для ACPL-796J и –63 мВ для ACPL-C799.
  • Если шунтирующий резистор выбран так, что входной диапазон напряжения составляет ± 200 мВ для ACPL-796J и ± 50 мВ для ACPL-C799, что соответствует максимальному значению измеряемого тока, то в нормальных условиях работы массив на выходе модулятора не будет сформирован.

В случае же возникновения перегрузки по току, входное напряжение сразу же выйдет за пределы установленного диапазона и на выходе модулятора будет сформирован массив из 20 бит высокого или низкого уровня.

Логический блок обнаружения неисправностей фиксирует данный массив и сообщает о неисправности в течение 1,54 мкс (для ACPL-796J) или 2,52 мкс (для ACPL-C799) с начала возникновения перегрузки.

На рисунке 5 изображен пример фиксации 20-битного массива высокого уровня на выходе модулятора ACPL-C799. По результатам измерения видно, что процесс длится в течение 20 тактовых циклов при частоте 10 МГц (фиксация массива) и еще 5 дополнительных циклов, которые идут на преодоление сигналом изоляционного барьера модулятора.

Измеренное время отклика модулятора ACPL-C799 при фиксации 20-битного массива высокого уровня
Измеренное время отклика модулятора ACPL-C799 при фиксации 20-битного массива высокого уровня

При использовании модулятора ACPL-796J можно добиться времени отклика менее 1 мкс, при условии, что диапазон входного напряжения модулятора будет составлять до ± 50 мВ.

В таком случае, при возникновении перегрузки по току, уровень входного напряжения выходит за пределы ± 100 мВ и соответствует 5 битам высокого или низкого уровня на выходе сигма-дельта модулятора.

Для ACPL-C799 сокращение времени отклика может быть достигнуто, если для фиксации неисправности используется массив из 15 или 10 бит.

Однако меньший входной диапазон напряжений приводит к более низкому соотношению сигнал / шум (SNR) во время работы, что также необходимо учитывать при проектировании системы.

В таблице показаны различные конфигурации систем для обнаружения неисправностей за счет фиксации массива из N-бит в зависимости от времени отклика и рекомендуемого нормального диапазона входного напряжения.

Обнаружение неисправности за счет фиксации массива из N-бит в зависимости от времени отклика и диапазона входного напряжения.
Обнаружение неисправности за счет фиксации массива из N-бит в зависимости от времени отклика и диапазона входного напряжения.

Своевременное отключение системы управления двигателем во время перегрузки по току предотвращает повреждение и выход из строя дорогих силовых полупроводниковых коммутационных компонентов.

Сигма-дельта модуляторы с оптической изоляцией не только обеспечивают измерение тока с высоким разрешением и надежной защитой от сбоев, но также могут быть задействованы для функции обнаружения короткого замыкания при перегрузке по току с последующей передачей массива битов в схему обнаружения на базе Sinc3-фильтра или простых логических элементов.

Данный функционал может быть реализован без необходимости изменения конфигурации оборудования или увеличения количества компонентов системы.

Даташиты на компоненты:

ACPL-796J скачать

ACPL-C799 скачать

По вопросам подбора компонентов вы можете обратиться к Дмитрию Антонову, EBV Elektronik

-8
-9