Добавить в корзинуПозвонить
Найти в Дзене

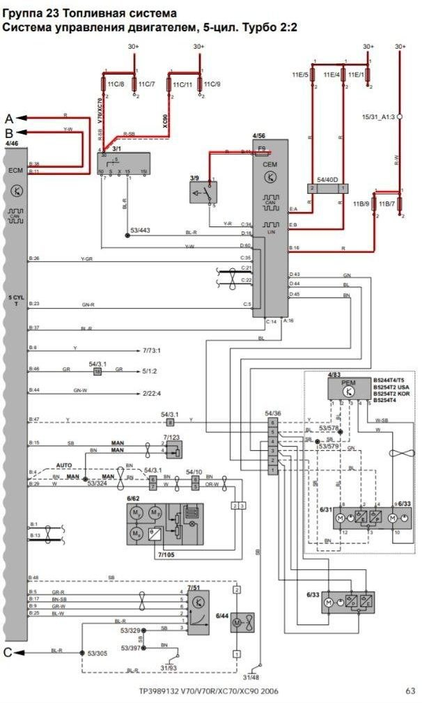
Volvo XC90, 2005 год выпуска, 2.5L турбобензин американка - Нет питания на бензонасос.

Выявлено: Присутствует блок управления бензонасосом (основным), на схеме, в сером квадратике, справа мой вариант, на 2 насоса. Входной плюс в блок имеется, входной минус хороший, 21 Ватт держит легко. Проводка от блока до насоса тоже нагрузку держит. Управление от моторника одним проводом (какой сигнал не смотрел, либо аналоговый, либо LIN). На выходе, при включении насоса есть плюс, тоже держит

Выявлено: Присутствует блок управления бензонасосом (основным), на схеме, в сером квадратике, справа мой вариант, на 2 насоса. Входной плюс в блок имеется, входной минус хороший, 21 Ватт держит легко. Проводка от блока до насоса тоже нагрузку держит. Управление от моторника одним проводом (какой сигнал не смотрел, либо аналоговый, либо LIN). На выходе, при включении насоса есть плюс, тоже держит 21 Ватт, но при этом пропадает минус! При этом, если смотреть вольтметром без нагрузки - 10-11 Вольт есть.

-2

Блок вскрыл, внутри тонна соли. Нормально распаять и помыть у меня не чем, но кое как сполоснул - толку ноль.

Теперь, собственно, вопросы: 1) При замене этого блока нужно ли его прописывать? 2) Может ли этот блок мониторить токовую нагрузку на цепи, и рубить минус, в качестве защиты, при выходе нагрузки за диапазон?

Решение: Помогла замена блока управления бензонасоса, на донорский. Подкинул вместо насоса лампу 21 Ватт, загорелась, так что скорее всего контроля нагрузки нету.

Приветствую Вас уважаемые читатели!

#дневник автоэлектрика #ремонт автомобиля

🖐Спасибо всем за прочтение!!! Рад был помочь. 👨‍✈️

Не скупитесь на 👍👎 и подписывайтесь на канал. Пишите в комментариях отвечу на все вопросы.

👉 Тут можно сравнить цены на ОСАГО 👈

👉 Тут можно оформить диагностическую карту онлайн 👈

Наш телеграмм канал Реальный механик

Наш Инстаграм @realmextex

Удачи на дорогах!!!