Найти в Дзене

Генератор звука!

Что такое генератор звука и с чем его едят? Итак, давайте первым делом определимся со значением слова «генератор». Генератор - от лат. generator - производитель. То есть объясняя домашним языком, генератор - это устройство, которое производит что-либо. Ну а что такое звук? Звук - это колебания, которые может различить наше ухо. Кто-то икнул, кто-то кого то послал - все это звуковые волны, которые

Что такое генератор звука и с чем его едят? Итак, давайте первым делом определимся со значением слова «генератор». Генератор - от лат. generator - производитель. То есть объясняя домашним языком, генератор - это устройство, которое производит что-либо. Ну а что такое звук? Звук - это колебания, которые может различить наше ухо. Кто-то икнул, кто-то кого то послал - все это звуковые волны, которые слышит наше ухо. Нормальный человек может слышать колебания в диапазоне частот от 16 Гц и до 20 КилоГерц. Звук до 16 Герц называют инфразвуком, а звук более 20 000 Герц - ультразвуком.

Из всего вышесказанного можно сделать вывод, что генератор звука - это устройство, которое излучает какой-либо звук. Все элементарно и просто. А почему бы его нам не собрать? Схему в студию!

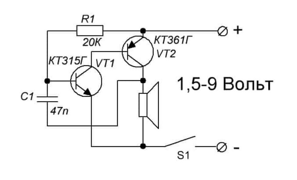
Как мы видим, моя схема состоит из:

  • Конденсатор ёмкостью 47 наноФарад
  • Резистор на 20 кОм
  • Транзисторы КТ315Г и КТ361Г, можно с другими буквами
  • Маленькая динамическая головка
  • Кнопочка, но можно сделать и без нее

На макетной плате все это выглядит примерно вот так:

-2

А вот и транзисторы:

-3

Слева - КТ361Г, справа - КТ315Г. У КТ361 буква находится посередине на корпусе, а у 315 - слева. Эти транзисторы являются комплиментарными парами друг другу.

  • Частоту звука можно менять, меняя значение резистора или конденсатора. Также частота увеличивается, если повышать напряжение питания. К примеру, при 1,5 Вольт частота будет ниже, чем при 5 Вольтах.

Всем пока!