Найти в Дзене
КИТРУЛ2

XAKKO 936 своими руками!

Привет всем! Я решил восстановить проект Паяльная станция своими руками!

Долго долго думал и решил сделать паяльную станцию на подобие станции HAKKO t12

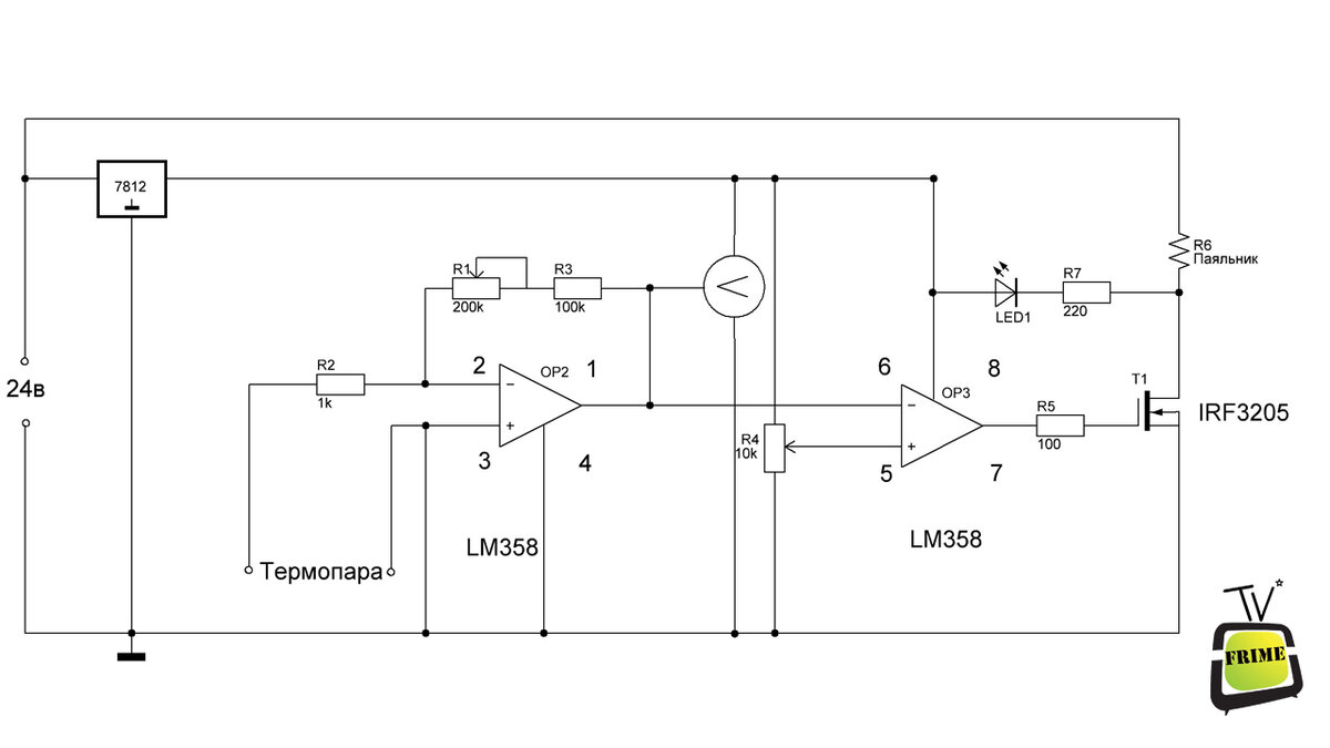
Схема устройства!
Схема устройства!

Нам понадобится:

Операционный усилитель LM358

N-Kanal Mosfet IRF3205

R1 200K подстроичный

R2 1К

R3 100К

R4 10К переменный резистор.

R5 100 Ом

R6 Нагреватель пяльника

R7 220 Ом

Светодиод

Линейный стабилизатор 7812

Вольтметр с 3 проводами!

Источник питания 24 вольт 3А

Справиться даже новичок!

Паяем все по схеме, можно макетной плате можно и на печатной плате как сделал это я! Кстати архив со схемой можно скачать перейдя по ссылке ниже на видео YouTube. В описании есть ссылка на скачивание архива!

Хотите подробно узнать о станции? Смотрите видеоролик ниже!

Хотите спросить у меня что либо:
https://vk.me/join/AJQ1d4q_vBkB7fMSqrIHMTCi
Видеоролик YouTube: