Добавить в корзинуПозвонить
Найти в Дзене
Радиолюбитель - это просто!

Простой радиоприемник УКВ на TA2003

Не так давно мне в нагрузку или в подарок достался безымянный аппарат, явно Китайского производства и родом из 2000-х, когда эти аппараты и были в ходу. Ничего примечательного в этом аппарате нет, вот только радиоприемник собран на микросхеме TA2003. Микросхема имеет ряд аналогов, это CD2003, KA2297, TA8164Р, есть еще какие-то (если я не ошибаюсь), но они редко встречаются и я не помню тех имен. Характеристики: Структура: Особенности: Прелесть этой микросхемы состоит в том, что не смотря на заявленные частоты в FM диапазоне 76-108МГц, микросхема отлично работает от 60МГц и до 160МГц, а это значит, что не только оба диапазона УКВ попадают сюда, но можно и радиолюбителей послушать и это мне кажется очень интересно. Вторым приятным моментом является простота схемы, для постройки приемника нужно тройка конденсаторов, три контура и фильтр ПЧ. Схемы: Приведу только типовые схемы и самые интересные или необычные, из тех которые попадались мне на глаза: Самая известная схема УКВ FM приемник

Не так давно мне в нагрузку или в подарок достался безымянный аппарат, явно Китайского производства и родом из 2000-х, когда эти аппараты и были в ходу. Ничего примечательного в этом аппарате нет, вот только радиоприемник собран на микросхеме TA2003.

Подарок...
Подарок...

Микросхема имеет ряд аналогов, это CD2003, KA2297, TA8164Р, есть еще какие-то (если я не ошибаюсь), но они редко встречаются и я не помню тех имен.

Характеристики:

  • AM/FM приемник
  • Питание 1.8~7V
  • диапазон FM 76-108МГц
  • диапазон АМ 530 - 1600кГц
  • коэффициент нелинейных искажений для FM 0,4 %, для AM 1,0 %
  • чувствительность для FM 10 мкв, для AM 50 мкв

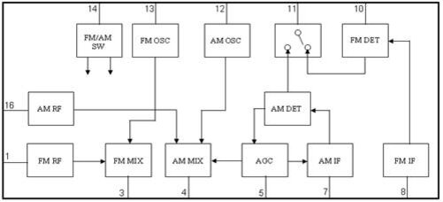
Структура:

Структурная схема TA2003
Структурная схема TA2003
  • АМ RF- усилитель радиочастоты АМ-сигнала;
  • FM RF- усилитель радиочастоты ЧМ-сигнала;
  • FM/AM SW - переключатель АМ-ЧМ-режимов;
  • FM OSC - гетеродин для смесителя ЧМ-сигналов;
  • AM OSC - гетеродин для смесителя АМ-сигналов;
  • FM MIX - смеситель ЧМ-сигналов;
  • AM MIX - смеситель АМ-сигналов;
  • AGC - блок автоматической регулировки усиления;
  • AM IF - усилитель промежуточной частоты АМ-сигналов;
  • FM IF - усилитель промежуточной частоты ЧМ-сигналов;
  • AM DET - детектор АМ-сигналов;
  • FM DET - детектор ЧМ-сигналов.

Особенности:

Прелесть этой микросхемы состоит в том, что не смотря на заявленные частоты в FM диапазоне 76-108МГц, микросхема отлично работает от 60МГц и до 160МГц, а это значит, что не только оба диапазона УКВ попадают сюда, но можно и радиолюбителей послушать и это мне кажется очень интересно.

Вторым приятным моментом является простота схемы, для постройки приемника нужно тройка конденсаторов, три контура и фильтр ПЧ.

Схемы:

Приведу только типовые схемы и самые интересные или необычные, из тех которые попадались мне на глаза:

Типовая схема из документации
Типовая схема из документации

Самая известная схема УКВ FM приемника на диапазон 88-108МГЦ. Схема была опубликована в журнале Радиоконструктор №2/2001г.

УКВ FM приемник 88-108МГЦ
УКВ FM приемник 88-108МГЦ

В приемнике можно использовать: Z1 — ФП1П8-62-01 (5,5МГц) или ФП1П8-62-02 (6,5МГц). L1 L2 не имеют каркасов и содержат  6 и 5 витков соответственно провода ПЭВ 0,43, их наматывают на хвостовике сверла диаметром 3 мм. Налаживание на диапазон производится сжатием или растяжением этик катушек. L3 намотана на ферритовом стержне диаметром 2,8 мм и длиной 12 мм (стандартный подстроечник от контура МЦ или декодера ТВ 3-УСЦТ), она содержит 14 витков провода ПЭВ 0,43.
Варикапы КВ109 можно заменить на КВ104, КВ121.

Еще одна схема, многим тоже известна, это схема конструктора, который продается у Китайцев.

-5

Я такой приемник не собирал, но по отзывам очень даже и ничего, бывает в белом и черном корпусе. Выглядит вот так:

-6

Следующая схема обещает перестройку от 70 до 150 МГц. Она практически полностью повторяет первую схему, за небольшими отступлениями.

-7

Настройку на нужный диапазон, как всегда проводят раздвиганием/сжатием витков катушек гетеродина (в данном случае катушка подключенная к 13-й ноге) и настройки (катушка подключенная к 15-й ноге). И стоит помнить и том, что микросхема в первую очередь рассчитана на вещательный УКВ диапазон и ширина принимаемого канал тут широкая.

-8

Итог такой: микросхема очень не прихотливая, схема включения простая и работает вполне неплохо. Кроме того она очень доступна, мало того, что она почти везде продается, если найти старый разбитый Китайский приемник, часы с приемником или магнитолу быстрее всего там вы найдете именно эту микросхему и быстрее всего она будет рабочей.