Добавить в корзинуПозвонить
Найти в Дзене
Андрей Калькин

Montblanc Eco 60 | Монблан Эко для дилеров

Профили Montblanc Eco 60 отличный Европейский продукт, который доступен по вполне демократичной цене. Возможна установка стеклопакетов толщиной до 32 мм, использование любых типов фурнитуры и комбинирование с дополнительными и вспомогательными профилями других производителей (в частности с профилями Rehau). Профильная система Монблан Эко производится на территории России, что делает её еще более привлекательной для использования на территории нашей страны, так как она не подвержена колебаниям курсов валют и таможенным ограничениям. Технические характеристики Монблан Эко 60 Система Монблан Эко 60 представляет собой классическую трехкамерную оконную ПВх систему класса «В», с внутренним уплотнением и стандартным европазом для установки фурнитуры: 1. Системная глубина – 60 мм; 2. Количество камер (воздушных) – 3 (три); 3. Контуров уплотнения – 2 (два); 4. Армирование П-образное – 32 х 26 мм (несколько видов) (1.5 мм); 5. Зазор под наплавом – 3 мм; 6. Перекрытие (наплав) фальца – 18 мм; 7.
Оглавление
Montblanc Eco 60 оконная ПВХ система
Montblanc Eco 60 оконная ПВХ система

Профили Montblanc Eco 60 отличный Европейский продукт, который доступен по вполне демократичной цене. Возможна установка стеклопакетов толщиной до 32 мм, использование любых типов фурнитуры и комбинирование с дополнительными и вспомогательными профилями других производителей (в частности с профилями Rehau).

Профильная система Монблан Эко производится на территории России, что делает её еще более привлекательной для использования на территории нашей страны, так как она не подвержена колебаниям курсов валют и таможенным ограничениям.

Технические характеристики Монблан Эко 60

Система Монблан Эко 60 представляет собой классическую трехкамерную оконную ПВх систему класса «В», с внутренним уплотнением и стандартным европазом для установки фурнитуры:

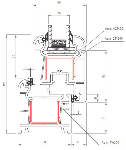
Сборка основных профилей системы Montblanc Eco 60
Сборка основных профилей системы Montblanc Eco 60

1. Системная глубина – 60 мм;

2. Количество камер (воздушных) – 3 (три);

3. Контуров уплотнения – 2 (два);

4. Армирование П-образное – 32 х 26 мм (несколько видов) (1.5 мм);

5. Зазор под наплавом – 3 мм;

6. Перекрытие (наплав) фальца – 18 мм;

7. Притвор симметричный – 8 мм (снаружи и внутри);

8. Уплотнения стандартные EPDMмноголепестковые;

9. Европаз (для установки фурнитуры) – 16 мм;

10. Максимальная ширина устанавливаемого стеклопакета – 32 мм;

11. Сопротивление теплопередаче – 0,63 кв.м.град.С/Вт (с армированием);

12. Звукоизоляция – до класса «В» (по ГОСТ 23166-99)

Состав системы Montblanc Eco 60

Система Монблан Эко 60 является классической оконной системой, состоящей из:

  • рама оконная - артикул 1162000;
  • створка оконная – артикул 2176000;
  • импост оконный – артикул 3175000;

Профилей для изготовления дверей (различных типов) в системе нет. Ассортимент дополнительных и вспомогательных профилей в системе Montblanc Eco не очень велик: 4 штапика, несколько соединительных профилей, набор профилей эркера и профиль ложного импоста с заглушками. Такой набор профилей присутствует практически в любой оконной системе.

Особенности системы Montblanc Eco 60

Главными особенностями системы являются её привлекательный внешний вид, доступность и универсальность. При прочих равных характеристиках, система Montblanc Eco60 позволяет выполнять остекление объектов с самым скромным бюджетом без ощутимых потерь качества.

Система технологична и не требует перенастройки оборудования и специальной подготовки персонала перед началом обработки.

Если рассмотреть сборку основных профилей Montblanc Eco60, то можно отметить, что система спроектирована по Европейским «канонам», имеет симметричное строение камер и симметричный притвор.

Стоимость окон из профилей Montblanc Eco 60

Как уже не однократно отмечалось, система Montblanc Eco имеет отличное соотношение «цена-качество» и часто выигрывает у своих конкурентов, благодаря именно низкой стоимости.

Сравним стоимость стандартного окна, изготовленного из профилей Монблан Эко 60 и аналогичного по размерам окна из профилей Rehau Blitz New 60 мм:

Стандартное окно для расчета стоимости ПВХ профилей
Стандартное окно для расчета стоимости ПВХ профилей

Как видно из приведенного сравнения: конструкция из МонбланMontblanc Eco 60 дает 8% выигрыш по цене готового окна.

· Профильная система Montblanc Eco 60 – 8227 руб;

· Профильная система Rehau Blitz New 60 – 8926 руб.

Внимание! Приведенные в сравнении цены являются справочными и не могут рассматриваться как коммерческое предложение или публичная оферта! Для получения актуальных цен свяжитесь с менеджером.