Добавить в корзинуПозвонить
Найти в Дзене
СамЭлектрик.ру

Энергомера. Почему счетчик не отвечает?

Коллеги, кто имел дело с АСКУЭ Энергомера? Суть проблемы в следующем: нужно подключить многоквартирный дом к системе АСКУЭ через устройство сбора и передачи данных УСПД 164-01Б. УСПД полностью настраивается через ноутбук при помощи программы Admin Tools от Энергомеры. Если коротко, не могу добиться не то чтобы опроса счетчиков всего дома или РУ, не получается достучаться даже до одного счетчика. Схема шкафа АСКУЭ такая: Реальность: На фото видно провод питания ноутбука и кабель USB к нему же. Будет 3 канала, но пока используется только один: Естественно, разветвитель на данном этапе не нужен, счетчик можно подключить напрямую по RS-485 к УСПД. Как было дело На первом этапе я подключил ноутбук через кабель USB к УСПД-164-01Б, к которому подключены два счетчика типа СЕ318BY R32. К УСПД подключиться удалось, а к счетчикам – нет. Фото сделано до того, как я подкинул первый счётчик (слева) и подал на него питание. Весь монтаж был сделан до меня. Подключено согласно инструкции: Но ничего
Оглавление

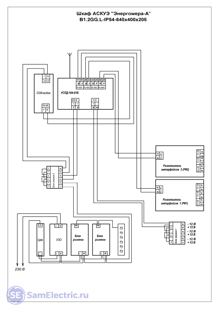
Коллеги, кто имел дело с АСКУЭ Энергомера? Суть проблемы в следующем: нужно подключить многоквартирный дом к системе АСКУЭ через устройство сбора и передачи данных УСПД 164-01Б.

УСПД полностью настраивается через ноутбук при помощи программы Admin Tools от Энергомеры.

Если коротко, не могу добиться не то чтобы опроса счетчиков всего дома или РУ, не получается достучаться даже до одного счетчика.

Схема шкафа АСКУЭ такая:

Реальность:

-2

На фото видно провод питания ноутбука и кабель USB к нему же.

УСПД 164
УСПД 164

Будет 3 канала, но пока используется только один:

-4

Естественно, разветвитель на данном этапе не нужен, счетчик можно подключить напрямую по RS-485 к УСПД.

Как было дело

На первом этапе я подключил ноутбук через кабель USB к УСПД-164-01Б, к которому подключены два счетчика типа СЕ318BY R32.

К УСПД подключиться удалось, а к счетчикам – нет.

Фото сделано до того, как я подкинул первый счётчик (слева) и подал на него питание.

Счетчики Энергомера СЕ318BY
Счетчики Энергомера СЕ318BY
Весь монтаж был сделан до меня.

Подключено согласно инструкции:

Питание берется от УСПД
Питание берется от УСПД

Но ничего не получается - по индикации на УСПД и в программе видно, что запросы отправляются, но счетчик не отвечает.

Замечания.

Адрес может отличаться, в счетчике и на экране разные.

Скорость 4800, 8нет1, "не подключено" в настройках интерфейса (и канала).

А-В RS-485 4,5В должно быть.

Главный вопрос этой статьи

Что нужно изменить и проверить, чтобы считать показания со счетчика?

Нужно в итоге подключить 4 счетчика в РУ, и все счетчики многоквартирного дома.

Далее -

Скриншоты работы и настроек программы Admintools Энергомера

Связь ПК с УСПД установлена
Связь ПК с УСПД установлена
Информация об УСПД
Информация об УСПД
Настройка пользователей и каналов. Сейчас один канал. Работаю под Администратором (но это не точно)))
Настройка пользователей и каналов. Сейчас один канал. Работаю под Администратором (но это не точно)))
Интерфейсы. Скорость счетчика - 9600
Интерфейсы. Скорость счетчика - 9600

Внешнее оборудование - есть 3 варианта. Не подключено/ роутер/ модем. Что надо?

То, что я хочу считать со счетчика.
То, что я хочу считать со счетчика.
Тут в перспективе должно быть около 100 каналов учета (счетчиков)
Тут в перспективе должно быть около 100 каналов учета (счетчиков)

Тут я особенно не уверен. Адрес считал с экрана счетчика. Нужно ли будет вручную переписывать все адреса (в подъездах - СЕ102 и СЕ208), или как-то можно считать их автоматически, сопоставив этим адресам номера квартир и счета оплаты?

Нужно ли обязательно счетчик присваивать группе учета? Понимаю, что когда счетчиков много, это удобно, но сейчас он один. Влияет ли это на передачу показаний?
Нужно ли обязательно счетчик присваивать группе учета? Понимаю, что когда счетчиков много, это удобно, но сейчас он один. Влияет ли это на передачу показаний?
Вот так всё висит... Что он пытается считать со 2-го канала, если он отключен, и на нём - GSM модем?
Вот так всё висит... Что он пытается считать со 2-го канала, если он отключен, и на нём - GSM модем?
При нажатии Считать байты и к-во запросов без ответа увеличивается. На УСПД при каждом запросе мигает индикатор запроса RS-485, а в ответ тишина...
При нажатии Считать байты и к-во запросов без ответа увеличивается. На УСПД при каждом запросе мигает индикатор запроса RS-485, а в ответ тишина...
Состояние счетчика - пусто
Состояние счетчика - пусто
Адрес прописан вручную, название выбрано из списка, зав.номер прочитать до сих пор не удалось...
Адрес прописан вручную, название выбрано из списка, зав.номер прочитать до сих пор не удалось...
Данные только ожидаются...
Данные только ожидаются...

Как думаете, в чем проблема?

Статьи на тему счетчиков:

------------------------------------

Статья заинтересовала? Подписывайтесь на Дзен СамЭлектрик.ру и делитесь опытом в комментариях!

Также жду вас на блоге www.SamElectric.ru и в группе СамЭлектрик.ру в ВК!

Александр / СамЭлектрик.ру
Александр / СамЭлектрик.ру

Внимание! Автор не гарантирует, что всё написанное на этой странице - истина. За ваши действия и за вашу безопасность ответственны только вы!