Найти в Дзене
Записки крутилкина

Способ подключить кварцевые часы к li-ion аккумулятору

Прогресс стремительно идет вперед. Но почему-то он обходит кварцевые часы. Они как выпускались с питанием от 1 батарейки АА 15 лет назад, так и сейчас в новые нужна она. Некоторые механизмы останавливаются когда напряжение питания достигнет 0,9 в. А некоторые могут и при 1.2В - Ni-MH аккумуляторы для них не самый лучший вариант. На просторах Интернета попалась мне идея как подключить часы к li-ion аккумулятору. В отличие от DC-DC переобразователей она потребляет очень мало энергии от АКБ. При подключенных современных часах с плавным ходом измерил ток и он оказался около 1 мА. Для сборки понадобится транзистор КТ3102 или его иностранный аналог BC547. При напряжении на аккумуляторе 4.2В на выходе 1.6В. По мере его разрядки напряжение будет снижаться и на выходе. Идут часы уже неделю. Любопытно на сколько хватит батареи и до какого напряжения она разрядится когда часы остановятся. Благодарю за внимание!

Прогресс стремительно идет вперед. Но почему-то он обходит кварцевые часы. Они как выпускались с питанием от 1 батарейки АА 15 лет назад, так и сейчас в новые нужна она. Некоторые механизмы останавливаются когда напряжение питания достигнет 0,9 в. А некоторые могут и при 1.2В - Ni-MH аккумуляторы для них не самый лучший вариант.

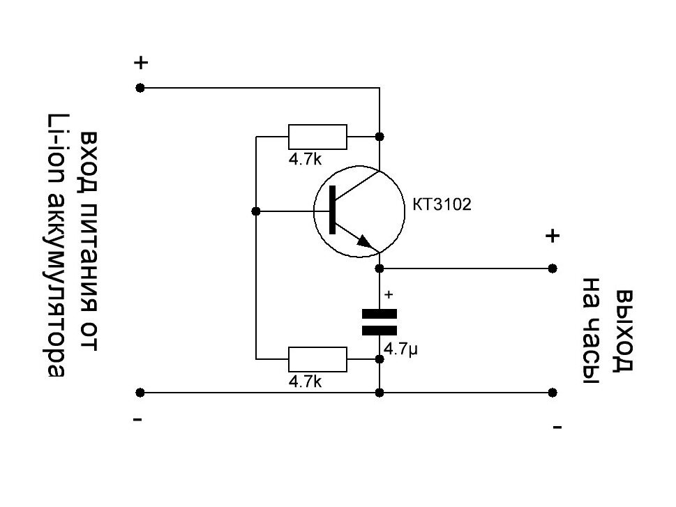
На просторах Интернета попалась мне идея как подключить часы к li-ion аккумулятору. В отличие от DC-DC переобразователей она потребляет очень мало энергии от АКБ. При подключенных современных часах с плавным ходом измерил ток и он оказался около 1 мА.

Сейчас правильная схема
Сейчас правильная схема

Для сборки понадобится транзистор КТ3102 или его иностранный аналог BC547.

спаяны детали
спаяны детали
готовое устройство
готовое устройство

При напряжении на аккумуляторе 4.2В на выходе 1.6В. По мере его разрядки напряжение будет снижаться и на выходе.

измерение выходного напряжения
измерение выходного напряжения
подключено к часам
подключено к часам

Идут часы уже неделю. Любопытно на сколько хватит батареи и до какого напряжения она разрядится когда часы остановятся.

в работе
в работе

Благодарю за внимание!