Добавить в корзинуПозвонить
Найти в Дзене
ЭлектроХобби

Схема простого триггера на одном реле, схема включения и выключения одной кнопкой

Вашему вниманию очень простая электрическая схема триггера на одном реле. Для тех, кто не знает, что это такое, поясню. Допустим имеется задача организовать схему, которая бы замыкала контакты, управляющие той или иной нагрузкой, с помощью всего одной кнопки (без фиксации). То есть, один раз нажали на кнопку – реле сработало и включилось, второй раз нажали на кнопку – реле выключилось, перейдя в исходное состояние. Ну, а примером применения такого электрического переключателя на реле может быть вариант проходного выключателя. Это когда включение и выключения освещения можно осуществлять из различных мест, где установлены кнопки схемы. Количество кнопок вкл/выкл может быть различным, и все они подключаются параллельно друг другу. Думаю смысл этого понятен. Теперь давайте разберем как именно работает данная схема, состоящая всего из нескольких элементов. Сразу можно увидеть, что схему можно разделить на две части по вертикали. Неким мостом этих частей выступают электрические пер
Схема простого триггера на одном реле
Схема простого триггера на одном реле

Вашему вниманию очень простая электрическая схема триггера на одном реле. Для тех, кто не знает, что это такое, поясню. Допустим имеется задача организовать схему, которая бы замыкала контакты, управляющие той или иной нагрузкой, с помощью всего одной кнопки (без фиксации). То есть, один раз нажали на кнопку – реле сработало и включилось, второй раз нажали на кнопку – реле выключилось, перейдя в исходное состояние. Ну, а примером применения такого электрического переключателя на реле может быть вариант проходного выключателя. Это когда включение и выключения освещения можно осуществлять из различных мест, где установлены кнопки схемы. Количество кнопок вкл/выкл может быть различным, и все они подключаются параллельно друг другу. Думаю смысл этого понятен.

Теперь давайте разберем как именно работает данная схема, состоящая всего из нескольких элементов. Сразу можно увидеть, что схему можно разделить на две части по вертикали. Неким мостом этих частей выступают электрические переключатели (не фиксируемая кнопка S1 и одна рабочая группа контактов самого реле K1). Итак, на схему подано напряжение питания (используется постоянный ток). В начальный момент с реле ничего не происходит, а вот поданное на схему питание идет на зарядку конденсатора C1. Причем, скорость процесса заряда ограничивается резистором R1.

Конденсатор C1 заряжается достаточно быстро. Далее когда мы нажмем на кнопку S1, то накопленный конденсатором электрический заряд через эту кнопку пойдет на катушку реле, что спровоцирует кратковременное срабатывание этого реле. При этом рабочая группа контактов K1 данного реле переключится. То есть, плюс питания уже присоединиться к резистору R3, что обеспечивает постоянное питание катушки реле от источника питания этой схемы. Реле перешло в режим самозахвата (поддерживает внешним питанием само себя).

В результате мы одним нажатием на кнопку перевели реле из нерабочего состояния в рабочее. Другие группы контактов реле (которые не указаны на этой схеме, но имеются на самом реле) могут быть подключены к различным внешним устройствам, тем самым управляя ими. Если эта схема триггера на реле стоит в проходном выключателе, то начнет гореть свет в определенном помещении, коридоре и т.д.

Поскольку плюс питания переключен на катушку реле, то в это время процесс заряда конденсатора отсутствует, а тот, который был до этого был израсходован на старт включения катушки реле. А то остаточное количество электрического заряда, что могло остаться на конденсаторе быстро разрядится через параллельно стоящий резистор R2. Итак, как известно разряженный конденсатор имеет практически нулевое сопротивление. Как только мы второй раз нажмем на кнопку S1, то получится что этот конденсатор на короткое время закоротит катушку реле. Это равносильно, что мы на короткий промежуток времени поставим перемычку на эту обмотку реле. Это приведет к тому, что реле кратковременно отключится и вернет свои рабочие контакты K1 в исходное состояние.

В итоге плюс питания обратно начнет заряжать конденсатор, а катушка реле останется без запитки. Схема триггера на одном реле снова поменяет свое состояние из рабочего в нерабочее. Наша схема проходного выключателя, что взята для примера, отключит освещение в помещении. И эта схема обратно готова к новому циклу включения-выключения.

А зачем нужны резисторы R1 и R3? Стоящие последовательно конденсатору и катушке реле. Ведь они только ограничивают силу тока. Дело в том, что если не будет резистора R1 на конденсаторе, то при подаче напряжения питания для его зарядки в начальный момент возникнет некоторая просадка напряжение в самой питающей цепи. Поскольку, как я ранее упомянул, в разряженном состоянии конденсатор имеет практически нулевое сопротивление. Именно это кратковременное падение напряжения в цепи питания схемы может отрицательно влиять на стабильность работы триггера, что приведет к нестабильным срабатывания данной схемы.

Если же будет отсутствовать резистор R3, стоящий последовательно катушке реле триггера (плюс будет сразу подаваться на катушку реле), то при попытке отключить питание от катушки реле, путем ее замыкания разряженным конденсатором, значительная сила тока питания не даст это сделать. Энергия питания окажется достаточной и для осуществления питания катушки и процесса заряда конденсатора. В итоге при нажатии на кнопку для отключения схемы ничего не произойдет, схема триггера на реле не отключится. Именно резистор R3 делает определенное ограничение по току питания и делает схему работоспособной.

К сожалению данная схема триггера на одном реле имеет ряд значительных недостатков. У нее плохая стабильность в работе, к различным реле нужно будет подбирать свои номиналы резисторов и конденсатора, малая скорость перехода из одного состояния в другое и т.д. На этой простой схеме легко можно понять сам принцип работы подобный триггеров. Более же лучший вариант, где уже отсутствуют эти недостатки, вы можете увидеть на рисунке ниже.

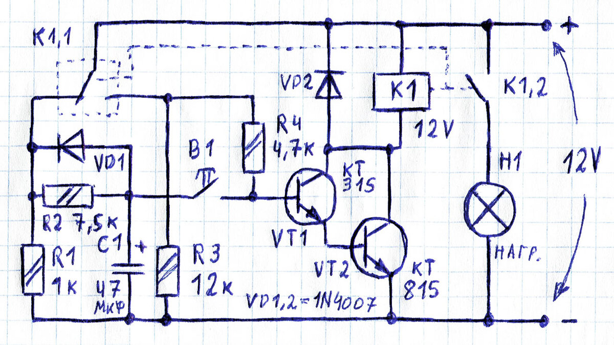
Улучшенный вариант схемы триггера на реле
Улучшенный вариант схемы триггера на реле

Улучшенная схема имеет усилительные компоненты (биполярные транзисторы), что делает работу данного устройства более стабильной и четкой. Так что если вы захотите собрать себе подобное триггер-реле, то берите за рабочий вариант именно схему с транзисторами! Данная схема мной собиралась, проверялась, и ее работой я полностью удовлетворен. Описание работы этой схемы тут - https://dzen.ru/a/Y708jecy6ivkeJqI