Добавить в корзинуПозвонить
Найти в Дзене
ON/OFF

Soft-Start или термистор ?

Всем привет. Задался я себе вопросом из заголовка, давайте разбираться. Итак общая для них задача ограничить пусковой ток, с софт стартом все понятно, подобрал необходимый резистор но закону дяди Ома, определил необходимую постоянную времени - все. Запускай себе хоть болгарку, хоть умзч. Кстати, по поводу применения для умзч и иип, и далее мое мнение. Я не понимаю для чего высчитывать в расчетах резистора ограничения мощность потребителя ? суть дела - у нас в иип стоит емкость, которая в разряженном состоянии практически с нулевым сопротивлением и при чем разницы что у нас стоит 100 мкф 400 вольт или 300 - нет, все равно перемычка - с разной постоянной времени заряда - все. То есть закон Ома - здесь единственный расчет по сути и постоянная времени конденсатора - будет временем работы софт старта - вот и весь расчет, как пример: t=RC=(примем емкость в 300 мкф , резистор в 44 Ома)=13 мкс и ограничение 5А но и этого не будет, потери на импедансе входного фильтра, плюс диодном мосту и т.д.

Всем привет. Задался я себе вопросом из заголовка, давайте разбираться. Итак общая для них задача ограничить пусковой ток, с софт стартом все понятно, подобрал необходимый резистор но закону дяди Ома, определил необходимую постоянную времени - все. Запускай себе хоть болгарку, хоть умзч. Кстати, по поводу применения для умзч и иип, и далее мое мнение. Я не понимаю для чего высчитывать в расчетах резистора ограничения мощность потребителя ? суть дела - у нас в иип стоит емкость, которая в разряженном состоянии практически с нулевым сопротивлением и при чем разницы что у нас стоит 100 мкф 400 вольт или 300 - нет, все равно перемычка - с разной постоянной времени заряда - все. То есть закон Ома - здесь единственный расчет по сути и постоянная времени конденсатора - будет временем работы софт старта - вот и весь расчет, как пример:

t=RC=(примем емкость в 300 мкф , резистор в 44 Ома)=13 мкс и ограничение 5А но и этого не будет, потери на импедансе входного фильтра, плюс диодном мосту и т.д. Увеличивать значение резистора, тоже не имеет смысла, конденсатор свое возьмет в любом случае и если мы ограничим ток, допустим в 1 А - получим бросок тока, как только софт старт замкнет реле.

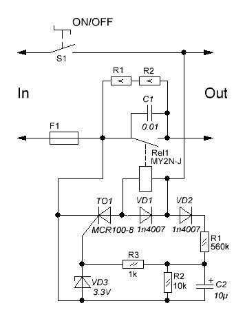
И с тем же трансформатором ? да, в статье по нему я привел пики тока в идеале. В реале будет намного меньше и зависеть от многих факторов- мощности трансформатора(при чем на трансформаторах умзч которые пытаются делать любители - с низкой индуктивностью рассеяния, он будет больше) емкости конденсаторов ( при чем первой емкости после диодного моста , достанется больше) и т.д. от чего исходить? да тот же закон Ома, не обращая внимание на мощность бп. И это, по сути, делает Soft Start на реле - универсальным инструментом на все случаи жизни с высоким КПД, он ведь после запуска не участвует в работе). Поделюсь простой схемкой софт старта:

Простой принцип. Резистор R1, R2 в паре с С2 создает постоянную времени , если смотреть по калькулятору в 5.6 сек. но по факту срабатывает примерно около 1 сек, так как влияет срабатывание тиристора U управляющего в 1.2 Вольта. Ток тиристора 0.8 А и практически подходит любое промежуточное реле. Стабилитрон я поставил, для успокоения души) можно не ставить.. Конденсатор С1 предотвращает дребезг контактов реле, тем самым увеличивает срок службы. Резисторы R1-2 я взял 20 Ом, работает на общую емкость конденсаторов иип 660 мкф и искр с розеток нет) Печать и фото устройства:

-2
-3

А теперь давайте посмотрим на NTC термистор. Его нелинейная ВАХ( вольт амперная характеристика) говорит нам о том, что меняет он сопротивление исходя из тока потребления- меняется температура от потребления. Да, это норм при постоянных нагрузках, когда у тебя потребитель *лопает* пару и более ампер, но, давайте посмотрим со стороны применения его в иип для умзч? Грамотно сделанный иип имеет КПД от 90 % и что произойдет оставь я музыку на полчаса на паузе ? правильно остынет= прибавит сопротивление, или же я ее тихо слушаю и решил прибавить ? да ничего - скажите Вы, поменяет сопротивление. - Хорошо! а насколько это в конечном итоге повлияет на постоянную времени заряда конденсаторов, как итог, просадки напряжения ? и в конечном итоге скорость усилителя ? и другой вопрос а зачем мне вообще что-то ограничивать ? ради интереса я взял термистор 10D-9 и подключил его к своему отладочному ккм последовательно, перед этим измерив сопротивление=11.7 Ома. Оставил его на 10 минут и сопротивление 10.7 Ома !

-4

И это с учетом того что, уже стоит термистор на плате. И вывод для себя, я сделал однозначный - термистору не место в качественном иип для умзч.

Ну и напоследок не большой лайфхак, как сейчас модно говорить. Чтоб не прятать лицо за сварочной маской при первом включении иип), я одеваю на термистор кембрик:

-5

Как эти товарищи разлетаются, Вы можете судить по картинкам в интернете. Это в целях безопасности.

Схема и печать здесь .

Всем Спасибо.