Добавить в корзинуПозвонить
Найти в Дзене
Все в 3D в SolidWorks

Сборочный чертеж металлоконструкции в SolidWorks

Всем доброго времени суток! В этом уроке мы создадим сборочный чертеж металлоконструкции, сборку которой мы выполнили в уроке: «Создание сборки из металлоконструкции в SolidWorks». В общем у вас должна быть открыта данная сборка. Если у вас ее нет, то можно скачать в конце данного урока: Сварочная конструкция в SolidWorks часть 2. Назначение материала деталям сборки. Начинаем с назначения материла, для этого в дереве конструирования нажимаем правой кнопкой мыши по детали «3ДДД.001.01.005 Раскос». В открывшемся меню переходим на строку «Материал», нажимаем на «Редактировать материал». Открывается окно назначения материала. Выбираем «Сталь 3 ГОСТ 535-88» и нажимаем применить. Как видим по цвету деталей на сборке к ним применился другой материал. Напомню, если у вас не установлена база материалов по ГОСТ, то узнать, как это сделать можно на этой странице: Добавление базы материалов по ГОСТ в SolidWorks. Далее точно также назначаем материал Сталь 3 ГОСТ 535-88 для остальных деталей сборки.
Оглавление
Сборочный чертеж металлоконструкции в SolidWorks
Сборочный чертеж металлоконструкции в SolidWorks

Всем доброго времени суток! В этом уроке мы создадим сборочный чертеж металлоконструкции, сборку которой мы выполнили в уроке: «Создание сборки из металлоконструкции в SolidWorks».

В общем у вас должна быть открыта данная сборка.

Сборка металлоконструкции в SolidWorks
Сборка металлоконструкции в SolidWorks

Если у вас ее нет, то можно скачать в конце данного урока: Сварочная конструкция в SolidWorks часть 2.

Назначение материала деталям сборки.

Начинаем с назначения материла, для этого в дереве конструирования нажимаем правой кнопкой мыши по детали «3ДДД.001.01.005 Раскос».

Меню для выбора материала на сборке в SolidWorks
Меню для выбора материала на сборке в SolidWorks

В открывшемся меню переходим на строку «Материал», нажимаем на «Редактировать материал». Открывается окно назначения материала.

Окно выбора материала в SolidWorks
Окно выбора материала в SolidWorks

Выбираем «Сталь 3 ГОСТ 535-88» и нажимаем применить. Как видим по цвету деталей на сборке к ним применился другой материал.

Изменённый материал для раскосов на сборке в SolidWorks
Изменённый материал для раскосов на сборке в SolidWorks

Напомню, если у вас не установлена база материалов по ГОСТ, то узнать, как это сделать можно на этой странице: Добавление базы материалов по ГОСТ в SolidWorks.

Далее точно также назначаем материал Сталь 3 ГОСТ 535-88 для остальных деталей сборки.

Материал назначенный для всех деталей сборки

После назначения материала ко всем деталям нужно заполнить свойства сборки.

Свойства сборки в SolidWorks

Для заполнения свойств нажимаем на иконку свойства файла…

Иконка свойства файла в SolidWorks
Иконка свойства файла в SolidWorks

открывается окно для заполнения свойств. Заполняем свойства на вкладке «Конфигурация». Вводим обозначение: «3ДДД.001.01.000 СБ», и наименование: «Рама».

Свойства сборки в SolidWorks
Свойства сборки в SolidWorks

Также в конце окна свойств вводим свойства в строку формат: «А3».

Переходи к созданию чертежа сборки.

Создание чертежа из сборки.

Для создания чертежа нажимаем: «Файл, создать чертеж из сборки». Выбираем шаблон для чертежа и формат листа «А3- СПЕЦИФИКАЦИЯ-Л1-Г».

Формат листа для создания сборочного чертежа SolidWorks
Формат листа для создания сборочного чертежа SolidWorks

Данные шаблоны форматов чертежей для SolidWorks по ГОСТ можно скачать здесь.

И нажимаем ОК. Лист чертежа открылся.

Добавление видов на чертеж.

В качестве главного вида добавляем вид «Спереди», в качестве проекционного добавляем вид «Сверху».

Также добавляем вспомогательные виды с помощью «Местного вида» и «Разреза» и Триметрии.

Виды на чертеже в SolidWorks
Виды на чертеже в SolidWorks

Далее добавим сварные швы на чертеж.

Сварные швы на чертеже сборки в SolidWorks

Сразу хочу отметить, что в сварке я не спец и в правильности установки швов не уверен.

И так начнем постановку швов. Проставим швы для Вида Б.

Сварные швы для вида Б на чертеже в SolidWorks
Сварные швы для вида Б на чертеже в SolidWorks

Далее назначим швы для видов А и В.

Сварные швы для вида А и В на чертеже в SolidWorks
Сварные швы для вида А и В на чертеже в SolidWorks

И далее швы для разреза Г-Г.

Сварные швы для разреза Г-Г на чертеже в SolidWorks
Сварные швы для разреза Г-Г на чертеже в SolidWorks

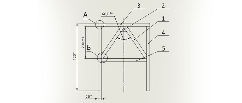
Далее проставим размеры для сборки.

Размеры для сварной сборки в SolidWorks

На размерах отдельно останавливаться не будем, я поставил их как на картинке ниже. Все размеры на главном виде и виде сверху.

Размеры на сборочном чертеже сварной конструкции в SolidWorks
Размеры на сборочном чертеже сварной конструкции в SolidWorks

Далее нам осталось добавить номера позиций деталей и спецификацию. Начнем с номеров.

Номера позиций на сборочном чертеже в SolidWorks

Все номера позиций проставим на главном виде.

Позиций на главном виде сварной конструкции в SolidWorks
Позиций на главном виде сварной конструкции в SolidWorks

Подробней про позиции добавления спецификации в уроке: Сборочный чертеж кривошипно-коромыслового механизма в SolidWorks часть 2.

Спецификация для металлоконструкции в SolidWorks

Как добавлять спецификацию на сборочный чертеж в SolidWorks по ГОСТ указанно по ссылке выше.

Я лишь просто ее добавлю и немного поправлю номера позиций и пропишу наименование и обозначение деталей, так они не прописаны в свойствах этих деталей.

После сохранение данного сборочного чертежа – эти свойства пропишутся в деталях автоматически.

Скачать шаблон спецификации по ГОСТ для SolidWorks

На данный момент спецификация приведена к данному виду.

Спецификация для металлоконструкции в SolidWorks
Спецификация для металлоконструкции в SolidWorks

Как видно детали поз. №1, №3 – без чертёжные. Соответственно данные для их изготовления указываем на спецификации.

Для этого после каждой без чертежной детали вставляем 3 пустых строчки в спецификации.

Заполняем строки в столбце «Наименования». Сначала указывается сортамент детали, в строке ниже указывается материал, а затем размеры детали.

Характеристики без чертежной детали на спецификации в SolidWorks.
Характеристики без чертежной детали на спецификации в SolidWorks.

Также в строке где указан размер детали указывается и масса детали в столбце примечания.

Далее по такому же принципу указываем данные для детали под номером 3 и спецификация готова.

Готовая спецификация для сборки металлоконструкции в SolidWorks
Готовая спецификация для сборки металлоконструкции в SolidWorks

Далее вносим технические требования на чертеж. И на этом закончим создание сборочного чертежа в SolidWorks.

Технические требования на сборочном чертеже в SolidWorks
Технические требования на сборочном чертеже в SolidWorks

На этом сборочный чертеж сварной металлоконструкции в SolidWorks готов.

Как его сохранить в формат PDF можно узнать в данном уроке: Сборочный чертеж кривошипно-коромыслового механизма в SolidWorks часть 2.

Видео урок будет позже

В следующих уроках мы выполним чертежи деталей под номерами: №2, №4, №5 из данной сборки.

Всем пока!