Добавить в корзинуПозвонить
Найти в Дзене

Ламповые аудио усилители

Дорогие друзья, всем привет! В данной статье я расскажу про некоторые ламповые аудио усилители, которые мне довелось собрать за период моего увлечения электроникой. Особенных обсуждений вопросов схемотехники не будет, скорее сделаю упор на свои субъективные ощущения при прослушивании, а также некоторые особенности конструирования. Однотакт на 6L6GC Первым более или менее похожим на законченное устройство был маленький однотакт на 6L6GC. Собрал я его, если память не изменяет, осенью 2015 года. Схема приложена, как видите - совершенно ничего эдакого. Первый каскад - СРПП на триодах 6Н23П или 6Н5П, выходная лампа включена триодом, смещение фиксированное с подстройкой, питание кенотронное на 5Ц3С. Вот в принципе и все. В правой части схемы батарея резисторов для гашения напряжения накала кенотрона - не было нужного силовика на момент сборки. Платы заводские, монтаж выполнен жирными проводами Radox 125 от Huber+Suhner, использовал я дорогие, якобы супер-круто звучащие конденсаторы (по моему
Оглавление

Дорогие друзья, всем привет!

В данной статье я расскажу про некоторые ламповые аудио усилители, которые мне довелось собрать за период моего увлечения электроникой. Особенных обсуждений вопросов схемотехники не будет, скорее сделаю упор на свои субъективные ощущения при прослушивании, а также некоторые особенности конструирования.

Однотакт на 6L6GC

Первым более или менее похожим на законченное устройство был маленький однотакт на 6L6GC. Собрал я его, если память не изменяет, осенью 2015 года. Схема приложена, как видите - совершенно ничего эдакого. Первый каскад - СРПП на триодах 6Н23П или 6Н5П, выходная лампа включена триодом, смещение фиксированное с подстройкой, питание кенотронное на 5Ц3С. Вот в принципе и все. В правой части схемы батарея резисторов для гашения напряжения накала кенотрона - не было нужного силовика на момент сборки.

-2

Платы заводские, монтаж выполнен жирными проводами Radox 125 от Huber+Suhner, использовал я дорогие, якобы супер-круто звучащие конденсаторы (по моему на фотке в как раз такой Nichicon Fine Gold). Выходные трансформаторы от фирмы Золотая Середина, вполне себе хорошие изделия. Корпус небольшой, китайский с алюминиевой лицевой панелью. В общем что получилось видно на фото, по-моему достаточно симпатично.

-3
-4
-5
-6

Что касается звука. Вы знаете, я этот усилитель готов советовать любому начинающему. Во-первых, он простой как входная дверь и поэтому надежный (к слову, с примерно 2017 года он трудится у другого хозяина и до сих пор не было никаких нареканий). Во-вторых, он умеренно нелинейный и "те самые" ламповые искажения и соответствующий окрас слышно вот прям очень хорошо. Его минус это выходная мощность в несколько Ватт на канал. Если у акустики чувствительность выше 90 дБ, то есть достаточно высокая, то этой мощности вполне себе хватит для озвучивания небольшой комнаты. С более тугой акустикой ему конечно придётся тяжело. Но в целом - усилитель очень даже достойный при его цене и сложности.

Однотакт на 6С4С

В течение 2016 года наигравшись, начитавшись и наслушавшись я решил двинуться дальше и стал поглядывать на наш отечественный выходной триод 6С4С как на нового кандидата для усилителя. Лампа воистину классная, линейная, мощность неплохая, красивая в конце концов :) Схем однотактных усилителей с ней пруд-пруди, но в конечном счете собирал я по этой, за что огромное спасибо Дмитрию Андронникову, который не только помог с разработкой схемы, но и подогнал пару шикарных триодов 6P5G производства Sylvania.

-7

Как видно схема уже чуть-чуть сложнее предыдущей. Для питания 6С4С используется кенотрон 5Ц3С, для питания входного каскада - кенотрон 6Ц5С. Смещение тут также фиксированное, с подстройкой. Для накала 6С4С организована своя цепь питания со стабилизатором (все же лампа прямонакальная). Трансформаторы я использовал от Алексея Шалина, совершенно потрясающие изделия, как массогабаритными характеристиками, так и качеством.

-8

Платы также заводские, фото в процессе монтажа.

-9
-10

Упаковал я всю эту историю в два моноблока. Накладка из полированной стали, лицо из натурального ореха, шиковал в общем (наивно полагал, что эта конструкция на всю жизнь и поиски окончены, угу...).

-11
-12
-13

Теперь что касается звука. Вот с этим усилителем был вау-эффект! Настолько звук был чистым, осязаемым, прям детальным каким-то, сначала просто потрясает, особенно если опыта маловато ;) Да он и потом не перестал быть крутым, просто мощности не хватало: в наиболее громких моментах слышны искажения, некоторая компрессия. В общем год радостей и снова поиск. Моноблоки были разобраны и распроданы по частям.

Lynx VTA-65, двухтакт на 6L6GC

Еще после конструкции однотакта у меня осталось штук наверное 10 лампочек 6L6GC, которые надо было куда-то пристроить. По счастливой случайности (как всегда) от моего друга и товарища Сергея Жукова, который вместе с Дмитрием Андронниковым и формирует костяк Lynx Audio, мне достались платы усилителя Lynx VTA-65. Схемы его в общей доступности нет, интеллектуальная собственность не моя, соответственно показать я ее не имею права. Да и если честно есть у меня только сборочный чертёж, не более. Но аппарат уже был на голову серьезнее и сложнее всех предыдущих вместе взятых и я долго межевался, стоит к нему приступать или нет, хватит ли мне квалификации? В итоге хватило, усилитель был собран и за период эксплуатации претерпел ряд модернизаций, а именно - добавил систему квазисенсорного включения, пульт ДУ, систему контроля токов ламп выходного каскада, систему индикации уровня, немного поменял внешний вид. Окончательный результат на фото.

-14
-15
-16
-17
-18

Огромный, тяжеленный весом около 25 кг, относительно сложный аппарат. Но звук... Вот это был отвал головы, я просто в корягу офигел. Такой мощи, масштаба, напористости, объема, но при этом детальности, глубины я не слышал никогда. В тот момент до меня дошло 2 вещи: во-первых, я все же сторонник двухтактных схем (ну и к тому моменту мне деваться стало некуда, так как обзавёлся компрессионной акустикой от Dynaudio), а во-вторых, мб многие не разделят этой позиции, но все же - простота хуже воровства. Заехать в рай на печи редко у кого получается. Если некоторые инженерные решения однозначно приводят к объективному и субъективному улучшению звука, значит вопросов в части нужности их внедрения вообще стоять не должно. Я не думаю, что это сильно осложняет конструктив, хотя каждому - свое. Для меня, например, СВЧ электроника это сложно. Или программирование МК.

Lynx VTA-56, двухтакт на ГУ-32

Очень интересный усилитель, который я собирал для своего товарища и который также претерпел ряд модернизаций. Вся исходная информация и схема выложены на сайте Дмитрия.

Итак сначала был обычный конструктив, но начал всплывать вопрос о температурных режимах выходной лампочки. Весь аппарат был в закрытом корпусе и лампа грелась очень хорошо. Во избежание вероятных неприятностей решено было сделать принудительную циркуляцию воздуха с надувом прямо на баллон при помощи вентиляторов и воздуховодов. В общем вокруг исходной платы были сделаны дополнительные элементы, обеспечивающие крепление дополнительных емкостей и выпуска воздуха через боковые стенки.

-19
-20

Аппарат также оснащен системой дистанционного управления и мягкого пуска. Еще немного фото.

-21
-22
-23

В плане звука усилитель крайне интересный. Он как бы по-прежнему ламповый, но уже начинает тяготеть в сторону полупроводникового звучания, то есть как бы более аналитичный и собранный, как будто рисуешь хорошо наточенным карандашом. Он уже больше подходит для воспроизведения, в том числе, экстремальных стилей музыки. В целом очень хороший аппарат.

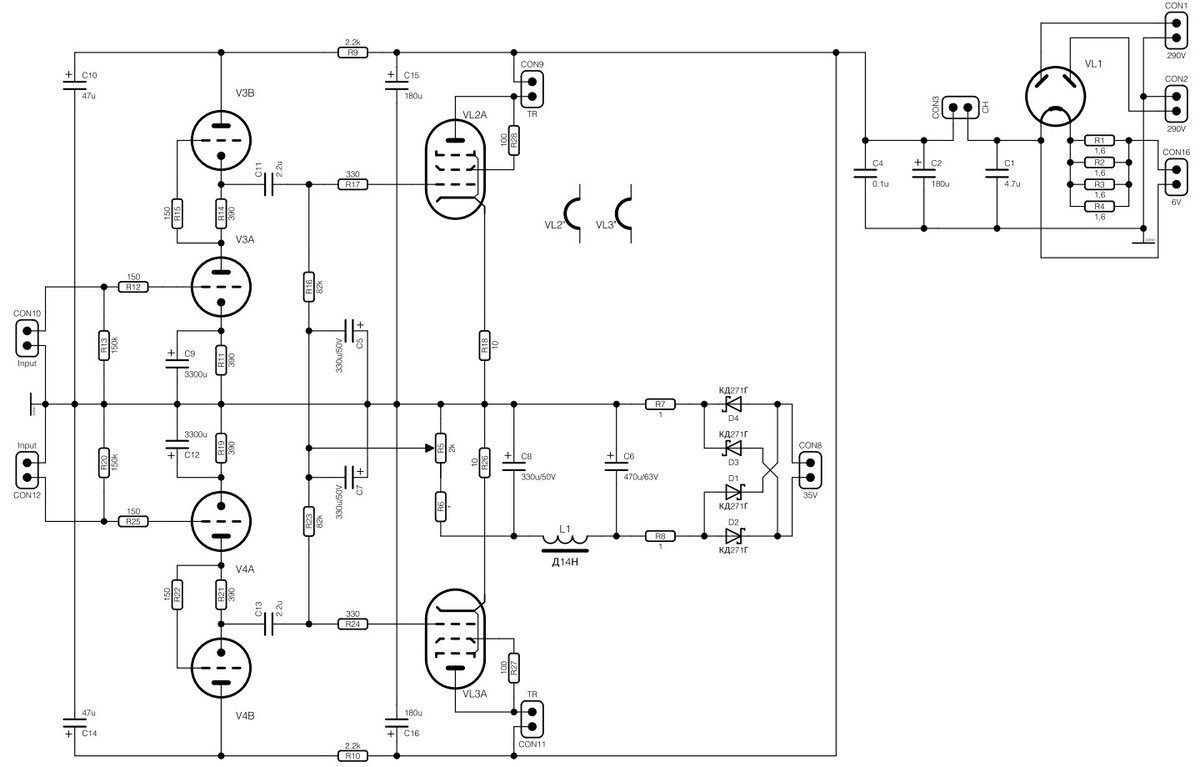
Lynx VTA-77, двухтакт на 6С4С

А этот усилитель еще пока что в проекте. Поскольку Дмитрий его схему уже публиковал на одном из профильных форумов, то, полагаю, я могу ее тут выложить.

-24

Для этого проекта у меня почти все есть, включая трансформаторы ФИ, выходные трансформаторы, лампы, конденсаторы и т.д. Нету только силовиков. Поскольку я его рассматриваю как действительно топ-аппарат, то подбор всех комплектующих делаю неторопливо, параллельно размышляя о целесообразности упаковки его аж в 4 блока (2 блока - питание, 2 блока - сигнальная часть). Моточные изделия опять же от Алексея Шалина. Не знаю, отражает ли фото масштаб, но выходники воистину внушающие уважение, каждый весом около 7 кг. Более подробные характеристики уже буду озвучивать при написании соответствующей статьи.

-25