Добавить в корзинуПозвонить
Найти в Дзене
Ermolaev blog

Вопросы по дисциплине "Циклы криогенных систем"

  1. Понятие термодинамической (абсолютной) температуры. Пересчет градусов К в градусы С.
  2. Области температуры холодильной и криогенной техники. Примерно какие температуры можно получить при использовании рабочих тел: аммиак, метан, азот, неон, водород, гелий.
  3. Какая система называется термомеханической. Назовите для нее основные независимые переменные и зависимые переменные (термодинамические функции состояния).
  4. Запись и физический смысл первого закона термодинамики. Запись первого закона термодинамики при Р=const.
  5. Как, используя понятие второго закона термодинамики, объяснить физическое понимание искусственного понижения температуры.
  6. Физическая сущность моделей идеального и реального газов. Запись уравнения состояния для идеального газа.
  7. Используя понятия физической сущности моделей идеального и реального газов, объяснить переход от уравнения состояния идеального газа к уравнению состояния реального газа (к уравнению Ван-дер-Ваальса).
  8. Принцип получения низких температур с использованием газообразных рабочих веществ. Назовите основные процессы, используемые при этом.
  9. Какие отличия в реализации процессов сжатия: адиабатного, изотермического, политропного.
  10. Соотношение отводимой теплоты и подводимой работы в процессе изотермического сжатия азота, водорода, гелия при исходной температуре окружающей среды в области рабочих давлений.
  11. Определение работы изотермического сжатия газа.
  12. Изменение энтальпии в области рабочих давлений при изотермическом сжатии азота, водорода, гелия.
  13. Зависимость величины изменения энтальпии при изотермическом повышении давления а) от давления сжатия при Р=const; б) от температуры сжатия при Т=const.
  14. Физическое представление процесса дросселирования газа. Как меняются основные параметры газа при дросселировании: P, S, T.
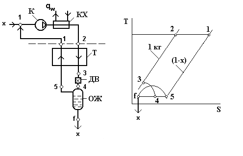
  15. Понятие цикла термостатирования. Основные процессы цикла. Задача реализации цикла.
  16. Холодильный коэффициент цикла Карно: его физический смысл и определение значения.
  17. Соотношение отводимой энергии в конденсаторе и подводимой работы при сжатии в парокомпрессионном бытовом холодильнике.
  18. Пояснить, когда в теоретическом криогенном цикле термостатирования наступает стабилизация температуры перед дроссельным вентилем.
  19. Запись баланса энергии теоретического криогенного цикла термостатирования.
  20. С какой целью используется предварительное внешнее охлаждение жидким азотом в детандерных циклах сжижения гелия.
  21. Какие различия в условиях работы детандеров при каскадном и параллельном их включении.
  22. Запись баланса энергии цикла сжижения гелия с предварительным азотным охлаждением, детандерной и дроссельной ступенью охлаждения.
  23. Баланс энергии детандерной ступени охлаждения в цикле сжижения гелия.