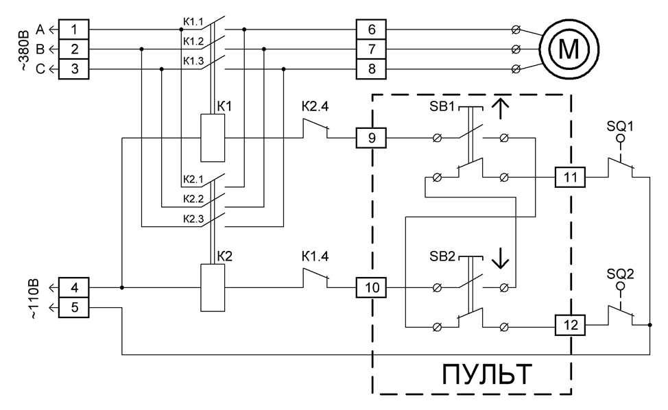
Здравствуйте мои уважаемые читатели! Ответ на вопрос в заглавии – это электродвигатель! Приближается Новый Год! У всех предпраздничное настроение! Дедушка Мороз лично мне дарил «подарки» на работе после новогодних каникул… Но этот год, видимо, особенный – подарки почти каждый день за 30 дней до Нового года стал «дарить» и даже по субботам!!! В субботу отдыхаю, но в конце дня звонок: «на станке ванна не поднимается!». Ехать не охота. При нажатии кнопки «подъём ванны» пускатель щёлкает, а мотор не крутится, ванна не поднимается. Мотор гудит? Может, одной фазы нет? Говорят, что вниз едет нормально и после того и вверх едет. Но если остановить и снова включить, опять не едет. И самое главное то, что электромотор не гудит! Схема управления мотором простая: всего два пускателя, две кнопки управления и два концевых выключателя Рис. 1. Схема управления электромотором. Первая мысль, что в концевике пропадает контакт, говорят, что слышно как пускатель срабатывает. Бывает, что по цепям питания пр
