Найти в Дзене
Разумный мир

ОБ, ОЭ, ОК... Взгляд с точки зрения транзистора. Для начинающих

Оглавление

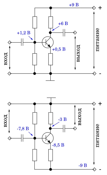
Идея написать статью появилась после вопроса "Почему при изменении общего провода способ подключения транзистора не поменялся с общего эмиттера на общий коллектор?" заданного читателем в комментариях к статье

Немного о питании электронных устройств. Полярность, количество источников, влияние на расчет
Разумный мир3 октября 2021

Вопрос возник к иллюстрации (я повторю ее здесь)

Это один и тот же усилительный каскад с ОЭ, но за общий провод приняты разные полюсы источника питания. Иллюстрация моя
Это один и тот же усилительный каскад с ОЭ, но за общий провод приняты разные полюсы источника питания. Иллюстрация моя

Вопрос показался мне интересным и достойным более подробного рассмотрения. Причина возникновения вопроса тоже понятна. И тем не менее, этот усилительный каскад остается каскадом с ОЭ. И сегодня мы разберемся, почему это так.

Данная статья рассчитана на новичков, которые уже пытаются разобраться и в теоретических вопросах, а не просто повторяют готовые схемы. Да, здесь не будет никаких откровений. Все совершенно прозаично, но от этого не менее интересно.

Начнем разбираться с того, что вспомним некоторые подробности о работе собственно транзисторов.

Внимание! Статья ОЧЕНЬ большая! Поэтому приготовьте большую кружку горячего кофе и наберитесь терпения. И не забудьте запастись внимательностью... Вас предупредили.

Три классические схемы включения транзисторов

В любом учебнике по электронике, в любой книге по электронике для начинающих, в огромном количестве статей в интернете можно увидеть примерно такую иллюстрацию

Классические схемы включения биполярных транзисторов, которые можно найти в любом учебнике по электронике
Классические схемы включения биполярных транзисторов, которые можно найти в любом учебнике по электронике

В данном случае, я сфотографировал иллюстрацию в учебнике "В.Г. Гусев, Ю.М. Гусев, Электроника, издание второе, переработанное и дополненное". Не обращайте внимания, что здесь показаны транзисторы PNP, а на моей иллюстрации NPN. Для нас сегодня это не будет иметь значения. На фото из учебника показаны источники питания, источники входного сигнала, резисторы нагрузки, место съема выходного сигнала.

Всем хорошо известны основные свойства разных схем включения. Например, схема с ОЭ обеспечивает самый большой коэффициент усиления по напряжению, но ее входное сопротивление мало. Схема с ОК имеет большее входное сопротивление, но не усиливает сигнал по напряжению. И так далее. А теперь давайте задумаемся, откуда транзистор знает, как его включили в схему?

Конечно, транзистор не обладает разумом и для него совершенно не важно, как именно он включен в схему. Принцип работы транзистора (на физическом уровне) совершенно не зависит от схемы включения. Почему же тогда мы видим столь значительные различия? Что бы разобраться сначала нужно немного вспомнить, как устроен и как работает транзистор.

Кратко о том, как работает транзистор

Как известно, биполярный транзистор состоит из 3 последовательных слоев полупроводника с разным типом проводимости. Это находит отражение в обозначении структуры транзисторов NPN и PNP.

Классическое изображение структуры транзистора. Иллюстрация моя
Классическое изображение структуры транзистора. Иллюстрация моя

Средний слой является базой. Он выполняется тонким, что чрезвычайно важно. Кроме того, его удельное сопротивление относительно высоко. Два оставшихся слоя являются коллектором и эмиттером. На подавляющем большинстве иллюстраций они изображаются идентичными, что вызывает у новичков дополнительные вопросы и затруднения. Удельные сопротивления областей эмиттера и коллектора ниже, чем у базы. Кроме того, сопротивление эмиттера несколько ниже сопротивления коллектора. Зато коллектор имеет большую площадь (и объем).

Конструктивные особенности транзисторов разных технологий нам сегодня не важны, но я все таки приведу иллюстрацию из которой видно, что области эмиттера и коллектора действительно различаются, конструктивно

Фото из того же самого учебника
Фото из того же самого учебника

Три последовательно размещенных слоя полупроводника дают нам две области в которых эти слои соприкасаются. Эти области называются переходами, точнее p-n переходами. Что бы различать эти переходы им даны названия: переход база-коллектор (БК), переход база-эмиттер(БЭ).

Транзистор может находиться (работать) в трех основных режимах. В режиме отсечки, в режиме насыщения, в активном режиме. Самым интересным для нас сегодня режимом работы транзистора является именно активный режим. Именно в этом режиме транзистор работает в усилительных каскадах которые мы сегодня и рассматриваем.

В активном режиме переход БЭ смещен в прямом направлении и через него протекает ток. Переход БК смещен в обратном направлении и ток, для идеального транзистора, через переход не течет. Но в реальных транзисторах небольшой ток через переход КБ все таки протекает. Он называется обратным током коллектор база и в справочниках обозначается Iкбо. Для современных кремниевых транзисторов этот ток очень мал, но для германиевых транзисторов он был вполне ощутимым и требовал учета при расчетах.

Физика работы транзистора сегодня рассматриваться не будет. Это отдельная большая тема. Но нам понадобятся некоторые основные соотношения для токов и напряжений

Напряжения на между выводами транзистора и токи через выводы. Иллюстрация моя
Напряжения на между выводами транзистора и токи через выводы. Иллюстрация моя

Протекающий через прямосмещенный переход БЭ ток является током базы. При отсутствии тока коллектора, например, вывод коллектора не подключен, ток базы будет равен току эмиттера. Однако, когда вывод коллектора подключен к источнику напряжения, в цепи коллектора тоже будет протекать ток. Часть этого тока ответвляется в базу в виде Iкбо, но мы можем его не учитывать (при нестрогом рассмотрении), так как он очень мал. Поэтому будем считать, что весь ток коллектора протекает и через эмиттер.

Первое соотношение на иллюстрации и показывает то факт, что ток эмиттера будет определяться двумя составляющими - током базы и током коллектора. При этом ток Iб будет связан с напряжением Uбэ. А вот Uкэ пока будем считать постоянным.

На иллюстрации показано, что задается Uбэ. Но на самом деле мы можем задать и Uбк. По сути, эти два способа эквивалентны. Второе соотношение на иллюстрации позволяет увидеть, почему это так.

Однако, биполярный транзистор является токовым прибором. Определяющими для него являются токи через выводы (электроды). Если мы возьмем два типичных материала, германий и кремний, то при равном токе базы Uбэ будет разным. Но в остальном транзисторы могут быть полностью идентичны. Конечно, в разумных пределах.

Именно по этой причине основными параметрами транзистора являются связанные с токами коэффициенты. Первым таким параметром является коэффициент передачи тока эмиттера α (альфа)

Коэффициент передачи тока эмиттера. Иллюстрация моя
Коэффициент передачи тока эмиттера. Иллюстрация моя

Вклад Iкбо для современных кремниевых транзисторов можно не учитывать. Важно отметить, что α всегда меньше 1, так как ток эмиттера включает в себя еще и ток базы, который через коллектор не протекает. Но для современных транзисторов α будет весьма близок к 1, что является неудобным для расчетов. Поэтому α используется большей частью для описания работы каскадов с ОБ, где именно ток эмиттера является входным параметром.

Для описания работы (и расчетов) каскадов с ОЭ и ОК удобнее использовать другой параметр - коэффициент передачи тока базы β (бэта)

Коэффициент передачи тока базы. Иллюстрация моя
Коэффициент передачи тока базы. Иллюстрация моя

Я не стал приводить математические преобразования. Да, здесь тоже не учтены обратные токи и, кроме того, влияние дифференциальных сопротивлений областей транзистора. Однако, такое упрощение является чрезвычайно распространенным и наиболее часто используемым. И мы будем пользоваться именно им.

Более сложные и точные математические соотношения, которые можно найти в учебниках электроники, нам сегодня не важны. Но приведенные выше соотношения описывают работу транзистора как токового прибора и верны для любой схемы включения транзистора. Записанные не в интегральном, а в дифференциальном, виде эти соотношения будут верны и для постоянного, и для переменного тока.

Но нам потребуется еще одно, совсем небольшое, отступление от темы...

Четырехполюсники и черные ящики

Дело в том, что параметры α и β сегодня весьма трудно найти в справочных данных транзисторов. Да и в расчетных формулах они встречаются редко. Сегодня чаще всего встречаются h-параметры, самым известным из которых, пожалуй, является h21э. Поэтому нужно показать, как h-параметры соотносятся с рассмотренными ранее. И откуда они вообще взялись.

Любой усилитель, и тока, и напряжения, мы можем представить в виде "черного ящика". Внутреннее устройство такого черного ящика нам неизвестно или неважно. Мы его описываем лишь как реакцию на внешние воздействия. То есть, определяем набор внешних параметров со стороны входа и со стороны выхода и записываем аналитические соотношения между ними. У усилителя есть два зажима, на которые подается входной сигнал, и два зажима, с которых снимается выходной сигнал. А интересующими нас параметрами являются токи и напряжения

Усилитель в виде четырехполюсника. Иллюстрация моя
Усилитель в виде четырехполюсника. Иллюстрация моя

Напряжение u1 и ток i1 являются внешними входными параметрами (воздействиями), а u2 и i2 выходными (реакциями). Такого представления достаточно для введения понятий коэффициента усиления по току и напряжению

Ku = u2 /u1

Ki = i2 / i1

Эти коэффициенты мы можем определить экспериментально, измерить, причем даже в том случае, если они зависят, например, от частоты сигнала или температуры. Они не обязательно будут конкретными числами, но могут быть некими функциональными зависимостями выраженными аналитическими или эмпирическими формулами.

Кроме того, мы можем выразить через эти параметры входных и выходных сигналов многие другие интересующие нас параметры. Например, входное и выходное сопротивления или коэффициенты обратной связи (влияние выхода на входа, как пример). Но, в общем виде, мы можем записать уравнения связывающие два входных параметра и два выходных.

Чаще всего это записывают в виде матричного уравнения, в котором внутренние параметры четырехполюсника представлены в виде коэффициентов матрицы 2х2. Набор коэффициентов может быть разным. Чаще всего используются системы h-параметров и y-параметров. Для биполярных транзисторов обычно используются h-параметры

Система h-параметров четырехполюсника. Иллюстрация моя
Система h-параметров четырехполюсника. Иллюстрация моя

h21 это коэффициент передачи тока при коротком замыкании на выходе. То есть, при u2=0.

h21 = i2 / i1

Для транзисторов дополнительный индекс, например, Э или Б, указывает на схему включение по схеме с ОЭ или ОБ. Таким образом, h21э это отношение тока коллектора к току базы, но при нулевом напряжении Uкэ. Мы можем считать, что в первом приближении

h21э ≈ β = Iк / Iб

Для схемы с ОБ, где входным является ток эмиттера, мы можем считать, в первом приближении, при равном нулю напряжении Uбк

h21б ≈ α = Iк / Iэ

Теперь мы можем описать работу транзистора в активном режиме.

Работа транзистора в активном (усилительном) режиме

Поскольку переход БЭ смещен в прямом направлении, а прямая ветвь ВАХ p-n перехода идет достаточно круто, малое изменение напряжения ∆uбэ на переходе БЭ приводит к существенному изменению тока через переход. Это изменение будет равно изменению тока базы Δiб

Небольшое изменение напряжения на прямосмещенном p-n переходе приводит к существенному изменению тока через переход. Иллюстрация моя
Небольшое изменение напряжения на прямосмещенном p-n переходе приводит к существенному изменению тока через переход. Иллюстрация моя

Нам сейчас не важны ни конкретные значения, ни даже формулы, по которой определяется соотношение изменения тока базы к изменению напряжения на переходе база-эмиттер. Не важна и нелинейность, и зависимость ВАХ перехода БЭ от напряжения на коллекторе. Важен лишь сам факт существенного влияния напряжения Uбэ на ток базы.

Почему речь идет именно о переходе БЭ, ведь изменение Uбэ, как мы помним, равносильно и изменению Uбк, причем на ту же самую величину? Все просто. Ток через переход БК является обратным током Iкбо, током через обратносмещенный p-n переход. И этот ток гораздо меньше зависит от приложенного к переходу запирающего напряжения. При этом действительно

∆u = ∆uбэ = ∆uбк

А значит, что для нас нет разницы, какое именно напряжение изменять на величину ∆u. Изменение тока базы будет одинаковым. При этом одинаковым будет и изменение тока коллектора

∆iк = β ∆iб

Обратите внимание, что я ни слова не сказал о варианте включения транзистора! Мы все еще рассматриваем просто транзистор, без учета схем включения. Поскольку ток базы является и одной из составляющих тока эмиттера, изменение напряжения Uбэ на ∆u приведет и к изменению тока эмиттера. И мы можем точно так же записать выражения для ∆iк через ∆iэ и коэффициент α.

Режимы работы по постоянному и переменному току

В усилительном каскаде на выводах транзистора присутствуют и постоянные, и переменные, напряжения. А через выводы протекает и постоянный, и переменный, ток. Для упрощения анализа работы каскада обычно разделяют рассмотрение режимов работы по постоянному и переменному току.

Постоянные напряжения и токи определяют положение "рабочей точки" транзистора. Это часто называют режимом покоя, так как полезный сигнал на входе усилительного каскада отсутствует. Мы сегодня не будем касаться выбора режима транзистора по постоянному току. Равно как не будем касаться и усилительных каскадов постоянного тока (УПТ). Поводом к написанию статьи стал усилитель переменного напряжения схема которого приведена в начале статьи.

Анализ работы усилительного каскада на переменном токе сводится к анализу реакции каскада на те самые изменения входного напряжения, которые мы ранее обозначали как ∆u. В общем случае, такая реакция будет описываться системами дифференциальных уравнений. Но до такого уровня мы сегодня не дойдем. Будем считать входной сигнал гармоническим, а рассмотрение будет сильно упрощенным. Ведь статья для начинающих.

И здесь возникает первый нюанс. Насколько большим может быть ∆u? Ведь если ∆u велико, то мы уже не сможем игнорировать влияние на режим работы по постоянному току. Именно здесь и пролегает, довольно размытая, граница между режимами малого и большого сигнала. Режим малого сигнала позволяет игнорировать режим работы на постоянном токе, так как рабочая точка транзистора остается практически неизменной. Режим большого сигнала уже требует учета изменения положения рабочей точки, так величины изменений токов и напряжений сравнимы с токами и напряжениями в состоянии покоя. Мы сегодня рассматриваем только работу усилительного каскада в режиме малого сигнала.

Но и это еще не все. Частота входного гармонического сигнала тоже может быть разной. На высокой частоте нам требуется учитывать и инерционные параметры транзистора, и зависимость параметров от частоты. На низкой частоте нужно учитывать конечную емкость разделительных и блокировочных конденсаторов. А вот в диапазоне средних частот уже можно считать конденсаторы почти идеальными, а инерционные свойства транзисторов еще не требуется учитывать. Границы между режимами работы на низкой, средней, высокой, частотах тоже довольно размыты. Так для низкочастотных транзисторов (например, КТ502) частота 100 кГц еще может считаться средней, а вот для МП39 будет уже высокой. Мы будем рассматривать только диапазон средних частот.

И только теперь мы готовы перейти к рассмотрению различных схем включения транзистора. Причем схему с ОБ мы сегодня рассматривать не будем.

Схема включения с ОЭ (чистый вариант)

Совершенно классическая и всем отлично знакомая схема усилительного каскада с ОЭ

Усилительный каскад с ОЭ, в чистом виде. Иллюстрация моя
Усилительный каскад с ОЭ, в чистом виде. Иллюстрация моя

Все приведенные ранее соотношения применимы к данному каскаду напрямую. И тут трудно что-либо добавить... Мы не учитываем цепи задающие режим работы каскада по постоянному току, поэтому на иллюстрации они не показаны.

Входное переменное напряжение будем считать равным уже знакомому нам ∆u. А изменение тока базы ∆iб будет определяться входным дифференциальным сопротивлением транзистора в конкретной рабочей точке - rвх. Это сопротивление зависит от многих условий. Но поскольку мы рассматриваем режим малого сигнала можно считать положение рабочей точки неизменным.

Дифференциальное сопротивление. Почти без формул, но с картинками
Разумный мир26 августа 2020

Это дифференциальное сопротивление можно найти с помощью графика входных характеристик транзистора или использовать значение параметра h11э из справочных данных. Но точное определение rвх не так просто. Впрочем, это на практике требуется редко. Поэтому просто будем считать, что изменение тока базы пропорционально изменению входного напряжения

∆iб ~ ∆uбэ = uвх

Изменение тока коллектора

∆iк=β ∆iб

Создает изменение падения напряжения на резисторе Rк. Сопротивление нагрузки, которая подключается к зажиму uвых, будем считать бесконечно большим.

uвых = ∆uк = β Rк ∆iб ~ β Rк uвх

То есть, выходное напряжение пропорционально входному. А на коэффициент усиления такого каскада значительное влияние оказывает и коэффициент передачи тока базы транзистора, и сопротивление резистора в цепи коллектора (для нас это нагрузка каскада), и входное дифференциальное сопротивление транзистора.

И контролируемый нами параметр здесь только один - сопротивление резистора Rк. Входное дифференциальное сопротивление и коэффициент передачи тока базы зависят от многих факторов и имеют значительный разброс для разных транзисторов даже одного типа из одной партии.

Внимательные читатели могли заметить, что я показал два зажима для входного сигнала, но только один для выходного. Дело в том, что нам нет разницы, будем ли мы снимать выходной сигнал с Rк, относительно положительной шины питания, или между коллектором и эмиттером транзистора

∆uкэ = Eк - Rк ∆iк

Схема включения с ОК (чистый вариант)

Не менее классическая и не менее всем известная схема усилительного каскада с ОК. Или эмиттерного повторителя

Усилительный каскад с ОК, в чистом виде. Иллюстрация моя
Усилительный каскад с ОК, в чистом виде. Иллюстрация моя

Казалось бы, изменения не велики. Ну переставили резистор в цепь эмиттера, многое ли изменится? Многое!

Прежде всего, мы теперь не имеем права считать изменение напряжения база-эмиттер равным входному напряжению. Теперь у нас

∆uбэ = uвх - Rэ ∆iэ = uвх - uвых uвх - Rэ ∆iк

Немного парадоксальный результат, не правда ли? Получается, между базой и эмиттером транзистора изменение напряжения равно разности выходного и входного напряжений.

То есть, с точки зрения транзистора, изменение напряжения между базой и эмиттером в такой схеме включения просто стало меньше. Для самого транзистора не изменилось ровным счетом ничего. Вся разница в работе каскада связана не с транзистором, а с внешними, по отношению к транзисторы, элементами схемы. Rэ создает отрицательную обратную связь.

Мы уже знаем, что изменение токов коллектора и эмиттера в β раз больше, чем изменение тока базы. Поэтому ООС получается очень глубокой. И чем выше коэффициент β, тем ближе она к теоретическим 100%. Таким образом, выходное напряжение практически повторяет входное, причем не только по амплитуде, но и по фазе. А каскад с ОЭ инвертирует фазу сигнала.

Но это еще не все. ООС приводит к тому, что на изменение тока базы влияет и выходное напряжение. Если записать все соотношения и немного позаниматься математикой, то можно увидеть, что входное сопротивление каскада с ОЭ примерно равно βRэ, а не дифференциальному входному сопротивлению транзистора.

Еще раз отмечу, что с точки зрения транзистора ничего не изменилось. И нам опять не важно, снимать выходной сигнал относительно отрицательной шины питания или относительно положительной (коллектора).

Общий случай

А что будет, если установить резисторы и в цепи эмиттера, и в цепи коллектора? Как это изображено на иллюстрации в самом начале статьи По большому счету, с точки зрения транзистора, опять ничего не изменится. Да и работу такого каскада описать не так сложно.

Прежде всего, приложенное к переходу БЭ транзистора напряжение сигнала не будет равно входному напряжению. Оно будет меньше на величину падения напряжения (переменной составляющей) на Rэ, как и в каскаде с ОК. Но теперь изменение токов коллектора и эмиттера приводит и изменению падения напряжения (переменная составляющая) на Rк, что и является выходным сигналом.

Я не буду приводить математические соотношения, но достаточно легко получить классическое соотношение для коэффициента усиления по напряжению

Ku = Rк / Rэ

которое вам безусловно известно. И входное сопротивление каскада будет большей частью определяться Rэ и коэффициентом β. Подробности расчета усилительных каскадов нас сегодня не интересуют. Но некоторые моменты отметить стоит.

Во первых, сопротивление Rэ в типичных усилителях переменного напряжения заметно меньше сопротивления Rк. Поэтому большая часть полезного усиливаемого сигнала выделяется именно в цепи коллектора. Во вторых, Rэ часто шунтируется конденсатором, что позволяет сохранить его влияние на стабильность работы каскада по постоянному току, но снизить его влияние на коэффициент усиления переменного напряжения. При этом такое шунтирование вносит дополнительную частотную зависимость.

В третьих, есть полезное применение каскада с Rэ=Rк. При этом переменное напряжение выходного сигнала на коллекторе и эмиттере будет одинаковым, но сдвиг фазы будет равен 180 градусам. Такой каскад называют фазоинверсным (фазоинвертором).

Таким образом, мы не всегда можем отнести усилительный каскад к одному из "чистых" вариантов (ОЭ или ОК), что не создает никаких проблем в его анализе и расчете на практике. Если большая часть полезного выходного сигнала выделяется в цепи коллектора, и снимаем выходной сигнал мы с коллектора, то каскад стоит считать каскадом с ОЭ. Я не говорю сейчас о каскадах с ОБ. Если большая часть полезного выходного сигнала выделяется в цепи эмиттера, и снимаем выходной сигнал мы с эмиттера, то каскад стоит считать каскадом с ОК.

Обратите внимание, я не стал уточнять, относительно какой точки или шины снимается выходной сигнал. Это же касается и подачи входного сигнала. Более того, мы можем подавать входной сигнал относительно положительной шины питания, а снимать выходной относительно отрицательной. И тип каскада от этого не изменится.

Но действительно ли мы можем так вольно поступать с точками подачи и снятия сигнала? Во всяком случае теоретически, да, можем.

Переменный ток и шины питания

Давайте теперь займемся некоторыми преобразованиями схемы нашего усилительного каскада

Наш усилительный каскад с ОЭ. Иллюстрация моя
Наш усилительный каскад с ОЭ. Иллюстрация моя

Мы уже не игнорируем установку режима работы каскада по постоянному току. Поэтому на схеме появились R1 и R2, которые задают начальное смещение на базе транзистора. Резистор Rэ зашунтирован конденсатором Cэ, мы ранее уже осуждали, для чего так делается. Два разделительных конденсатора Cр исключают постоянные составляющие входного и выходного сигнала. Установлен блокировочный конденсатор Cб в цепи питания. Другими словами, перед нами совершенно стандартный, классический, усилитель переменного напряжения использующий включение транзистора с ОЭ. Входной и выходной сигнал используют как общую точку отрицательную шину питания.

А теперь давайте начнем превращать эту схему в модель, которую можно использовать для анализа работы каскада на малом сигнале в среднем частотном диапазоне. При этом нам не потребуется учитывать инерционные свойства транзистора. Но и влияние конденсаторов, которое нужно учитывать на низких частотах, тоже нам теперь учитывать не требуется. Просто будем считать, что емкость всех конденсаторов в схеме достаточно велика, что бы их реактивное сопротивление на средних частотах было мало.

Это означает, что Rэ будет "замкнут" накоротко реактивным сопротивлением Cэ. То есть, на средних частотах Rэ можно заменить перемычкой, он не оказывает влияния на работу каскада. Можно заменить перемычками и разделительные конденсаторы. И, разумеется, блокировочный конденсатор в цепи питания. Да, это упрощение, но оно вполне применимо. И наш каскад становится вот таким

Начало преобразования схемы усилительного каскада в модель для анализа по переменному току. Иллюстрация моя
Начало преобразования схемы усилительного каскада в модель для анализа по переменному току. Иллюстрация моя

С точки зрения анализа работы каскада на переменном току обе шины питания оказываются соединенными накоротко.И что бы это было более наглядно схему модели чаще изображают так

Более распространенное изображение схемы усилительного каскада для анализа на переменном токе. Иллюстрация моя
Более распространенное изображение схемы усилительного каскада для анализа на переменном токе. Иллюстрация моя

Это совершенно типовое преобразование. Подробные описания, все необходимые соотношения, все обоснования можно найти и в учебниках ТОЭ, и в учебниках электроники. Нам такого преобразования достаточно, поскольку оно дает ответ на вопрос читателя в комментариях. Но это только первый этап в анализе. И транзистор тоже заменяется на эквивалентную модель, которая может быть разной, в зависимости от того, что именно, и как именно, анализируется. В модель можно добавить и частотно-зависимые, и температурно-зависимые элементы. Можно заменить резисторы более сложными моделями. Можно заменить моделями, а не перемычками, и конденсаторы. Но это уже совершенно другая тема.

Хорошо, теоретически, как мы только что увидели, действительно можно использовать в качестве общей шины для сигналов любую из шин питания. Можно даже использовать разные шины. Это не влияет ни на работу каскада, ни на тип включения его активного элемента, которым может быть не только биполярный, но и полевой транзистор, и электронная лампа. Но что можно сказать с практической точки зрения?

А вот с этим немного сложнее... Да, мы действительно можем воспользоваться теоретическими выводами и не обращать внимания на выбор шин, относительно которых подаются и снимаются сигналы. Но часто требуется учитывать и множество нюансов. И это не только неидеальность конденсаторов. Любой проводник обладает и индуктивностью, и о взаимных емкостях между проводниками забывать не стоит. И влияние помех может испортить многие, такие красивые на бумаге, решения.

Заключение

Статья получилась ОЧЕНЬ большой, но, надеюсь, не слишком сложной и не слишком упрощенной. Я постарался, именно для начинающих и любителей, охватить довольно большой круг взаимосвязанных вопросов. Возможно, это стоило разделить на несколько статей... Но переписывать уже не буду.

Читатель задал комплексный вопрос. На него было невозможно ответить только моделью для анализа не переменном токе. Одно потянуло за собой другое. Вот и результат...

До новых встреч! Приходите, подписывайтесь!