Найти в Дзене
Меандр Радиолюбитель

Тонкомпенсированный регулятор громкости.

Всем доброго, под прошлогодней статьёй, читатель мне порекомендовал заменить кнопку на релюшку. Подходящего реле у меня не было, что я и озвучил в комментариях.
Один из подписчиков, а конкретно Александр Голубев, предложил мне несколько подходящих реле, безвозмездно, без-воз-мез-дно, то есть даром! Огромное Вам Александр спасибо!
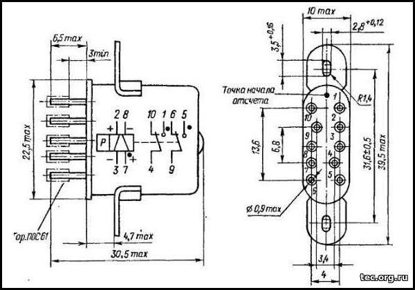
Уже через неделю, реле были у меня, лежали они чуть меньше двух лет и вот дошли наконец-то руки до них! Реле эти интересны одной фишкой - РПС20, это поляризованное реле, два электромагнита и намагниченный якорь. Из одного положения в другое оно переводится подачей напряжения на разные обмотки. Но самое интересное это то, что реле "запоминает" последнее положение и остаётся в таковом бесконечно долго. Данная фича очень полезна в данном случае тем, что для включения/выключения, нужны две кнопки без фиксации, кроме того - реле не "сбросится" в исходное состояние при выключении/включении аппарата в котором оно используется, реле останется в том состоянии в котор

Всем доброго, под прошлогодней статьёй, читатель мне порекомендовал заменить кнопку на релюшку. Подходящего реле у меня не было, что я и озвучил в комментариях.
Один из подписчиков, а конкретно Александр Голубев, предложил мне несколько подходящих реле, безвозмездно, без-воз-мез-дно, то есть даром! Огромное Вам Александр спасибо!
Уже через неделю, реле были у меня, лежали они чуть меньше двух лет и вот дошли наконец-то руки до них!

Реле эти интересны одной фишкой - РПС20, это поляризованное реле, два электромагнита и намагниченный якорь. Из одного положения в другое оно переводится подачей напряжения на разные обмотки. Но самое интересное это то, что реле "запоминает" последнее положение и остаётся в таковом бесконечно долго. Данная фича очень полезна в данном случае тем, что для включения/выключения, нужны две кнопки без фиксации, кроме того - реле не "сбросится" в исходное состояние при выключении/включении аппарата в котором оно используется, реле останется в том состоянии в котором оно находилось до выключения аппарата.

-2

В этом регуляторе громкости решил применить именно это реле и недавно купленный на Алике потенциометр.

-3

Весьма странно, что о такой популярной крутилке, интернет, если не считать тысячи предложений купить, ни чего не знает! Схем именно с этим компонентом нет от слова СОВСЕМ!
Решил собрать по старой схеме, а номиналы подобрать слушая ушами как оно работает, прямо-таки аудиофильский подход - нефиг там измерять, будем СЛУШАТЬ!

-4

Печатную плату взял так же из прошлогодней статьи и адаптировал под новые детали.

-5

Ещё хочу сказать, что в "спринте" нет макросов для этих реле и потенциометра. Пришлось вооружаться штангенциркулем, замерять и рисовать макросы самостоятельно. Если кому-то нужны эти макросы, можно дернуть из файла печатки.

-6

Поскольку сначала я опростоволосился и не правильно развёл реле на плате обозреваемой в видео-ролике, при сборке пришлось порезать две дорожки и распаять контакты проводками - по ссылке уже правильная разводка, качайте.

Собранное устройство ввиду его простоты, в настройке не нуждается и работает сразу после включения.
Номиналы компонентов оставил те, что указаны в схеме как есть. При 1/3 и менее громкости, включение ТК, заметно обогащает звучание, прибавляются и низы и высокие.


Теперь вот хотелось бы
выслушать предложения читателей по поводу индикации ВКЛ/ВЫКЛ режима коррекции АЧХ. Хочется не использовать тумблеры или кнопки с фиксацией, а переключать режим именно двумя кнопочками. Как сделать так, что бы при включенной ТК, светился светодиод на морде усилителя? За несколько дней истратил много извилин, но так ничего и не придумал. Как вариант, можно собрать маленькую плату на таком же реле и использовать её контакты для питания светодиода, синхронизировать эти реле не нужно, ибо управление на них будет подаваться от общих кнопок, а значит они оба (или обо - реле - онО) будут в одинаковых состояниях всегда. Жалко использовать целое реле на такую мелочь...
Вообще данный регулятор планирую установить в будущий усилок на одном из этих микробов.

-7

Так же в этот усилитель пойдет жить вот такая радиолампа.

Подсвечен ВЛИ ультрафиолетом.
Подсвечен ВЛИ ультрафиолетом.

И описанный тут селектор входов.

-9

На этом пока всё, всем удачи и с наступающим!
Ах да, забыл. Если ты еще не подписан - обязательно подпишись!!!