Добавить в корзинуПозвонить
Найти в Дзене
Сергей Гайдук

ФОКУСЫ ЭЛЕКТРОНИКИ И КАК ИХ РАЗГАДАТЬ…

Здравствуйте мои уважаемые читатели! Сегодня я хочу рассказать о «казусах» или «фокусах», которые задаёт электроника при её эксплуатации. Профессия у меня такая: эксплуатация радиооборудования. И само понятие радиооборудование подразумевает всю область электроники, начиная от источников электропитания ( трансформаторные подстанции или автономные генераторы ) и заканчивая любым оборудованием, находящимся в эксплуатации… Очень широкая область, объединяющая КИП и А, системы локации, навигации и связи, метрологию и поверку, ремонт и настройка-наладка оборудования, автономные генераторы ( двигатели внутреннего сгорания и сами генераторы ), а так же освещение и светосигнальные системы… И самое первое правило, которому меня научили – это выяснение обстоятельств, предшествующих проявлению неисправности! Второе правило – кто «копался» в оборудовании, до того как появилась неисправность! И третье правило - какие работы производились в этом или на этом оборудовании и с какой целью… В быту, мы обы

Здравствуйте мои уважаемые читатели!

Сегодня я хочу рассказать о «казусах» или «фокусах», которые задаёт электроника при её эксплуатации.

Профессия у меня такая: эксплуатация радиооборудования. И само понятие радиооборудование подразумевает всю область электроники, начиная от источников электропитания ( трансформаторные подстанции или автономные генераторы ) и заканчивая любым оборудованием, находящимся в эксплуатации…

Очень широкая область, объединяющая КИП и А, системы локации, навигации и связи, метрологию и поверку, ремонт и настройка-наладка оборудования, автономные генераторы ( двигатели внутреннего сгорания и сами генераторы ), а так же освещение и светосигнальные системы…

И самое первое правило, которому меня научили – это выяснение обстоятельств, предшествующих проявлению неисправности! Второе правило – кто «копался» в оборудовании, до того как появилась неисправность! И третье правило - какие работы производились в этом или на этом оборудовании и с какой целью…

В быту, мы обычно включаем телевизор и приёмник, и они должны включиться, а вот у микроволновки уже есть правила «что можно, а чего нельзя!» ( это относится и телевизорам и приёмникам то же, но не в такой степени…). Был в моей практике случай, когда жена поставила вазу с цветами на телевизор, а потом её перевернули на «сенсорный блок» ( был выдвинут ). Его аккуратно протерли, дали высохнуть, а вечером после моего прихода с работы сообщили, что у телика работает только один канал. Надеюсь, мои читатели догадались, что в блоке «выгорело»… Вот проявление первого и третьего пунктов моих правил!!!

А теперь более подробно о самом «фокусе», который мне пришлось разгадывать два дня. Правда, не всё время, были ещё более срочные и сложные задачи, но и они были решены.

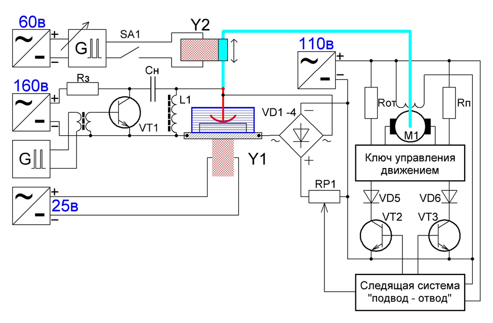
В понедельник был в отгуле и мне позвонили с работы. На станке микроскоп «бьёт током». Работу стали делать на другом станке, но этот надо обязательно «сделать» - все станки «заточены» под определённые задачи. Станок по своей сути не сложный, но уж очень много в нем источников питания

Рис. 1. Функциональная схема станка.
Рис. 1. Функциональная схема станка.

И со вторника пришлось разбираться… Первый пункт моего правила: « а что делали с ним?», «меняли цанговый патрон». Микроскоп он и в Африке микроскоп, только стёклышки внутри, а он металлический и соединён со станиной станка, а она заземлена! Оказывается «кусается» микроскоп, если касаться рабочего стола, а он не заземлён, «сидит» на изоляторе, но всё, что к нему подключено, не имеет связи с корпусом станка и очень хорошо от него изолировано. Вариант один – что-то где-то пробило, но вот где очень «интересный» вопрос! Отключаю одну плату ( их всего пять ), напряжение между рабочим столом и станком исчезло, но эта плата с рабочим столом не связана! Включаю её обратно, отключаю второю эффект тот же, и так со всеми пятью платами!!!

А это уже ФОКУС ЭЛЕКТРОНИКИ!!!

Где же пробило? К узлу подачи рабочего электрода ( на рис. 1 он красным показан ) приходит больше 30-и проводов от разных плат, а искать надо…

Отключаю диоды VD2 и VD3 напряжение с 21В уменьшилось до 10В. Уже ближе, но все равно холодно. Тут новая вводная – незадолго до этого меняли механику «ключа управления движением», но только механику, контактные группы не трогали. Отвинчиваю винты и изучаю ключ, нет «криминала»! А самое интересное – при движении электрода вверх или вниз, при переключении этого ключа напряжение на столе пропадает и оно так же пропадает если включен рабочий режим и генератор работает, следящая система работает и только в режиме «стоп» напряжение есть! Отключаю разъём подачи напряжения на двигатель – напряжение пропадает! Уже теплее!!! Но там провода не только на двигатель, но и на концевые выключатели ограничения хода. Приходится разбирать узел движения ( вся механика ). И там всё нормально! Остается двигатель…

Рис. 2. Электродвигатель СЛ-161.
Рис. 2. Электродвигатель СЛ-161.

Начинаю отключать провода, начиная с правого, так удобнее гайки откручивать… Первый отключен, результат то же, второй отключен, напряжение осталось! Третий отключил ( обмотка возбуждения и одна сторона якоря отключена) – и напряжение есть!!! И только отключение четвертого провода дало результат!!! Пробой со стороны левой щётки, но подключение правой щётки без левой не вызвало появление напряжения.

Неисправность найдена!!!

Надо менять двигатель! Провода отключены, остаётся его извлечь… Радости мало! Доступ к узлу крепления требует специального инструмента – двухсторонней г-образной отвертки. Пришлось её делать! Теперь отцепляем двигатель от редуктора, еще одна разборка… И вот двигатель в руке, запасной приготовлен, а почему бы этот не восстановить? Но перед разборкой надо его продуть от графитовой пыли от щёток. Открываю специальное окно на двигателе и воздушной струёй от компрессора продуваю, получилось большое чёрное облако графитовой пыли. Продул, визуально коллектор чистый, пыли больше не видно. Почему бы не попробовать, как он себя поведет после сжатого воздуха? Подключаю провода, ставлю на место, отвертка специальная помогает зафиксировать и двигатель заработал!!!

Процесс сборки и установки всех узлов и станок готов к работе!!!

И что же в итоге было? Составляем эквивалентную схему

Рис. 3. Теперь понятно как получается напряжение на рабочем столе.
Рис. 3. Теперь понятно как получается напряжение на рабочем столе.

Остаётся самая неприятная процедура – настроить следящую систему, так как точка подключения двигателя к резистору Rот шунтировалась на корпус и могла вносить дизбаланс в мост, питающий, а при работе на коллектор двигателя подается очень маленькое напряжение…

Но это мероприятие сделаю уже в понедельник!

Вот такие дела у службы «03»! Мои читатели догадались, что это за служба. У нас на работе у каждого есть персональная кружка для чая или кофе с именем, шуточным смайликом и лозунгом-шуткой.

Рис. 4. Вот из такой кружки я пью чай, а иногда и кофе на работе.
Рис. 4. Вот из такой кружки я пью чай, а иногда и кофе на работе.

Фокус разгадан, все довольны!

Надеюсь, утомил Вас не сильно?

Если моих читателей заинтересовал принцип работы электроэрозионного оборудования, моду предложить ознакомиться с самым простым методом обработки в материале

Современные электроэрозионные станки позволяют делать очень интересные детали из металлов и твердых сплавов.

Хочу добавить, что эта профессия всегда востребована и хорошо оплачивается, а это очень важно при выборе профессии. Пробуйте и не пожалеете, но про электронику на досуге не забывайте!!!

Если моим новым читателям материал понравился – подписывайтесь на мой канал. Читайте материалы, опубликованные ранее и читайте новые материалы в которых я стараюсь дать полезную информацию! Пишите замечания, пожелания и ставьте просто лайки если материал понравился!

Желаю моим читателям крепкого здоровья, прекрасного настроения, счастья в семье и чистого неба над головой!!!

Фокусы
7924 интересуются