Добавить в корзинуПозвонить
Найти в Дзене
Муфты-Хомуты

ПФРК - как расшифровывается?

ПФРК означает патрубок фланцевый раструб компенсирующий. Так же часто их называют универсальными фланцевым адаптерами, патрубками ПФРК. Применяются для перехода с трубы любого материала на фланцевое соединение. То есть с их помощью можно соединить стальные, чугунные, полиэтиленовые, асбоцементные трубы с любой фланцевой арматурой. ПФРК - патрубок фланец-раструб компенсационный предназначен для: Обжимной фланец предназначен для соединения металлических труб (чугунных, стальных) с фланцевой трубопроводной арматурой. Данный фитинг отличается от муфты ДРК наличием соединительного элемента, который позволяет перейти на фланец с гладкой трубы. Применяются на прямых участках канализации и водопровода. Обжимная муфта ПФРК состоит из корпуса, манжеты, колпака и метизов. При монтаже соединительной муфты ПФРК допускается отклонение труб на угол до 4 градусов. Муфта рассчитана на эксплуатацию при рабочем давлении 10-16 атмосфер и температуре до 100 градусов. В России ПФРК называют: фланцевый адапт
Оглавление

ПФРК означает патрубок фланцевый раструб компенсирующий. Так же часто их называют универсальными фланцевым адаптерами, патрубками ПФРК. Применяются для перехода с трубы любого материала на фланцевое соединение. То есть с их помощью можно соединить стальные, чугунные, полиэтиленовые, асбоцементные трубы с любой фланцевой арматурой.

ПФРК - патрубок фланец-раструб компенсационный предназначен для:

  • ремонта или замены поврежденной части трубопровода
  • присоединения или замены запорной арматуры
  • перехода с одного диаметра на другой

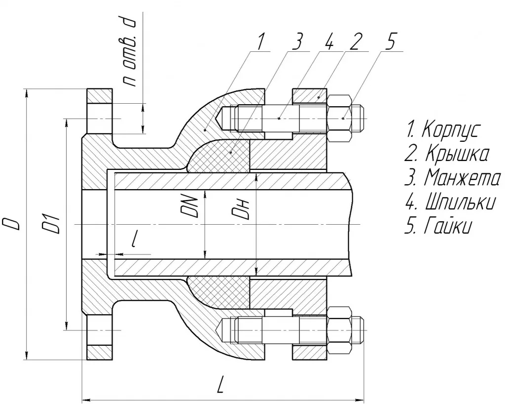
Обжимной фланец предназначен для соединения металлических труб (чугунных, стальных) с фланцевой трубопроводной арматурой. Данный фитинг отличается от муфты ДРК наличием соединительного элемента, который позволяет перейти на фланец с гладкой трубы. Применяются на прямых участках канализации и водопровода. Обжимная муфта ПФРК состоит из корпуса, манжеты, колпака и метизов.

При монтаже соединительной муфты ПФРК допускается отклонение труб на угол до 4 градусов. Муфта рассчитана на эксплуатацию при рабочем давлении 10-16 атмосфер и температуре до 100 градусов.

В России ПФРК называют: фланцевый адаптер, соединительная муфта, муфта раструб-фланец, фланец обжимной, муфта фланец, муфта соединительная фланцевая чугунная, соединительный узел ПФРК.

КАК ПОДОБРАТЬ ПФРК?

Для заказа и подбора муфты ПФРК необходимо уточнить:

  • тип (материал) трубы
  • наружный диаметр трубы
  • рабочее давление
-2

Конструкция:

Конструкция обеспечивает простой и быстрый монтаж соединений. При затяжке болтов внешнее кольцо и корпус прижимают эластичную прокладку к поверхности трубы.


Устанавливаемый зазор между плоскостью фланца и торцом трубы служит: - для компенсации теплового расширения труб - для предотвращения передачи вибрации - для компенсации осадки грунта - для облегчения монтажа/демонтажа - болты из оцинкованной стали с дополнительным защитным покрытием ля увеличения коррозионной стойкости и снижения крутящих моментов при затягивании.

Где купить ПФРК?

Муфты-Хомуты.рф - поможет подобрать по характеристикам необходимую муфту ПФРК, тем более, что основная часть продукции всегда на складе. Доставка осуществляется любой удобной транспортной компанией или самовывозом со склада в Москве.