Найти в Дзене
ON/OFF

Пасивный демпфер без потерь

Всем привет. В этой статье разберем работу применяемого мной демпфера обратноходового иип. Трансформатор - по структурной схеме ,имеет вторичную и первичную обмотку но и состоит из паразитных емкостей, резисторов, индуктивностей. Которые уменьшают общее КПД устройства. С разными видами паразитной связи, на практике приходиться применять свои нюансы, от правильной намотки трансформатора до расположения его на плате и т.д. Одной из такой проблемы является индуктивность рассеяния. В двухтактных, не резонансных прямоходовых, полумостовых преобразователях, энергия рассеяния уходит обратно в сеть через паразитные диоды полевых транзисторов во время паузы. В однотактных, в ввиду схемотехники таких иип, такой возможности нет. И при размыкании ключа происходит выброс напряжения индуктивности рассеяния и паразитных емкостей, ввиду того что она не участвует в передаче ЭДС. Это может привести к выходу из строя ключа. Для подавления таких выбросов используют различные демпферы.Их условно можно разб

Всем привет. В этой статье разберем работу применяемого мной демпфера обратноходового иип.

Трансформатор - по структурной схеме ,имеет вторичную и первичную обмотку но и состоит из паразитных емкостей, резисторов, индуктивностей. Которые уменьшают общее КПД устройства. С разными видами паразитной связи, на практике приходиться применять свои нюансы, от правильной намотки трансформатора до расположения его на плате и т.д. Одной из такой проблемы является индуктивность рассеяния. В двухтактных, не резонансных прямоходовых, полумостовых преобразователях, энергия рассеяния уходит обратно в сеть через паразитные диоды полевых транзисторов во время паузы. В однотактных, в ввиду схемотехники таких иип, такой возможности нет. И при размыкании ключа происходит выброс напряжения индуктивности рассеяния и паразитных емкостей, ввиду того что она не участвует в передаче ЭДС. Это может привести к выходу из строя ключа. Для подавления таких выбросов используют различные демпферы.Их условно можно разбить на 4 типа:

классические RCD снабберы

демпфер без потерь

активный фиксатор

квазирезонансные модификации

Разбирать все я не буду, остановлюсь на распространенном RCD в сравнении его с демпфером без потерь. В классическом RCD снаббере энергия накопленная реактивной составляющей паразитных элементов трансформатора=дросселя, расходуется на заряд конденсатора. Который затем разряжается через резистор. Потери при этом в зависимости от мощности, объема дросселя, могут доходить до Ватта и выше. При чем на практике, сложно просчитать элементы снаббера теоретически, т.к. колебания по большей части генерируются множеством паразитных связей схемы и динамических потерь. И доводить такой снаббер в любом случае придется на макете. Другой момент, что встает вопрос высокочастотного звона и диод в цепочки тоже дает свою лепту. Образно можно сказать - выбор между *быстрым* и *медленным* диодом, временем нарастания меандра при включения ключа, верного практического подбора емкости снаббера - все это в конечном итоге - потери на тепло резистора! А значит и потери в КПД. И совсем другой случай с демпфером без потерь.

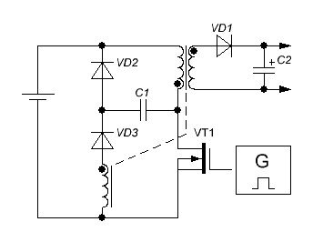
Принцип пассивного демпфера без потерь основан на перенаправлении энергии паразитки и восстановлении на входе либо на выходе иип. Работу демпфера условно можно разделить на 4 стадии состояния за один цикл переключения.

-2

Стадия t-1: VT1 открывается и энергия накопленная С1 выше Vmax сбрасывает через VD3 в обмотку сброса-паразитку, это состояние завершиться с разрядом конденсатора и падения напряжение на нем до рабочих величин, диод закроется.

Стадия t-2: После сброса идет стадия накопления ЭДС в индуктивности намагничивания и рассеяния, идет нарастание тока дросселя. Демпфер бездействует.

Стадия t-3: Закрывается VT1 и часть энергии индуктивности рассеяния передается в конденсатор С1, за счет этого снижаются потери на отключение и диод VD2 начинает проводить.VD1 открыт и заряжает емкость С2.

Стадия t-4: Эта стадия начинается прекращением тока рассеяния и индуктивность намагничивания разряжается через вторичную обмотку в емкость С2. Схема демпфирования бездействует, сохраняя на С1 постоянное напряжение Vmax. В какой то момент ток намагничивания падает до мин значений, ключ открывается и процесс повторяется.

Таким образом при правильным соотношении LC мы перенаправляем через диоды VD2-3 ЭДС паразитки в сеть и вторичку, повышая КПД устройства. Теоретические расчеты цепочки я приводить не буду, для скачивания будет доступен калькулятор. Где нужно будет указать индуктивность сердечника с зазором AL и индуктивность первички дросселя, рабочею частоту и он укажет необходимое кол-во витков обмотки сброса и емкость. По опыту применения, эти расчеты подходят для работы обратнохода в режимах ССМ и DCM, в режиме CRM я его не применял. Также без заминок применял до токов 8А на выходе, свыше начинаются увеличиваться потери на диодах т.к. на больших токах в связи увеличением обмотки, возрастает рассеяние и паразитные составляющие. И заметьте я не говорю о мощности, а о необходимом токе на выходе иип. Другой момент, что использовать обратноход на мощностях 250 и выше Ватт, становиться нецелесообразно в связи с требованием сердечников больших размеров, на которых, в полумостовых схемах можно взять мощность намного больше. На фото работа демпфера в составе мощного иип :

что нашел, при четком подборе емкости и хорошей намотке дросселя - результаты лучше.
что нашел, при четком подборе емкости и хорошей намотке дросселя - результаты лучше.

На практике диоды я беру шустрые от 1А , емкость лавсан от 100 вольт но подойдет и пленка а обмотку мотаю проводом в одну жилу, диаметром 0.2 мм в последнюю очередь на дросселе обратнохода.

Калькулятор здесь .

Всем Спасибо.