Найти в Дзене
PRACTICAL ELECTRONICS

Регулировка Uвых бестрансформаторного блока питания

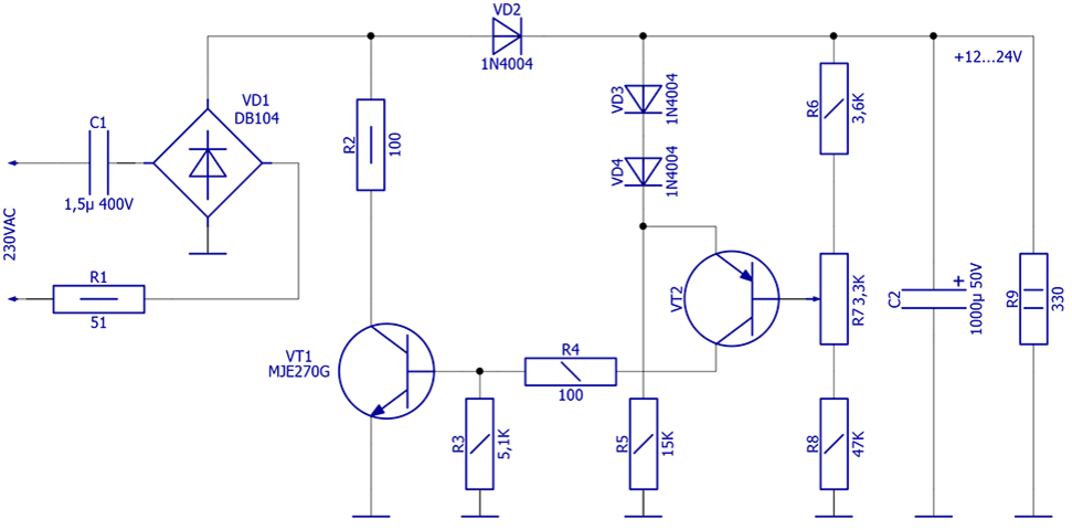
Назначение Бестрансформаторные блоки питания с гасящим конденсатором (БПГК) (рис. 1) обладают существенным недостатком - невозможностью плавно регулировать выходное напряжение. Его величина всегда фиксирована и однозначно определяется напряжением стабилизации применённого стабилитрона, и изменить его плавно нельзя. Во многих случаях такая регулировка весьма желательна. Предлагаю БПГК, позволяющий в широких пределах плавно изменять выходное напряжение (рис. 2). Его особенность заключается в использовании регулируемой отрицательной обратной связи с выхода блока на транзисторный каскад VT1, включённый параллельно выходу диодного моста. Этот каскад является параллельным регулирующим элементом и управляется сигналом с выхода однокаскадного усилителя на VT2. Выходной сигнал VT2 зависит от разности напряжений, подаваемых с переменного резистора R7, включённого параллельно выходу блока питания, и источника опорного напряжения на диодах VD3, VD4. Схема и принцип работы По существу, эта схема пр
Оглавление

Назначение

Бестрансформаторные блоки питания с гасящим конденсатором (БПГК) (рис. 1) обладают существенным недостатком - невозможностью плавно регулировать выходное напряжение. Его величина всегда фиксирована и однозначно определяется напряжением стабилизации применённого стабилитрона, и изменить его плавно нельзя. Во многих случаях такая регулировка весьма желательна.

Рис.1
Рис.1

Предлагаю БПГК, позволяющий в широких пределах плавно изменять выходное напряжение (рис. 2). Его особенность заключается в использовании регулируемой отрицательной обратной связи с выхода блока на транзисторный каскад VT1, включённый параллельно выходу диодного моста. Этот каскад является параллельным регулирующим элементом и управляется сигналом с выхода однокаскадного усилителя на VT2. Выходной сигнал VT2 зависит от разности напряжений, подаваемых с переменного резистора R7, включённого параллельно выходу блока питания, и источника опорного напряжения на диодах VD3, VD4.

Схема и принцип работы

Рис. 2
Рис. 2

По существу, эта схема представляет собой регулируемый параллельный стабилизатор. Роль балластного резистора играет гасящий конденсатор С1, роль параллельного управляемого элемента - транзистор VT1.

Работает этот блок питания следующим образом. При включении в сеть транзисторы VT1 и VT2 заперты, через диод VD2 происходит заряд накопительного конденсатора С2. При достижении на базе транзистора VT2 напряжения, равного опорному на диодах VD3, VD4, транзисторы VT2, VT1 начинают отпираться.

Транзистор VT1 шунтирует выход диодного моста, и его выходное напряжение начинает падать, что приводит к уменьшению напряжения на накопительном конденсаторе С2 и к запиранию транзисторов VT2 и VT1. Это, в свою очередь, вызывает уменьшение шунтирования выхода диодного моста, увеличение напряжения наС2 и отпирание VT2, VT1, и т.д.

За счёт действующей таким образом отрицательной обратной связи выходное напряжение остаётся постоянным (стабилизированным) при включённой нагрузке R9 и без не, на холосто в ходу. Его величина зависит от положения движка потенциометра R7.

Верхнему (по схеме) положению движка соответствует большее выходное напряжение. Максимальная выходная мощность приведённого устройства равна 2 Вт. Пределы регулировки выходного напряжения - от 12 В до 24 В. В этих диапазонах при отключении R9 (сброс нагрузки) увеличение выходного напряжения не превышает одного процента. Блок питания по схеме рис. 2 не боится короткого замыкания нагрузки.

Транзистор VT1 работает в переменном режиме: при работе на нагрузку R9 - в линейном режиме, на холостом ходу- в режиме широтно-импульсной модуляции (ШИМ) с частотой пульсаций напряжения на конденсаторе С2 - 100 Гц. При этом импульсы напряжения на коллекторе транзистора VT1 имеют пологие фронты.

Линейный режим является облегчённым, транзистор VT1 нагревается мало и может работать практически без радиатора. Небольшой нагрев имеет место в нижнем проложении движка потенциометра R7 при минимальном выходном напряжении.

На холостом ходу, с отключённой нагрузкой R9, тепловой режим транзистора VT1 ухудшается в верхнем положении движка R7. В этом случае транзистор VT1 должен быть установлен на небольшой радиатор, например в виде алюминиевой пластинки квадратной формы со стороной 3 см, толщиной 1...2 мм.

Детали

Регулирующий транзистор VT1 - средней мощности, с большим коэффи­циентом передачи (составной). Его кол­лекторный ток должен быть в 2...3 раза больше максимального тока нагрузки. Коллекторное напряжение VT1 должно быть не меньше максимального выход­ного напряжения блока питания.

В качестве VT1 могут быть использованы отечественные n-р-n транзисторы КТ972А, КТ829А, КТ827А и т.д. Транзистор VT2 работает режиме малых токов, поэтому годится любой маломощный р-n-р транзистор - КТ361А...Г, КТ313А, Б, и т.д.

Критерием правильности выбора ёмкости С1 является получение на нагрузке требуемого максимального напряжения. Если его ёмкость искусственно уменьшить на 20...30%, то максимальное выходное напряжение на номинальной нагрузке не будет обеспечено.

Другим критерием правильности выбора С1 является неизменность характера осциллограммы напряжения на выходе диодного моста (рис .3).

Рис. 3
Рис. 3

Осциллограмма напряжения имеет вид последовательности выпрямленных синусоидальных полуволн сетевого напряжения с ограниченными вершинами положительных полу синусоид. Амплитуды ограниченных вершин являются переменной величиной, зависят от положения движка потенциометра R7 и меняются линейно при его вращении. Но каждая полуволна должна обязательно доходить до нуля, наличие постоянной составляющей (как показано на рис. 3 пунктиром) не допускается, т.к. при этом нарушается режим стабилизации.

Уровень пульсаций на нагрузке для схемы рис. 2 - не более 70 мВ.

Резисторы R1, R2 - защитные. Они предохраняют регулирующий транзистор VT1 от выхода из строя вслед­ствие перегрузки потоку при переходных процессах в момент включения блока в сеть (из-за дребезга контак­тов соединительной пары сетевая вилка-розетка).

По принципу приведённой схемы могут быть построены аналогичные блоки питания на другие требуемые значения напряжения и мощности.

Источники и Блоки Электропитания
PRACTICAL ELECTRONICS19 сентября 2019
СОДЕРЖАНИЕ
PRACTICAL ELECTRONICS29 апреля 2022
-4