Найти в Дзене

Как обработать шестигранник на токарно-фрезерном станке с ЧПУ?

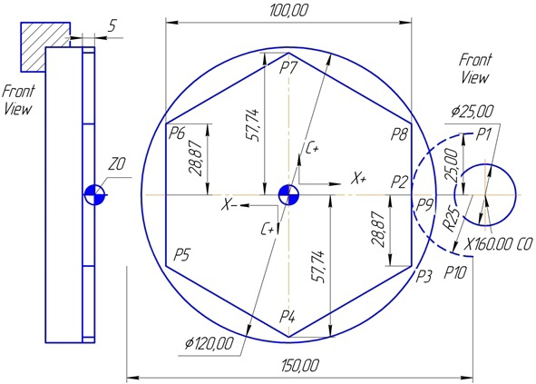
Знаете ли Вы, что на токарно-фрезерных станках с ЧПУ, не имеющих ось Y можно обрабатывать шестигранники? Достаточно использовать функцию G12.1 и появляется виртуальная ось С, которая может заменить ось Y при выполнении подобных задач. Публикуем пример программы обработки шестигранника c помощью функции полярной интерполяции. Интерполяция в полярных координатах с использованием осевого приводного инструмента по коду G12.1 Пример радиус режущей кромки = 12.5, вектор режущей кромки = 0. УП обработки детали О1001 (EXAMPLE 1); (ОСЕВОЕ ФРЕЗЕРОВАНИЕ В ПОЛЯРНЫХ КООРДИНАТАХ); G54 G21 G99 G40; G0 G28 U0 W0; Т0909; М97; (ВКЛЮЧЕНИЕ ОСИ С) M94; (ВЫЗОВ ПРИВОДНОГО ИНСТРУМЕНТА) G28 C0; S2500 М3; Z3; X160; G12.1; M08; G1 G41 X150 C25 F2000; Z-5; G3 X100 C0 R25 F75; G1 C-28.87; X0 C-57.74; X-100 C-28.87; C28.87; X0 C57.74; X100 C28.87 C0; G3 X150 C-25 R25; G1 Z3 F2000; G40 X160; M9; G13.1; M5; G28 C0; M93; (ВЫКЛЮЧЕНИЕ ОСИ С) G28 U0 W0; М30; Это и многое другое мы разбираем на курсе для наладчиков и про

Знаете ли Вы, что на токарно-фрезерных станках с ЧПУ, не имеющих ось Y можно обрабатывать шестигранники?

Достаточно использовать функцию G12.1 и появляется виртуальная ось С, которая может заменить ось Y при выполнении подобных задач.

Публикуем пример программы обработки шестигранника c помощью функции полярной интерполяции.

Интерполяция в полярных координатах с использованием осевого приводного инструмента по коду G12.1 Пример

радиус режущей кромки = 12.5, вектор режущей кромки = 0.

УП обработки детали

О1001 (EXAMPLE 1);

(ОСЕВОЕ ФРЕЗЕРОВАНИЕ В ПОЛЯРНЫХ КООРДИНАТАХ);

G54 G21 G99 G40;

G0 G28 U0 W0;

Т0909;

М97; (ВКЛЮЧЕНИЕ ОСИ С)

M94; (ВЫЗОВ ПРИВОДНОГО ИНСТРУМЕНТА)

G28 C0;

S2500 М3;

Z3;

X160;

G12.1;

M08;

G1 G41 X150 C25 F2000;

Z-5;

G3 X100 C0 R25 F75;

G1 C-28.87;

X0 C-57.74;

X-100 C-28.87;

C28.87;

X0 C57.74;

X100 C28.87

C0;

G3 X150 C-25 R25;

G1 Z3 F2000;

G40 X160;

M9;

G13.1;

M5;

G28 C0;

M93; (ВЫКЛЮЧЕНИЕ ОСИ С)

G28 U0 W0;

М30;

Это и многое другое мы разбираем на курсе для наладчиков и программистов станков с ЧПУ «Программирование и наладка станков с ЧПУ Fanuc (продвинутый уровень)»