Найти в Дзене
ДКО Электронщик

Микросхемы EEPROM компании Zetta

Компания Zetta Device Technology, расположенная в Китае, специализируется на разработке, технической поддержке и продаже микросхем памяти, управления питанием и микроконтроллеров. Благодаря научно-исследовательским и технологическим возможностям мирового класса компании удается поддерживать качество продукции на уровне лидеров данной отрасли, таких как Renesas (Adesto), ST, Microchip. Компания Zetta предлагает микросхемы EEPROM семейства ZD24C объемом от 2 Кбит до 1 Мбит. Передача данных производится по интерфейсу I2C с тактовой частотой до 1 МГц. Для хранения параметров, требующих защиты, можно использовать дополнительную идентификационную страницу. Высокая надежность изделий подтверждается количеством циклов запись/чтение до 4 млн и сроком хранения данных до 100 лет. Входы имеют усиленную защиту от электростатических разрядов – 8 кВ HBM. Память ZD24C производится в стандартных корпусах с 8-ю или 5-ю (SOT23-5) выводами и с рабочим температурным диапазоном от -40 до 85 °С.

Компания Zetta Device Technology, расположенная в Китае, специализируется на разработке, технической поддержке и продаже микросхем памяти, управления питанием и микроконтроллеров. Благодаря научно-исследовательским и технологическим возможностям мирового класса компании удается поддерживать качество продукции на уровне лидеров данной отрасли, таких как Renesas (Adesto), ST, Microchip.

Компания Zetta предлагает микросхемы EEPROM семейства ZD24C объемом от 2 Кбит до 1 Мбит. Передача данных производится по интерфейсу I2C с тактовой частотой до 1 МГц. Для хранения параметров, требующих защиты, можно использовать дополнительную идентификационную страницу. Высокая надежность изделий подтверждается количеством циклов запись/чтение до 4 млн и сроком хранения данных до 100 лет. Входы имеют усиленную защиту от электростатических разрядов – 8 кВ HBM.

Память ZD24C производится в стандартных корпусах с 8-ю или 5-ю (SOT23-5) выводами и с рабочим температурным диапазоном от -40 до 85 °С.
EEPROM семейства ZD24C широко применяется в потребительских устройствах, бытовой технике, компьютерном оборудовании.

Особенности EEPROM Zetta:

  • Плотность памяти: 2 Кбит...1 Мбит;
  • Интерфейс: I2C;
  • Напряжение питания: 1.7...5.8 В;
  • Тактовая частота: 1 МГц;
  • Рабочая температура: -40...85 °С;
  • Дополнительная идентификационная страница;
  • Количество циклов перезаписи: 1/4 млн;
  • Хранение данных 100 лет;
  • Защита от электростатических разрядов: 8 кВ HBM;
  • Время записи: 3/5 мс;
  • Вывод защиты от записи;
  • Триггер Шмитта и фильтр на входах для подавления шумов;
  • Корпуса: SOP8, TSSOP8, SOT23-5, DFN8, UDFN, WLCSP, PDIP.
 
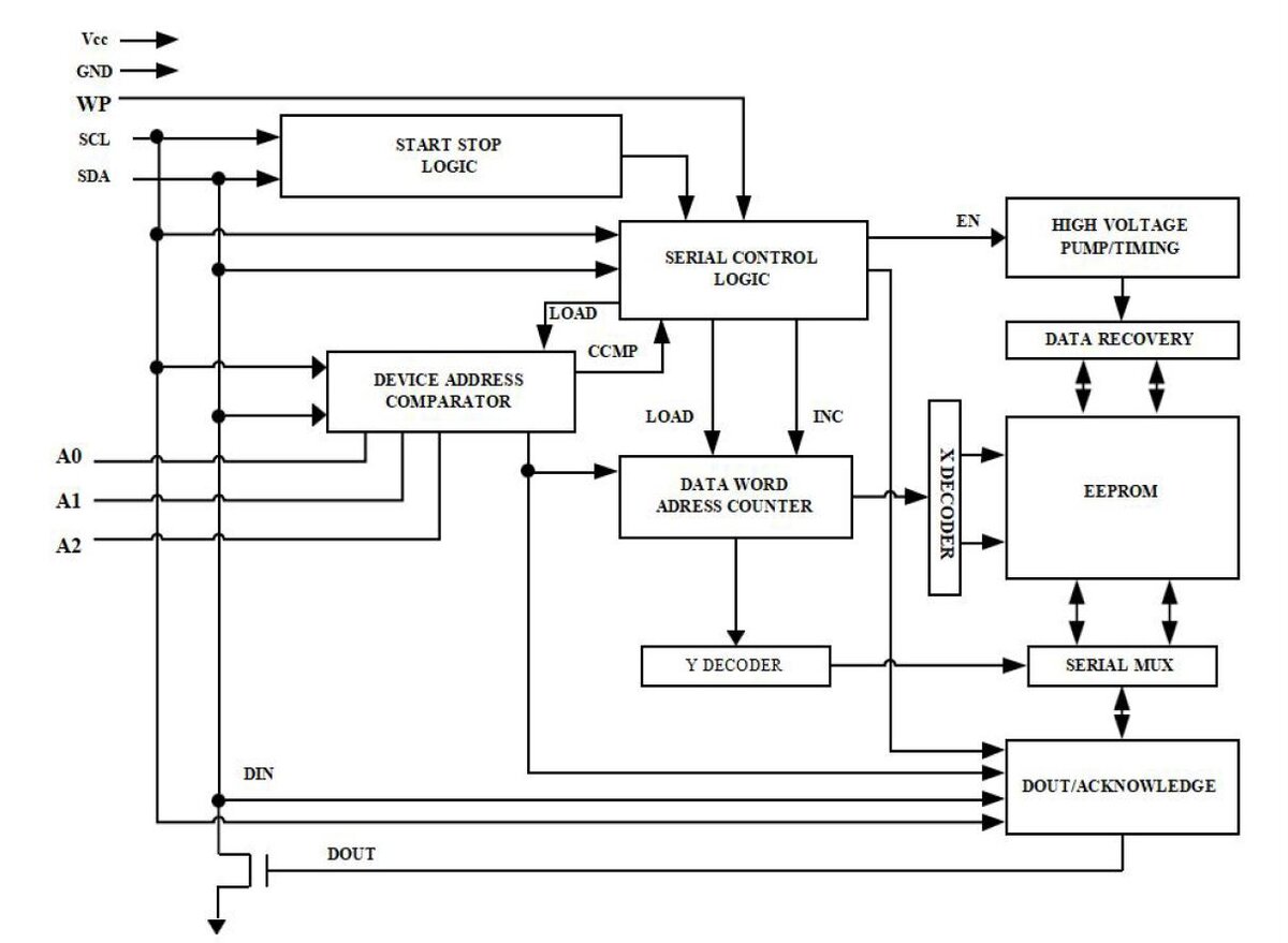
Рис. 1. Структурная схема ZD24C
Рис. 1. Структурная схема ZD24C
Рис. 2. Микросхемы EEPROM компании Zetta
Рис. 2. Микросхемы EEPROM компании Zetta

Производители: ZETTA

Разделы: Энергонезависимая память