Найти в Дзене
Лампа Электрика

Микросхемы регулировки звука. Часть 1, громкость, тембр, обработка

В прошлых частях цикла мы познакомились с низковольтными микросхемами УНЧ (часть I и часть II) и интегральными микросхемами индикации. Сегодня я предлагаю вам подборку интегральных регуляторов громкости, баланса, тембра и аудиопроцессоров для дополнительной обработки звука. KA2107 Микросхема представляет собой интегральный двухканальный регулятор громкости, баланса и тембра. ВЧ регулируется на частотах, близких к 14 кГц, НЧ – 40 Гц. Аналог – AN5836. Характеристики: Типовая схема включения: Назначение переменных резисторов: Печатная плата и расположение элементов: LM1036 Интегральный регулятор громкости, баланса и тембра НЧ/ВЧ. Предусмотрен режим тонкомпенсации. Каждый канал может быть независимо настроен на регулировку желаемых характеристик при помощи внешних конденсаторов. Благодаря встроенному стабилитрону установленные значения не «плавают» при изменении величины питающего напряжения. Характеристики: Типовая схема включения: Печатная плата и расположение элементов: TA7630 Микросхем
Оглавление

В прошлых частях цикла мы познакомились с низковольтными микросхемами УНЧ (часть I и часть II) и интегральными микросхемами индикации. Сегодня я предлагаю вам подборку интегральных регуляторов громкости, баланса, тембра и аудиопроцессоров для дополнительной обработки звука.

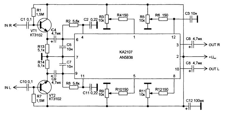
KA2107

Микросхема представляет собой интегральный двухканальный регулятор громкости, баланса и тембра. ВЧ регулируется на частотах, близких к 14 кГц, НЧ – 40 Гц. Аналог – AN5836.

Характеристики:

  • Напряжение питания, В – 8…14.
  • Ток потребления, мА – 8…16.
  • Чувствительность по входу, мВ – 500.
  • Диапазон регулировки НЧ, дБ – -16…+12.
  • Диапазон регулировки ВЧ, дБ – -18…+13.
  • Диапазон регулировки громкости, дБ – -80…-2.
  • Регулировка баланса, дБ – -66…0.
  • Полоса воспроизводимых частот, Гц – 20…25 000.
  • Коэффициент гармоник, % – 0,1.

Типовая схема включения:

-2

Назначение переменных резисторов:

  • R3 – баланс;
  • R5 – громкость;
  • R9 – НЧ;
  • R11 – ВЧ.

Печатная плата и расположение элементов:

-3

LM1036

Интегральный регулятор громкости, баланса и тембра НЧ/ВЧ. Предусмотрен режим тонкомпенсации. Каждый канал может быть независимо настроен на регулировку желаемых характеристик при помощи внешних конденсаторов. Благодаря встроенному стабилитрону установленные значения не «плавают» при изменении величины питающего напряжения.

Характеристики:

  • Напряжение питания, В – 9…16.
  • Ток потребления, мА – 35.
  • Напряжение стабилитрона (вывод 17), В – 5,4.
  • Входное сопротивление, кОм – 30.
  • Входное напряжение (максимальное), В – 1,5.
  • Коэффициент передачи – 2.
  • Диапазон регулировки тембра, дБ – ±15.
  • Диапазон регулировки громкости, дБ – 75.
  • Коэффициент гармоник, % – 0,06.
  • Отношение сигнал/шум, дБ – 80.
  • Разнос каналов, дБ – 75.

Типовая схема включения:

-4

Печатная плата и расположение элементов:

-5

TA7630

Микросхема представляет собой схему регулировки громкости, тембра НЧ/ВЧ и баланса. Предназначена для аудиоаппаратуры высокого класса. Характеристики регулятора тембра можно изменять подбором конденсаторов.

Характеристики:

  • Напряжение питания, В – 6…12.
  • Ток выходной, мА – 11.
  • Входное сопротивление, кОм – 500.
  • Диапазон регулировки НЧ, дБ – -15..-7.
  • Диапазон регулировки ВЧ, дБ – 7…14.
  • Диапазон регулировки громкости, дБ – 80.
  • Диапазон регулировки баланса, дБ – -3,5…3.5.
  • Коэффициент гармоник, % – 0,1.
  • Полоса частот, Гц – 20…20 000.

Типовая схема включения:

-6

Назначение переменных резисторов:

  • R1 – громкость;
  • R2 – баланс;
  • R3 – регулировка ВЧ;
  • R4 – регулировка НЧ.

Печатная плата и расположение элементов:

-7

КР174ХА54

Отечественная микросхема выполнена по технологии БиКМОП. Отличается низким напряжением питания. Предназначена для электронного (кнопочного) управления громкостью, балансом и тембром по НЧ и ВЧ в двух каналах. Управление производится четырьмя кнопками - две регулировка, две выбор режима. Для индикации текущего режима служат четыре светодиода. В типовой схеме включения используется линейный стабилизатор напряжения 78L05. Ближайший аналог – TEA6300 (Philips).

Микросхема TEA6300 исполняет аналогичные функции, но отличается некоторыми параметрами, схемотехническим и топологическим решениями.

Характеристики:

  • Напряжение питания, В – 9…16.
  • Ток потребления, мА – 35.
  • Напряжение стабилитрона (вывод 17), В – 5,4.
  • Входное сопротивление, кОм – 30.
  • Входное напряжение (максимальное), В – 1,5.
  • Коэффициент передачи – 2.
  • Диапазон регулировки тембра, дБ – ±15.
  • Диапазон регулировки громкости, дБ – 75.
  • Коэффициент гармоник, % – 0,06.
  • Отношение сигнал/шум, дБ – 80.
  • Разнос каналов, дБ – 75.

Типовая схема включения:

-8

Печатная плата и расположение элементов:

-9

TDA3810

Микросхема является процессором обработки аудиосигнала и позволяет реализовать следующие режимы: нормальный стерео; расширенная стереобаза; формирование псевдостереосигнала из моносигнала.

Характеристики:

  • Напряжение питания, В – 9…18.
  • Ток выходной, мА – 40.
  • Входное сопротивление, кОм – 75.
  • Максимальное выходное напряжение, В – 1.
  • Полоса частот, Гц – 20…20 000.
  • Коэффициент гармоник, % - 0,5.

Типовая схема включения:

-10

Назначение органов управления и индикации:

  • SA1, SA2 – выбор режима;
  • VD1 – индикация расширения стереобазы;
  • VD2 – индикация псевдостереосигнала.

Печатная плата и расположение элементов:

-11

mPC1892

Аудиопроцессор для преобразования стереосигнала в псевдоквадрофонический (четырехканальный). В результате обработки формируются сигналы L + a(L-R), R – a(L-R), L + R, a(L-R), которые поступают на выходы OUT L, OUT R, OUT CENTER, OUT SURROUND. первые два сигнала подаются на обычные стереоколонки, два последних на фронтальную и тыловую. Предусмотрено 4 режима работы процессора – Выкл./Музыка/Кинофильм/Dolby surround. Кроме этого микросхема позволяет производить регулировки громкости, баланса, тембра ВЧ и НЧ.

Характеристики:

  • Напряжение питания, В – 3…18.
  • Ток выходной, мА – 35.
  • Входное напряжение максимальное, В – 3.
  • Регулировка громкости, дБ – -80…+21,5.
  • Регулировка тембра НЧ, дБ – -19…+17.
  • Регулировка тембра ВЧ, дБ – -15…+15.
  • Полоса частот, Гц – 20…20 000.
  • Коэффициент гармоник, % – 0,3.

Типовая схема включения:

-12

Назначение органов управления:

  • SA1, SA2 – выбор режима;
  • R1 – регулировка ВЧ;
  • R3 – регулировка НЧ;
  • R5 – громкость CENTER;
  • R7 – громкость L, R;
  • R9 – громкость SURROUND;
  • R11 – баланс L, R.

Печатная плата и расположение элементов:

-13

С интегральными регуляторами громкости, тембра и дополнительной обработки сигнала, вроде, все. В следующей части мы познакомимся с интегральными эквалайзерами.