Найти в Дзене
3D CAD модели & Чертежи

Чертежи ручного инструмента для формовки буртика на трубке

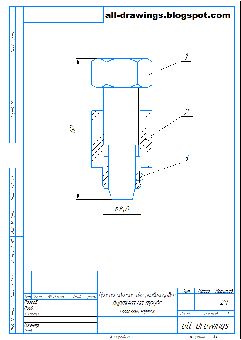
Ручной инструмент (приспособление) применяется для формовки буртика на наружной поверхности алюминиевой или медной трубки на расстоянии 5 мм от ее торца, с целью закрепления на ней шланга, при помощи хомута. Приспособление состоит из корпуса, винта и трех шариков. При вывернутом винте и утопленных в корпусе шариках, приспособление вставляется в трубку. При закручивании, винт своей конической частью выдавливает шарики из корпуса, которые давят на стенку трубки, распирая ее наружу. Чередование закручивания винта и поворотов инструмента внутри трубки позволяет получить буртик на ее наружной поверхности. 3D модель и чертежи ручного инструмента для формовки буртика на трубке
Оглавление

Ручной инструмент (приспособление) применяется для формовки буртика на наружной поверхности алюминиевой или медной трубки на расстоянии 5 мм от ее торца, с целью закрепления на ней шланга, при помощи хомута. Приспособление состоит из корпуса, винта и трех шариков. При вывернутом винте и утопленных в корпусе шариках, приспособление вставляется в трубку. При закручивании, винт своей конической частью выдавливает шарики из корпуса, которые давят на стенку трубки, распирая ее наружу. Чередование закручивания винта и поворотов инструмента внутри трубки позволяет получить буртик на ее наружной поверхности.

3D модель и чертежи ручного инструмента для формовки буртика на трубке

Чертежи ручного инструмента для формовки буртика на трубке
Чертежи ручного инструмента для формовки буртика на трубке
Чертежи ручного инструмента для формовки буртика на трубке